GM Service Manual Online
For 1990-2009 cars only

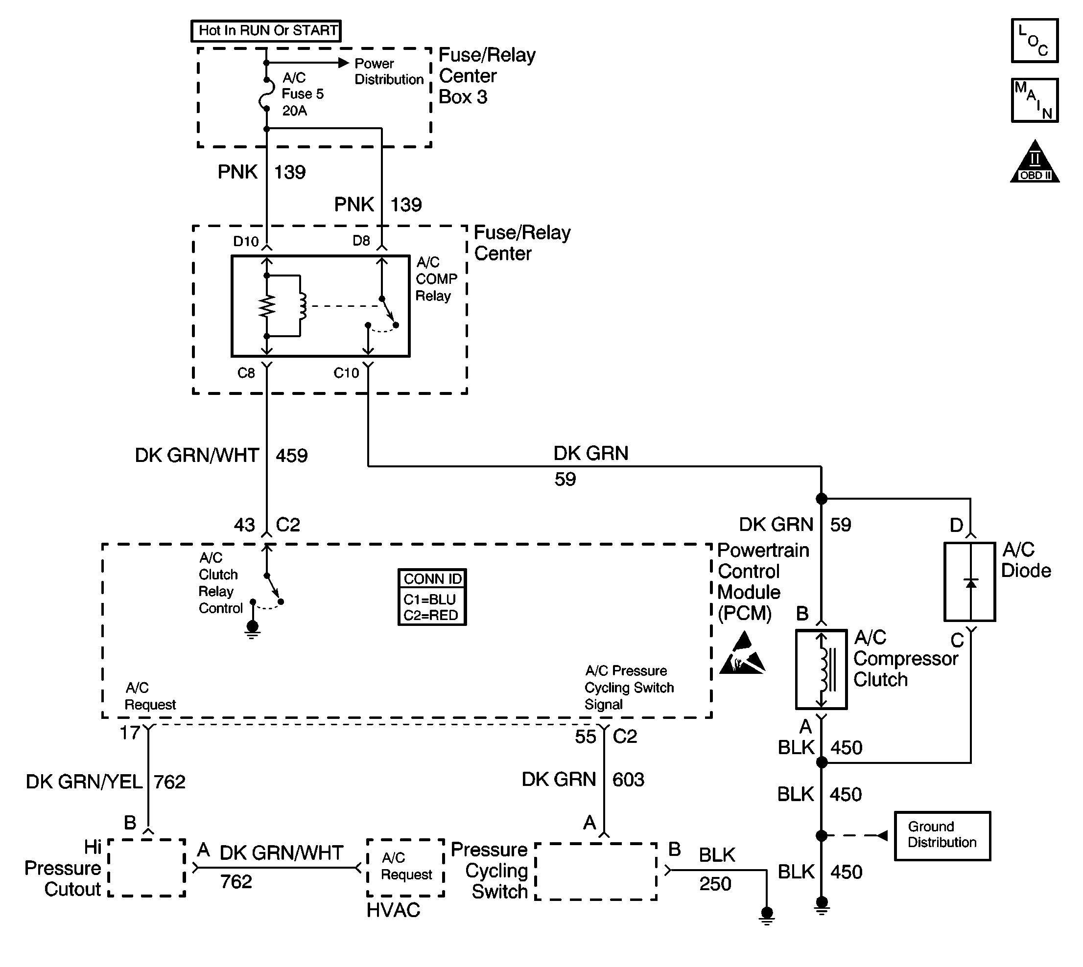
Object Number: 626142  Size: LF
Engine Controls Components
A/C System
OBD II Symbol Description Notice
Powertrain Control Module Connector End Views
Handling ESD Sensitive Parts Notice

Circuit Description

A voltage is supplied directly to the A/C compressor clutch relay coil. The powertrain control module (PCM) controls the relay by grounding the control circuit via an internal switch called a driver. The primary function of the driver is to supply the ground for the controlled component. Each driver has a fault line which the PCM monitors. When the PCM commands a component ON, the voltage of the control circuit should be near 0 volts. When the PCM is commanding the control circuit to a component OFF, the voltage potential of the circuit should be near battery voltage. If the fault detection circuit senses a voltage other than what the circuit expects, the fault line status changes causing the diagnostic trouble code (DTC) to set.

The relay controls the high current flow to the A/C compressor clutch. This allows the PCM driver to only have to handle the relatively low current used by the relay.

Conditions for Running the DTC

    • The engine speed is more than 400 RPM.
    • The ignition voltage is between 6.0 volts and 18.0 volts.

Conditions for Setting the DTC

    • The PCM detects that the commanded state of the driver and the actual state of the control circuit do not match.
    • The condition must exist for a minimum of 5 seconds.

Action Taken When the DTC Sets

    • The powertrain control module (PCM) stores the DTC information into memory when the diagnostic runs and fails.
    • The malfunction indicator lamp (MIL) will not illuminate.
    • The PCM records the operating conditions at the time the diagnostic fails. The PCM stores this information in the Failure Records.

Conditions for Clearing the DTC

    • A last test failed, or current DTC, clears when the diagnostic runs and does not fail.
    • A History DTC clears after 40 consecutive warm-up cycles, if this or any other emission related diagnostic does not report any failures.
    • Use a scan tool in order to clear the DTC.

Diagnostic Aids

Important: 

   • Remove any debris from the PCM connector surfaces before servicing the PCM. Inspect the PCM connector gaskets when diagnosing or replacing the PCM. Ensure that the gaskets are installed correctly. The gaskets prevent contaminate intrusion into the PCM.
   • For any test that requires probing the PCM or a component harness connector, use the J 35616 connector test adapter kit. Using this kit prevents damage to the harness and component terminals. Refer to Using Connector Test Adapters in Wiring Systems.

    • The following may cause an intermittent:
       - Poor connections -- Refer to Intermittents and Poor Connections Diagnosis in Wiring Systems.
       - Corrosion
       - Mis-routed harness
       - Rubbed through wire insulation
       - Broken wire inside the insulation
    •  For an intermittent condition, refer to Symptoms .

Test Description

The numbers below refer to the step numbers on the diagnostic table.

  1. Listen for an audible click when the relay operates. Command both the ON and the OFF states as necessary.

  2. In order to detect excessive current flow energize the relay for 2 minutes. Energizing the relay for 2 minutes warms the relay coil. When the relay is warm the coil may open (the current draw drops to 0), or short (the current goes above 0.75 amps).

  3. Identify and test the correct relay terminals to avoid improper diagnosis.

  4. Listen for an audible click when the relay operates. Repeat the procedure as necessary.

  5. If no trouble is found in the control circuit or the connection at the PCM, the PCM may be faulty, however, this is an extremely unlikely failure.

Step

Action

Values

Yes

No

1

Did you perform the Powertrain On-Board Diagnostic (OBD) System Check?

--

Go to Step 2

Go to Powertrain On Board Diagnostic (OBD) System Check

2

  1. Turn ON the ignition leaving the engine OFF.
  2. Command the relay ON and OFF using a scan tool.

Does the relay turn ON and OFF when commanded?

--

Go to Step 3

Go to Step 5

3

  1. Turn OFF the ignition.
  2. Disconnect the PCM connector C2 located on the opposite side of the manufacturer logo. Refer to Powertrain Control Module Replacement/Programming .
  3. Turn ON the ignition.
  4. Important: If the DMM displays 0 during the current draw test replace the relay.

  5. Measure the current from the relay control circuit in the PCM harness connector to ground for 2 minutes using the DMM set on the 40 amp scale.

Does the current draw measure less than the value?

0.75A

Go to Diagnostic Aids

Go to Step 4

4

  1. Turn OFF the ignition.
  2. Disconnect the relay.
  3. Measure the resistance from the relay control circuit in the PCM harness connector to ground using the DMM.

Does the DMM display infinite resistance?

--

Go to Step 12

Go to Step 10

5

Important: For fuse/relay center box 3 terminal identification, refer to Electrical Center Identification Views in Wiring Systems.

  1. Turn OFF the ignition.
  2. Disconnect the A/C clutch relay at the fuse/relay center box 3.
  3. Connect the test lamp between the A/C clutch relay control circuit and the ignition feed circuit at the fuse/relay center box 3.
  4. Turn ON the ignition leaving the engine OFF.
  5. Command the relay ON and OFF using a scan tool.

Does the test lamp turn ON and OFF with each command?

--

Go to Step 8

Go to Step 6

6

Probe the A/C clutch relay ignition feed circuits in the fuse/relay center box 3 with the test lamp connected to ground.

Does the test lamp illuminate for both circuits?

--

Go to Step 7

Go to Step 11

7

  1. Turn OFF the ignition.
  2. Reconnect the relay.
  3. Disconnect the PCM connector C2 located on the opposite side of the manufacturer logo. Refer to Powertrain Control Module Replacement/Programming .
  4. Turn ON the ignition.
  5. Momentarily probe the relay control circuit in the PCM harness connector with a fused jumper wire connected to ground. Refer to Probing Electrical Connectors and Using Fused Jumper Wires in Wiring Systems.

Does the relay turn ON when the circuit is grounded and OFF when the circuit is opened?

--

Go to Step 9

Go to Step 10

8

  1. Inspect for poor relay connections at the fuse/relay center box 3. Refer to Intermittents and Poor Connections Diagnosis in Wiring Systems.
  2. If you find a poor connection, repair the terminal as necessary. Refer to Connector Repairs in Wiring Systems.

Did you find and correct the condition?

--

Go to Step 14

Go to Step 12

9

  1. Inspect for poor connections at the PCM. Refer to Intermittents and Poor Connections Diagnosis in Wiring Systems.
  2. If you find a poor connection repair the terminal as necessary. Refer to Connector Repairs in Wiring Systems.

Did you find and correct the condition?

--

Go to Step 14

Go to Step 13

10

Repair the faulty relay control circuit. Refer to Wiring Repairs in Wiring Systems.

Is the action complete?

--

Go to Step 14

--

11

Repair the faulty relay battery feed circuit. Refer to Wiring Repairs in Wiring Systems.

Is the action complete?

--

Go to Step 14

--

12

Replace the relay.

Is the action complete?

--

Go to Step 14

--

13

Important:: The replacement PCM must be programmed.

Replace the PCM. Refer to Powertrain Control Module Replacement/Programming .

Is the action complete?

--

Go to Step 14

--

14

  1. Select the Diagnostic Trouble Code (DTC) option and the Clear DTC Information option using the scan tool.
  2. Idle the engine at the normal operating temperature.
  3. Select the Diagnostic Trouble Code (DTC) option and the Specific DTC option, then enter the DTC number using the scan tool.
  4. Operate the vehicle within the Conditions for Setting the DTC as specified in the supporting text, if applicable.

Does the scan tool indicate that this test failed?

--

Go to Step 2

Go to Step 15

15

Select the Capture Info option and the Review Info option using the scan tool.

Does the scan tool display any DTCs that you have not diagnosed?

--

Go to the applicable DTC table

System OK