GM Service Manual Online
For 1990-2009 cars only
Makes
🢒
Oldsmobile
🢒
2002
🢒
Silhouette Ext.
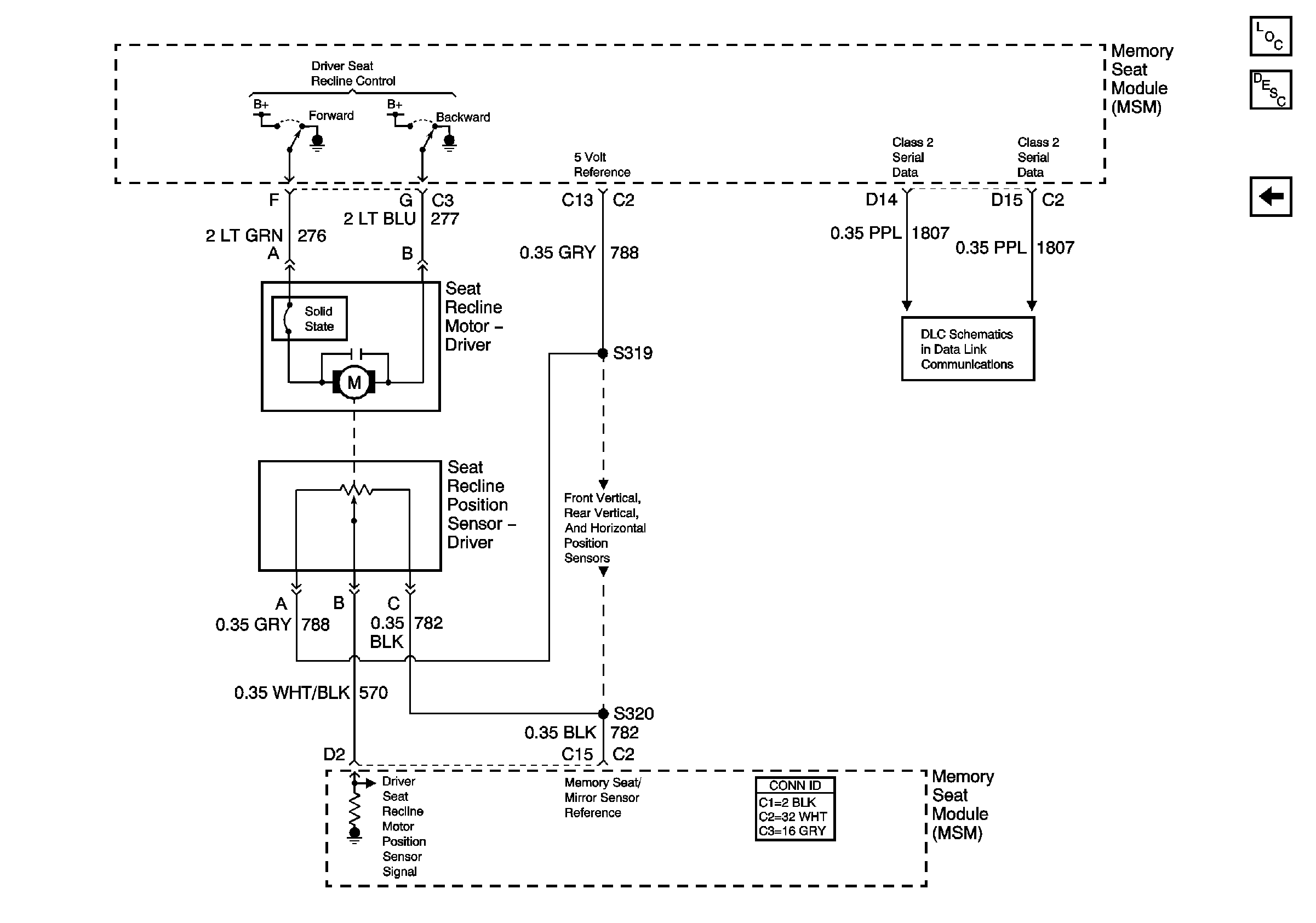
🢒 Recline Motor and Sensor
Recline Motor and Sensor
Recline Motor and Sensor
Master Electrical Component List
Vertical and Horizontal Motors and Sensors
Class 2 Serial Data
Vertical and Horizontal Motors and Sensors