GM Service Manual Online
For 1990-2009 cars only
Makes
🢒
Oldsmobile
🢒
2002
🢒
Silhouette Ext.
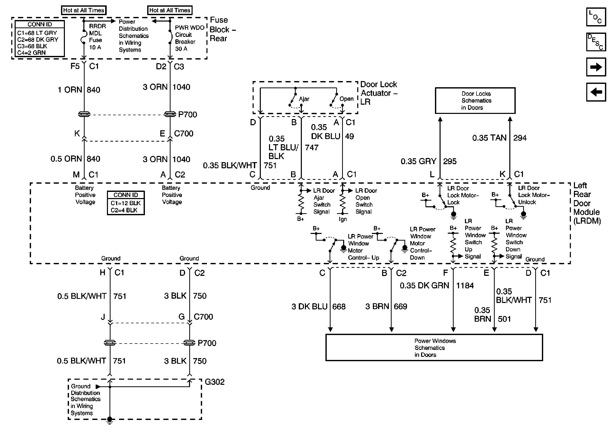
🢒 LRDM
LRDM
LRDM
Master Electrical Component List
Battery Voltage to the Rear Fuse Block
G302
Left Rear Door
Left Rear Door
RRDM
DDM Inputs/Outputs