GM Service Manual Online
For 1990-2009 cars only
Makes
🢒
Oldsmobile
🢒
2002
🢒
Silhouette Ext.
🢒 Left Front Door
Left Front Door
Left Front Door
Master Electrical Component List
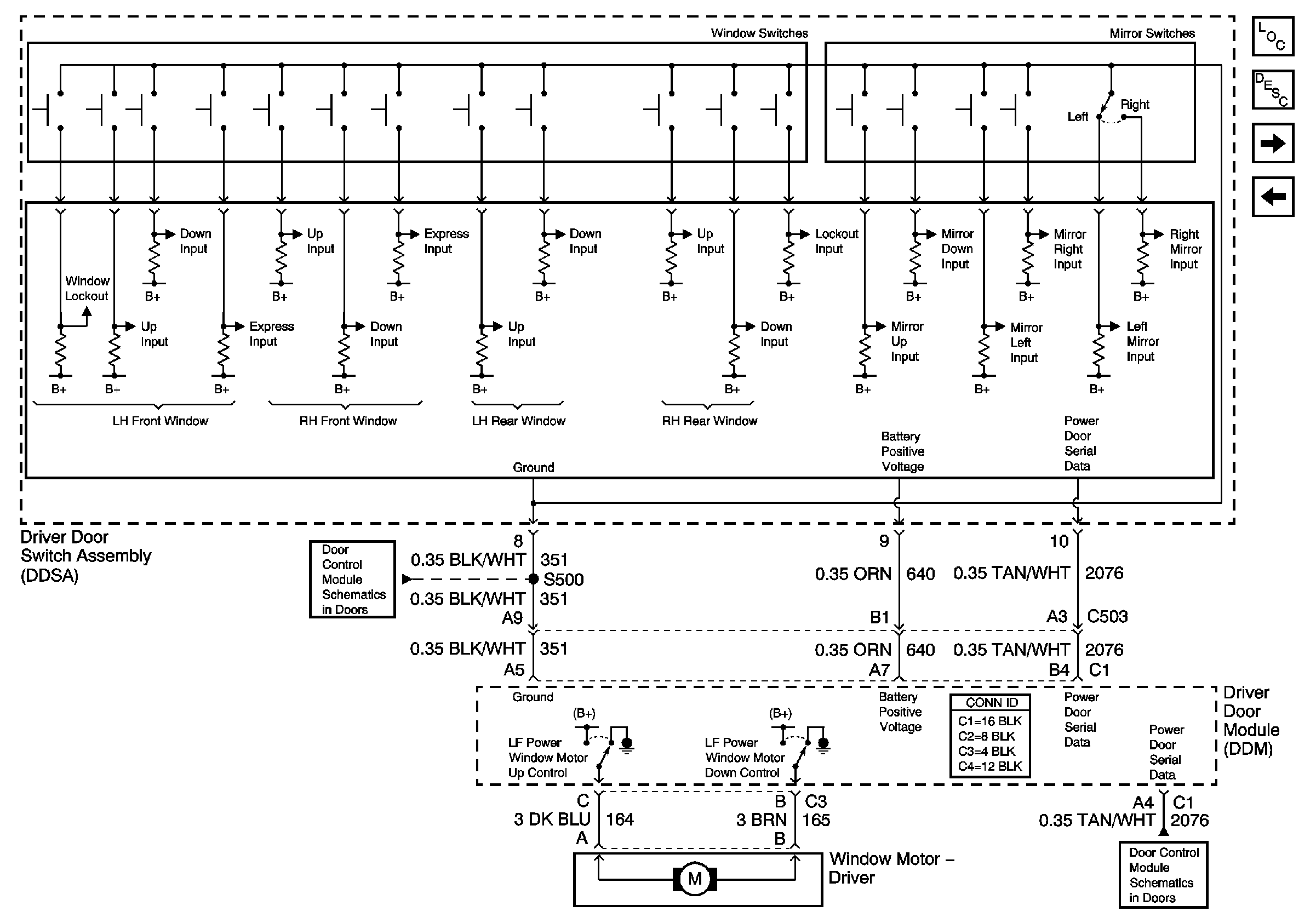
Driver Door Switch Assembly
Simple Bus Interface (SBI)
Right Rear Door
Right Front Door