GM Service Manual Online
For 1990-2009 cars only
Makes
🢒
Oldsmobile
🢒
2002
🢒
Silhouette Ext.
🢒 Fuel Pump Controls
Fuel Pump Controls
Fuel Pump Controls
Master Electrical Component List
Battery Voltage to the Rear Fuse Block
TRANS, DIS, OXY SEN, IGN 1 Fuses and the IGN-1 and AIR PUMP Relays( Fuse Block - Underhood)
Battery Voltage to the Rear Fuse Block
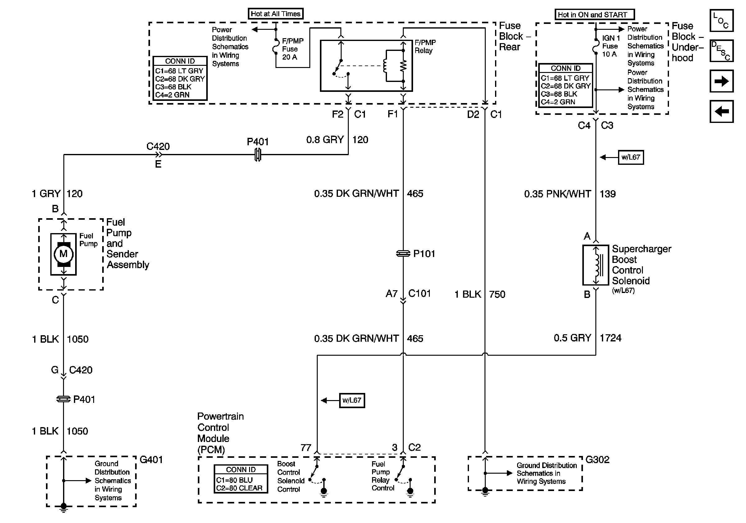
Fuel Pump Controls (w/L67)
IC Module Signals
G401 (1 of 2)
G302