GM Service Manual Online
For 1990-2009 cars only
Makes
🢒
Oldsmobile
🢒
2002
🢒
Silhouette Ext.
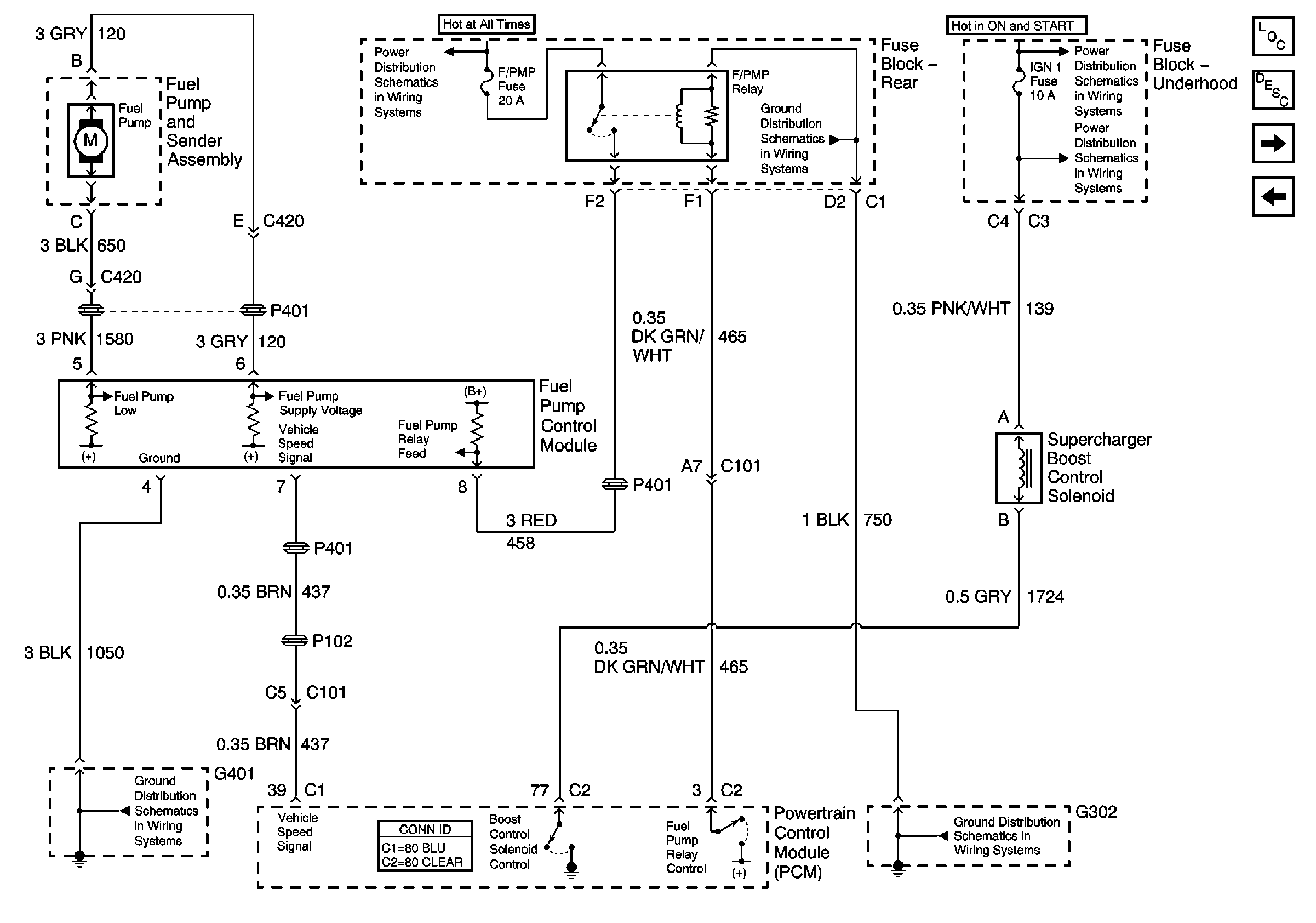
🢒 Fuel Pump Controls (w/L67)
Fuel Pump Controls (w/L67)
Fuel Pump Controls (w/L67)
Master Electrical Component List
Battery Voltage to the Rear Fuse Block
G302
TRANS, DIS, OXY SEN, IGN 1 Fuses and the IGN-1 and AIR PUMP Relays( Fuse Block - Underhood)
TRANS, DIS, OXY SEN, IGN 1 Fuses and the IGN-1 and AIR PUMP Relays( Fuse Block - Underhood)
Fuel Injectors
Fuel Pump Controls
G401 (1 of 2)
G302