GM Service Manual Online
For 1990-2009 cars only
Makes
🢒
Oldsmobile
🢒
2002
🢒
Silhouette Ext.
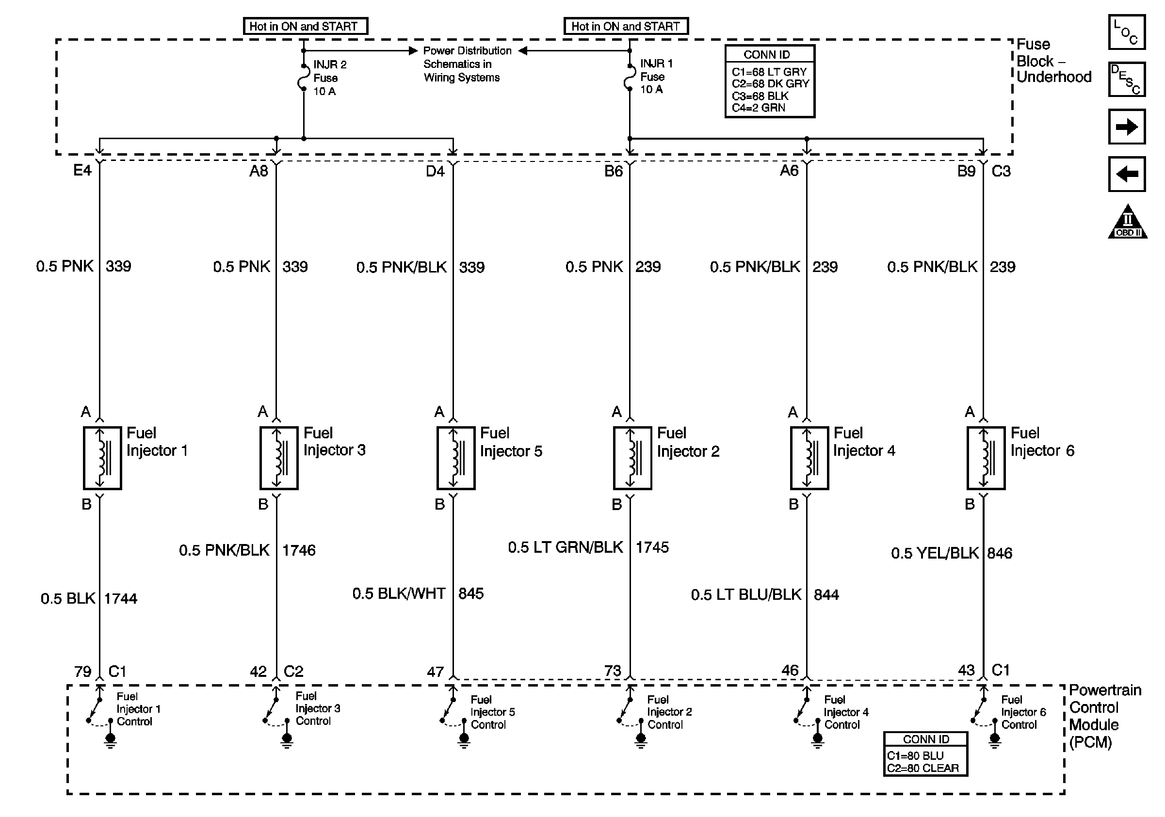
🢒 Fuel Injectors
Fuel Injectors
Fuel Injectors
Master Electrical Component List
INJR 2, PCM IGN, CR CONT, INJR 1 Fuses and the START 1 Relay( Fuse Block - Underhood)
Sensor Signals
Fuel Pump Controls (w/L67)