GM Service Manual Online
For 1990-2009 cars only
Figure 1:

Module Power, Ground, Serial Data, and MIL


Object Number: 893930  Size: FS
Master Electrical Component List
Powertrain Control Module Description
Engine Data Sensors - 5 Volt and Low Reference
OBD II Symbol Description Notice
RAP Relay, Fuse Block - Underhood, and Fuse Block - I/P Fuses
IGN Main 1, PCM/ABS, CAN VENT SOL, DRL and PCM/CRANK Fuses
IGN Main 1, SDM, T/SIG, CRUISE and PCM PASS KEY/CLUSTER Fuses
IGN Main 1, SDM, T/SIG, CRUISE and PCM PASS KEY/CLUSTER Fuses
IGN Main 1, SDM, T/SIG, CRUISE and PCM PASS KEY/CLUSTER Fuses
IGN Main 1, PCM/ABS, CAN VENT SOL, DRL and PCM/CRANK Fuses
IGN Main 1, SDM, T/SIG, CRUISE and PCM PASS KEY/CLUSTER Fuses
Power, Ground, Class 2 Data Line and Gages
IGN Main 1, PCM/ABS, CAN VENT SOL, DRL and PCM/CRANK Fuses
G101, G111, and G113
Data Link Connector (DLC)
Figure 2:

Engine Data Sensors - 5-Volt and Low Reference


Object Number: 893958  Size: FS
Master Electrical Component List
Powertrain Control Module Description
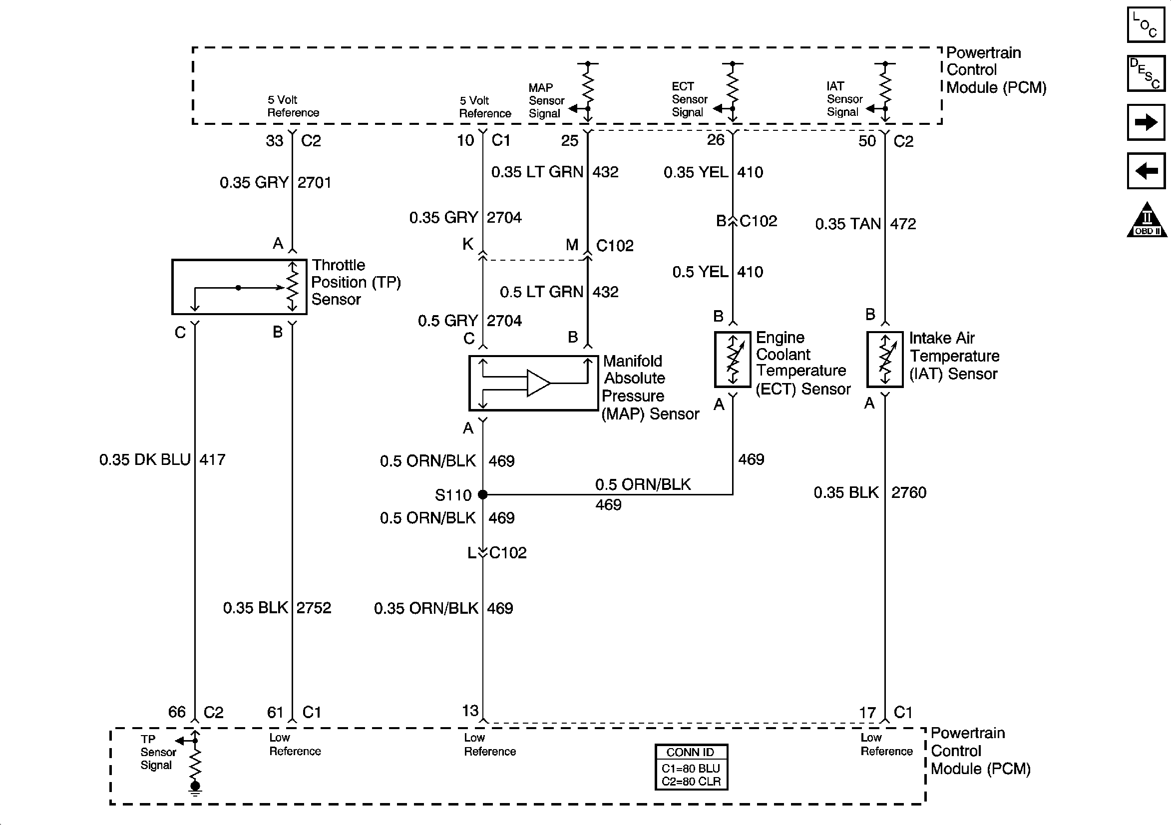
Engine Data Sensors - Pressure and Temperature
Module Power, Ground, Serial Data, and MIL
OBD II Symbol Description Notice
Figure 3:

Engine Data Sensors - Pressure and Temperature


Object Number: 893960  Size: FS
Master Electrical Component List
Powertrain Control Module Description
Engine Data Sensors - MAF and VSS
Engine Data Sensors - 5 Volt and Low Reference
OBD II Symbol Description Notice
Figure 4:

Engine Data Sensors - MAF and VSS


Object Number: 893965  Size: FS
Master Electrical Component List
Powertrain Control Module Description
Engine Data Sensors - HO2S
Engine Data Sensors - Pressure and Temperature
OBD II Symbol Description Notice
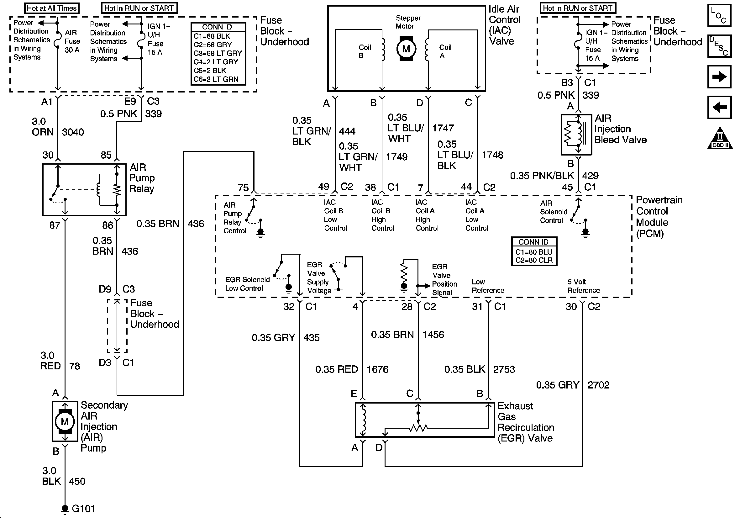
Fuse Block - Underhood IGN 1 - U/H Fuse
G101, G111, and G113
PCM Power, Ground, VSS and Park/Neutral Position (PNP) Switch
Figure 5:

Engine Data Sensors - HO2S


Object Number: 893967  Size: FS
Master Electrical Component List
Powertrain Control Module Description
Ignition Controls - Ignition System and Sensors
Engine Data Sensors - MAF and VSS
OBD II Symbol Description Notice
Fuse Block - Underhood IGN 1 - U/H Fuse
G114 and G117
Figure 6:

Ignition Controls - Ignition System and Sensors


Object Number: 893970  Size: FS
Master Electrical Component List
Powertrain Control Module Description
Fuel Controls - Fuel Pump Controls
Engine Data Sensors - HO2S
OBD II Symbol Description Notice
Fuse Block - Underhood, TCC and ELEK IGN Fuses
Engine Controls Schematic Icons
Figure 7:

Fuel Controls - Fuel Pump Controls


Object Number: 893982  Size: FS
Master Electrical Component List
Powertrain Control Module Description
Fuel Controls - EVAP Controls
Ignition Controls - Ignition System and Sensors
OBD II Symbol Description Notice
Fuse Block - Underhood and Fusable Links
G101, G111, and G113
Sensors and Switches
G210 and G301
G101, G111, and G113
Figure 8:

Fuel Controls - EVAP Controls


Object Number: 893987  Size: FS
Master Electrical Component List
Powertrain Control Module Description
Fuel Control - Fuel Injectors
Fuel Controls - Fuel Pump Controls
OBD II Symbol Description Notice
Engine Data Sensors - HO2S
Engine Data Sensors - 5 Volt and Low Reference
IGN Main 1, PCM/ABS, CAN VENT SOL, DRL and PCM/CRANK Fuses
IGN Main 1, PCM/ABS, CAN VENT SOL, DRL and PCM/CRANK Fuses
Engine Data Sensors - 5 Volt and Low Reference
Figure 9:

Fuel Control - Fuel Injectors


Object Number: 893988  Size: FS
Master Electrical Component List
Powertrain Control Module Description
Device Controls
Fuel Controls - EVAP Controls
OBD II Symbol Description Notice
Fuse Block - Underhood, INJ Fuse
Figure 10:

Device Controls


Object Number: 893993  Size: FS
Master Electrical Component List
Powertrain Control Module Description
Controlled/Monitored Subsystem References
Fuel Control - Fuel Injectors
OBD II Symbol Description Notice
RAP Relay, Fuse Block - Underhood, and Fuse Block - I/P Fuses
Fuse Block - Underhood IGN 1 - U/H Fuse
Fuse Block - Underhood IGN 1 - U/H Fuse
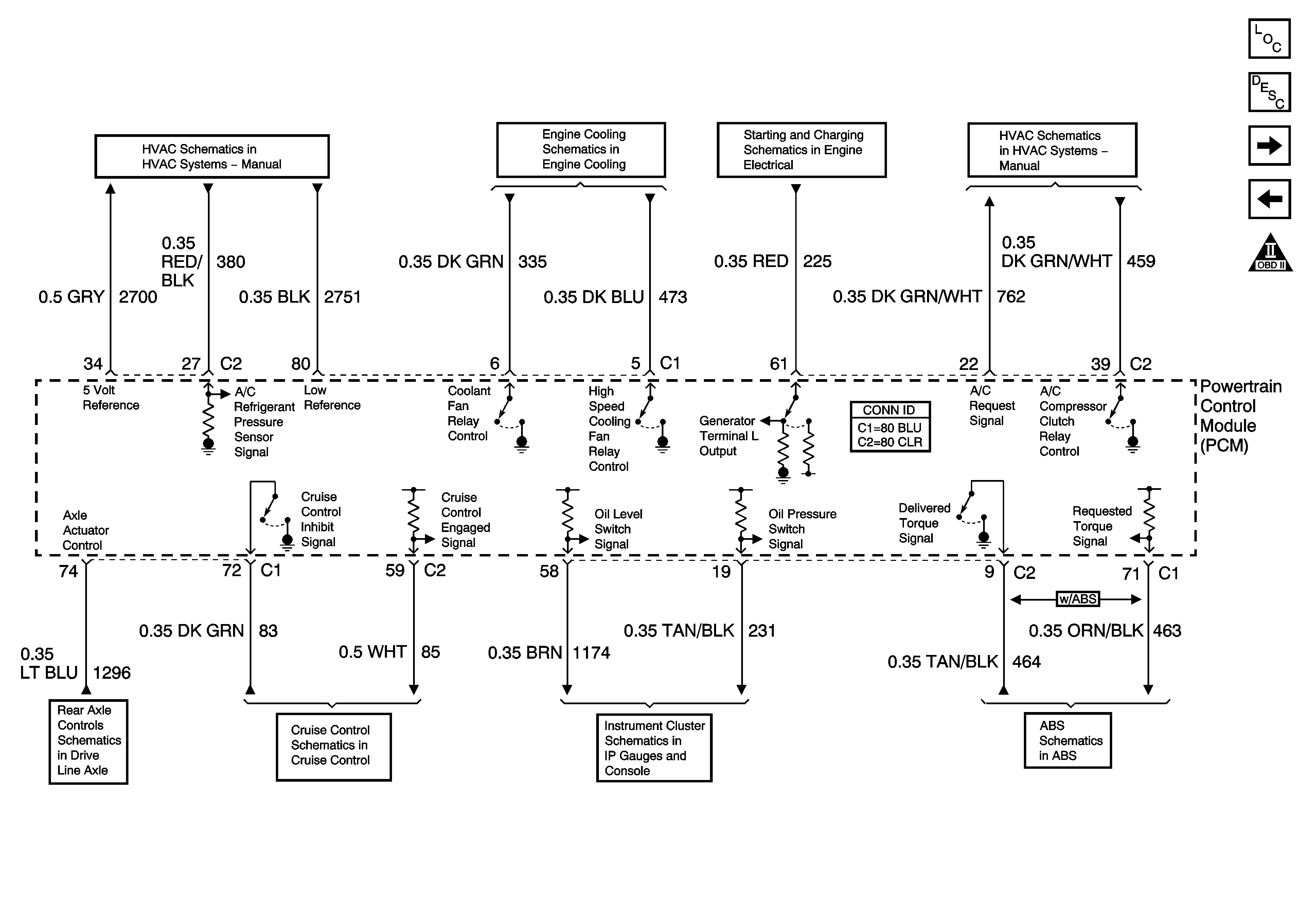
Figure 11:

Controlled/Monitored Subsystem References


Object Number: 893996  Size: FS
Master Electrical Component List
Powertrain Control Module Description
Transmission Controls
Device Controls
OBD II Symbol Description Notice
HVAC Compressor Control
Cooling Fans
Charging
HVAC Compressor Control
Rear Axle Controls
Cruise Control
Sensors and Switches
Data Link, MIL, PCM and Stop Lamp Switch
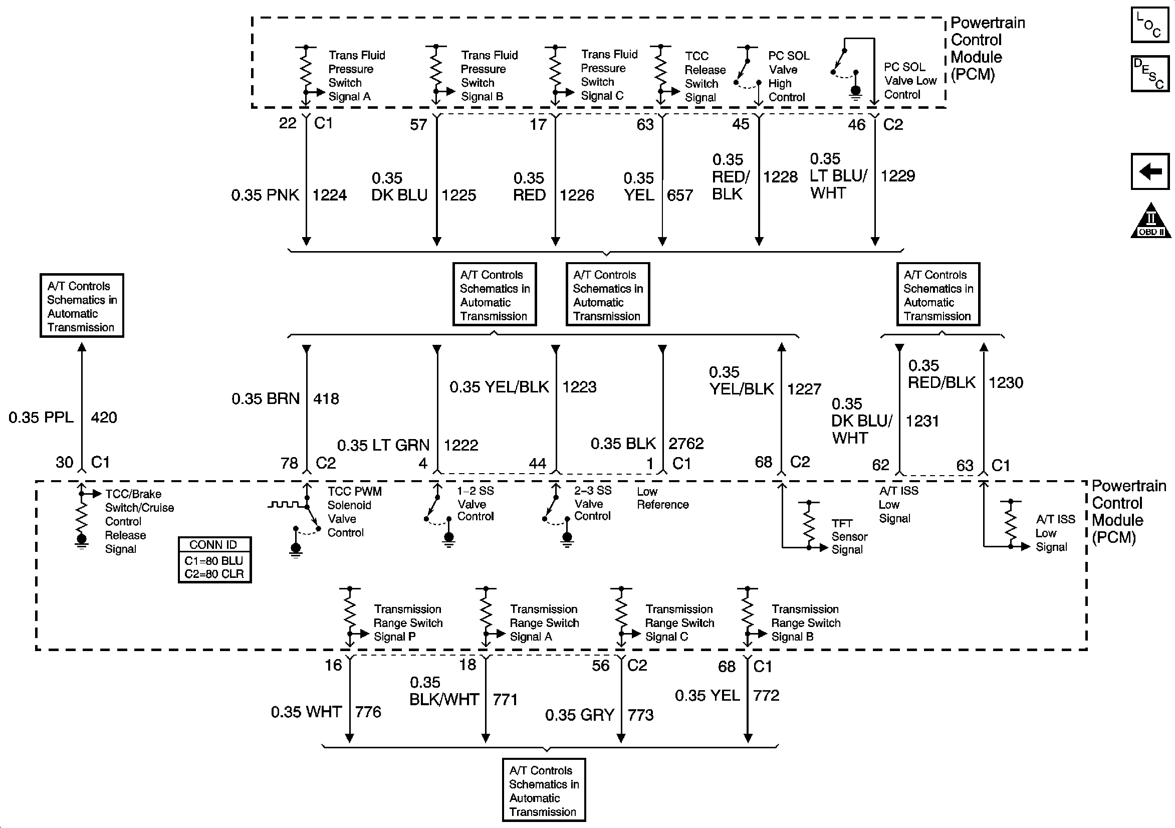
Figure 12:

Transmission Controls


Object Number: 894001  Size: FS
Master Electrical Component List
Powertrain Control Module Description
Transmission Controls, Page 2 of 2
Controlled/Monitored Subsystem References
OBD II Symbol Description Notice
Automatic Transmission TCC Switch
Automatic Transmission TCC Switch
Automatic Transmission
Automatic Transmission
PCM Power, Ground, VSS and Park/Neutral Position (PNP) Switch