GM Service Manual Online
For 1990-2009 cars only
Makes
🢒
Oldsmobile
🢒
2004
🢒
Silhouette Ext.
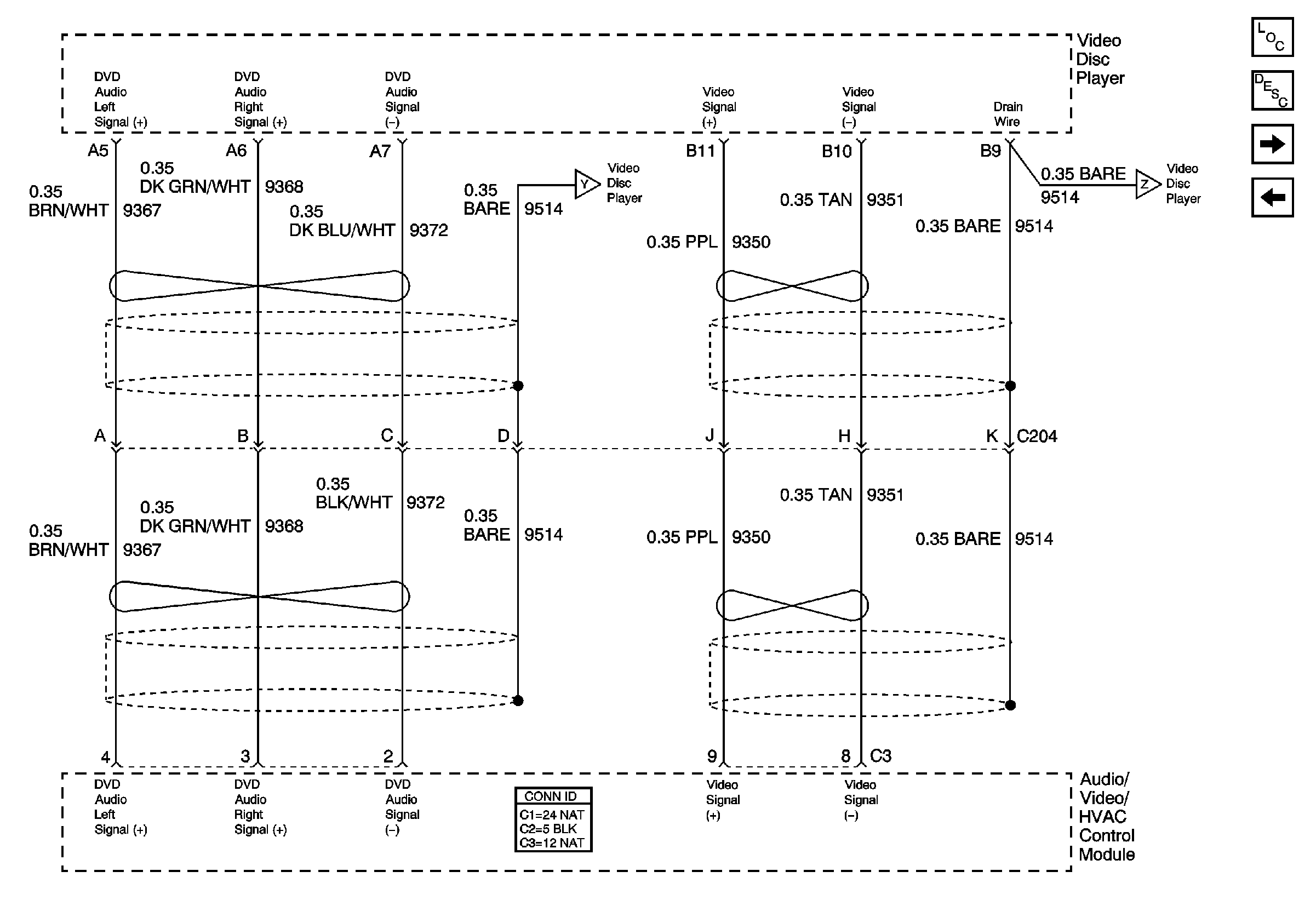
🢒 Video Disc Player and Rear Video/Audio/HVAC Module 1 of 2
Video Disc Player and Rear Video/Audio/HVAC Module 1 of 2
Video Disc Player and Rear Video/Audio/HVAC Module, Page 1 of 2
Master Electrical Component List
Video Entertainment System Description and Operation
Video Disc Player and Rear Video/Audio/HVAC Module 2 of 2
Power, Ground, Video Disc Player and Rear Video/Audio/HVAC Module
Video Disc Player and Rear Video/Audio/HVAC Module 2 of 2
Video Disc Player and Rear Video/Audio/HVAC Module 2 of 2