GM Service Manual Online
For 1990-2009 cars only
Makes
🢒
Oldsmobile
🢒
2004
🢒
Silhouette Ext.
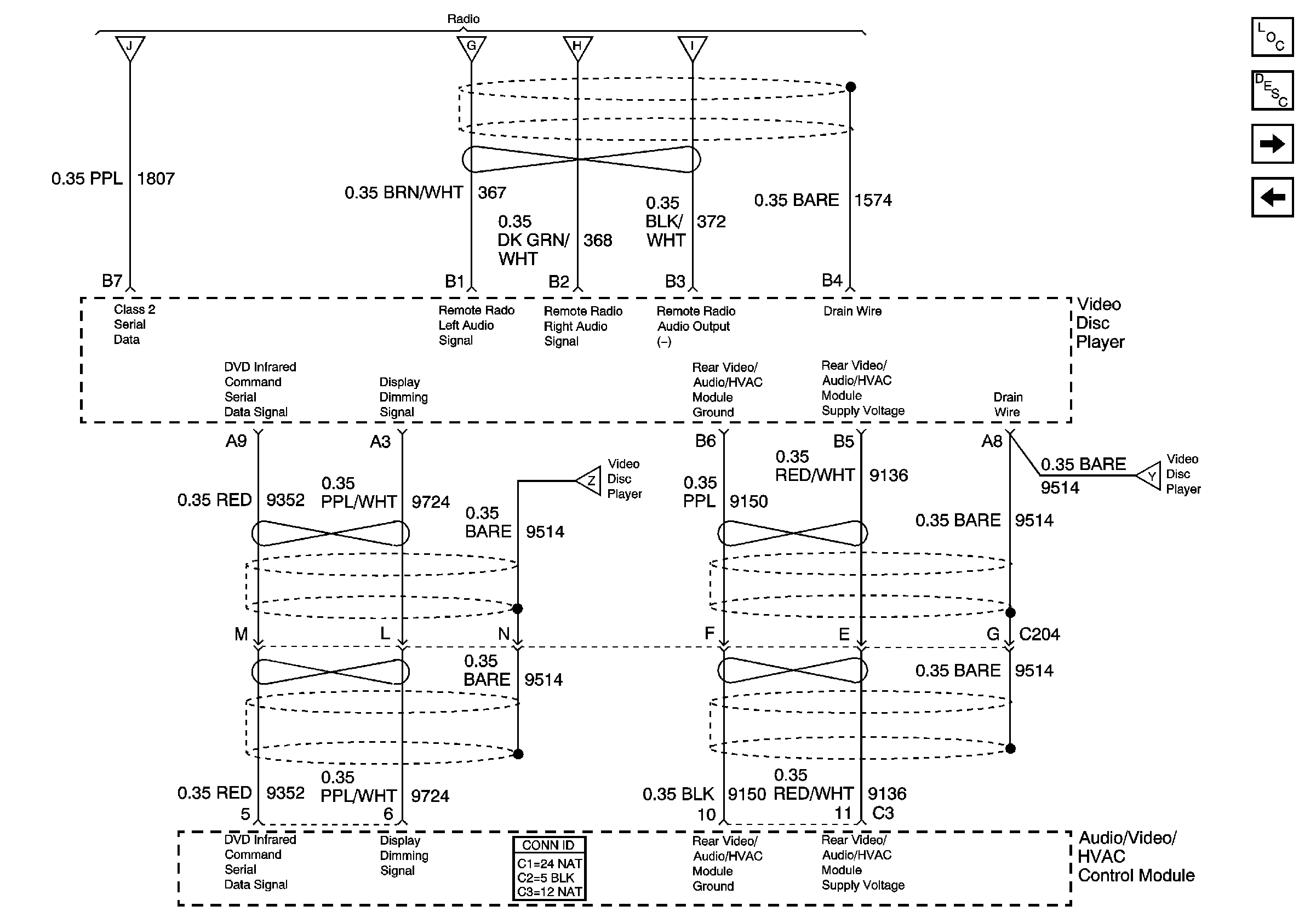
🢒 Video Disc Player and Rear Video/Audio/HVAC Module 2 of 2
Video Disc Player and Rear Video/Audio/HVAC Module 2 of 2
Video Disc Player and Rear Video/Audio HVAC Control Module, Page 2 of 2
Master Electrical Component List
Video Entertainment System Description and Operation
Radio with U32
Video Disc Player and Rear Video/Audio/HVAC Module 1 of 2
Radio and Class 2 Serial Data
Radio and Class 2 Serial Data
Radio and Class 2 Serial Data
Radio and Class 2 Serial Data
Video Disc Player and Rear Video/Audio/HVAC Module 1 of 2
Video Disc Player and Rear Video/Audio/HVAC Module 1 of 2