GM Service Manual Online
For 1990-2009 cars only
Figure 1:

Module Power, Ground, Serial Data, MIL


Object Number: 1817477  Size: FS
Master Electrical Component List
Control Module References
Transaxle Solenoids, Speed Sensors
EF7, F6, 8, 9, 13, 17, 20, 25, 27, 29 Fuses, Run/Crank, Outside Rearview Mirror, Liftgate Glass Relays
EF5, 13, 16, 24, 31, 32 Fuses, Starter, Park Lamp, Fuel Pump Relays
EF1, 4, 6, 17, 18, 19, 20, 23 Fuses
Park Lamps
Ground Distribution G201
Ground Distribution G201
Data Link Connector (DLC)
Figure 2:

Transaxle Solenoids and Speed Sensors


Object Number: 1817478  Size: FS
Master Electrical Component List
Control Module References
Transaxle Solenoids, Speed Sensors (RHD Short Body)
Module Power, Ground, Serial Data
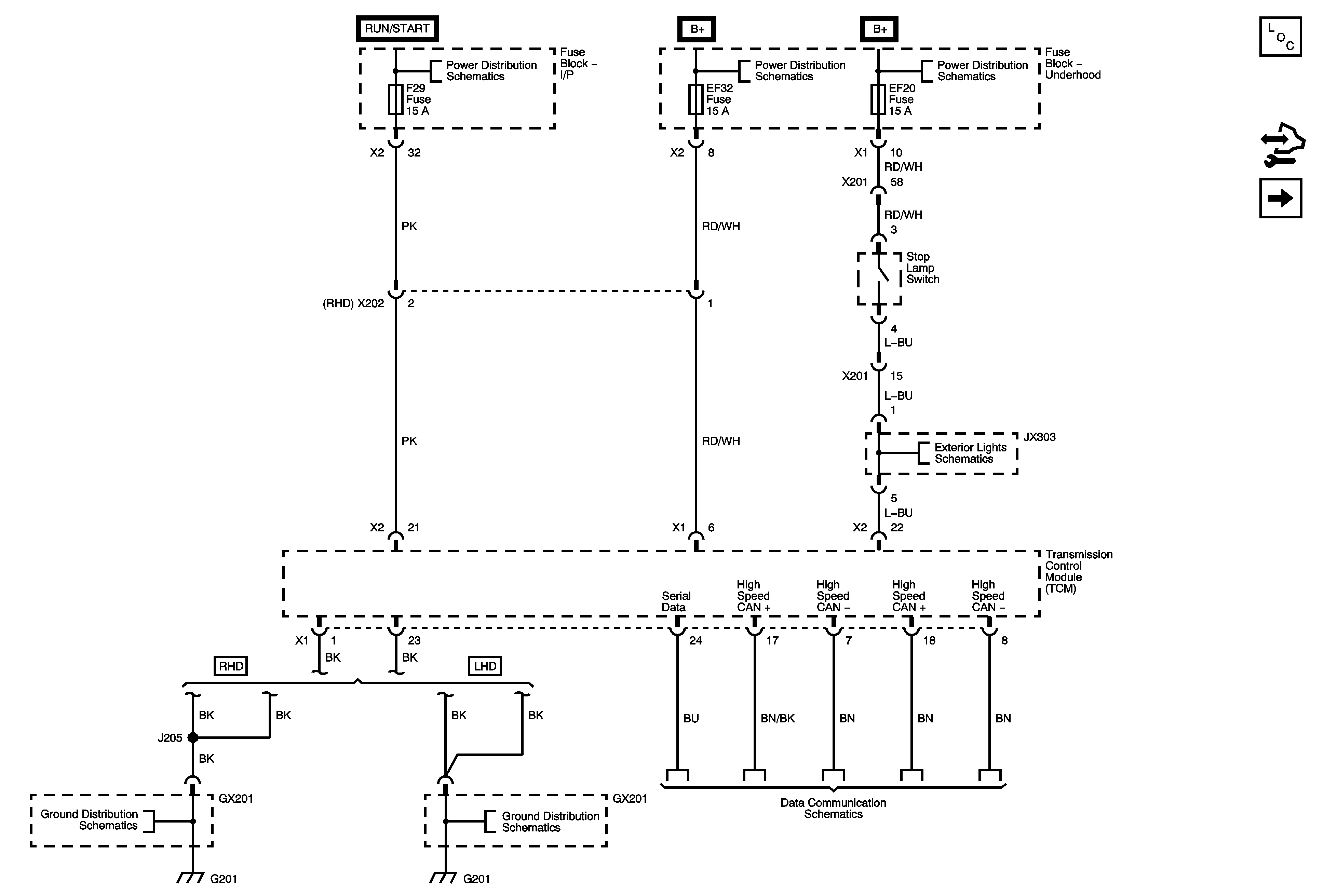
Figure 3:

Transaxle Solenoids, Speed Sensors (RHD Short Body)


Object Number: 1879107  Size: FS
Master Electrical Component List
Control Module References
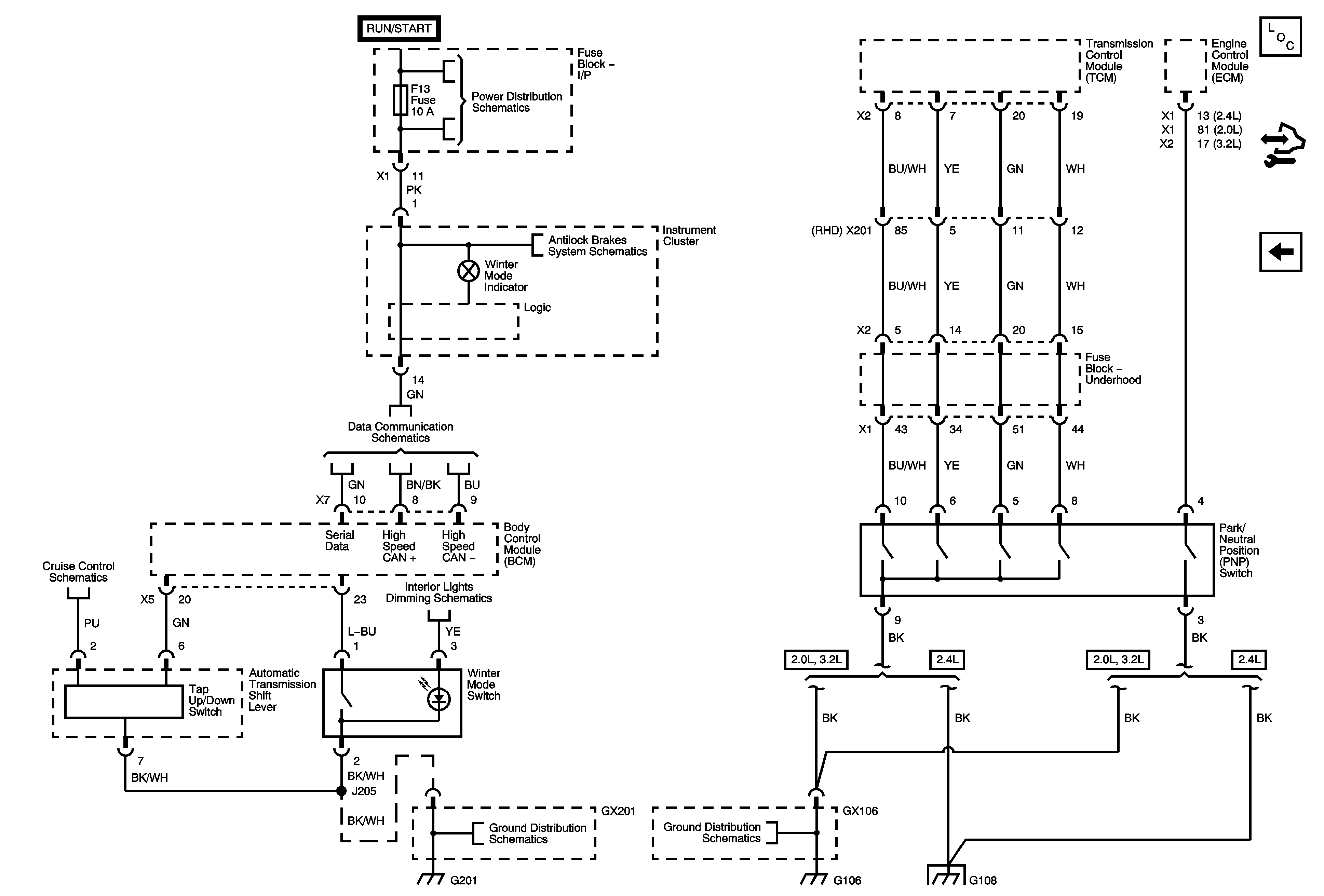
Park/Neutral Position (PNP) Switch, Winter Mode Switch
Transaxle Solenoids, Speed Sensors
Figure 4:

Park/Neutral Position (PNP) Switch, Winter Mode Switch


Object Number: 1817482  Size: FS
Master Electrical Component List
Control Module References
Transaxle Solenoids, Speed Sensors (RHD Short Body)
EF7, F6, 8, 9, 13, 17, 20, 25, 27, 29 Fuses, Run/Crank, Outside Rearview Mirror, Liftgate Glass Relays
Power, Ground, ESP and Oil Feed Connector
Data Link Connector (DLC)
Cruise Control Schematics
Ground Distribution G201
Ground Distribution G106, G107, G109, G110 (3.2L)
Ground Distribution G106 (2.0L Diesel)
Ground Distribution G108, G111 (2.4L)