GM Service Manual Online
For 1990-2009 cars only
Makes
🢒
Opel
🢒
2007
🢒
Antara
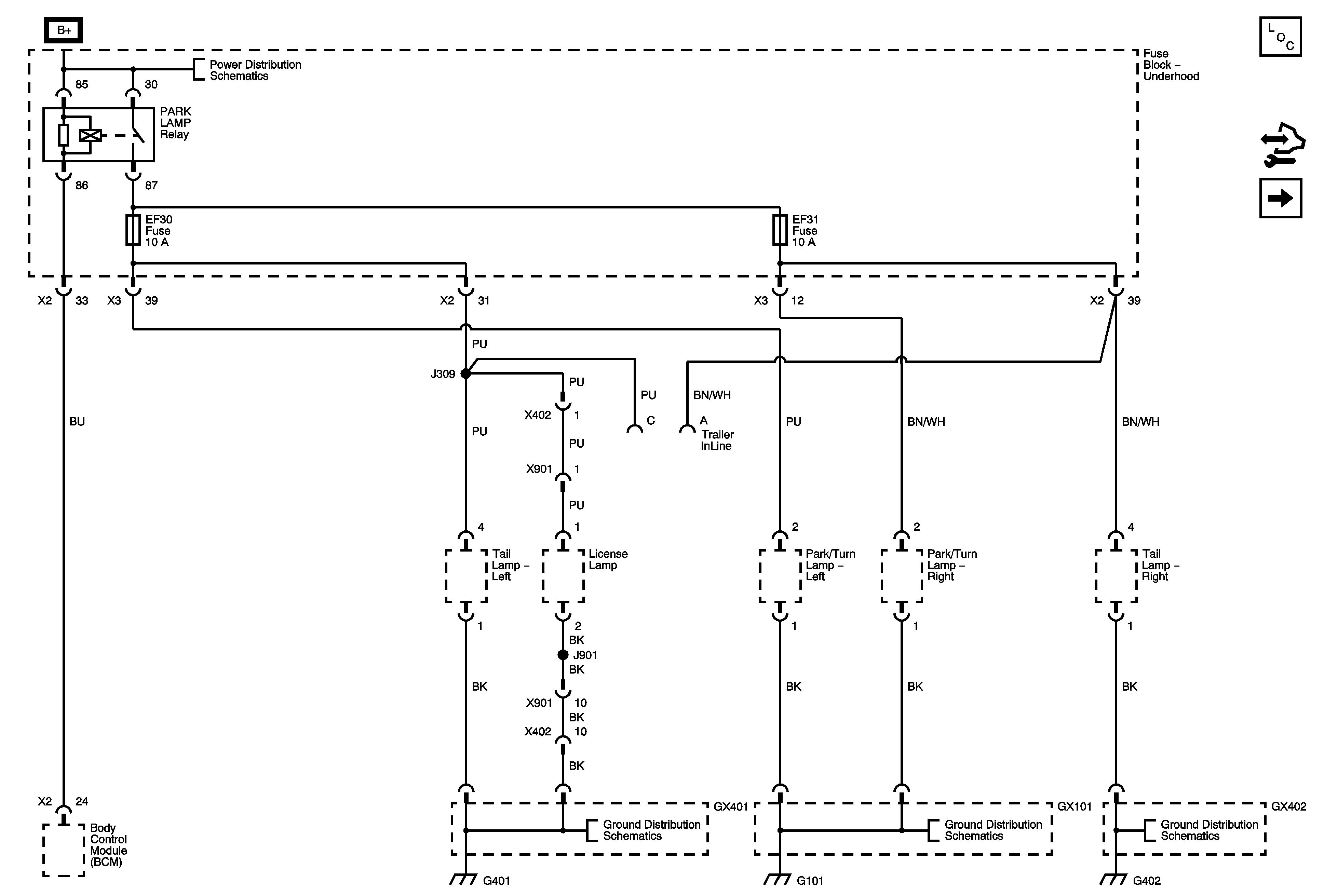
🢒 Park Lamps
Park Lamps
Park Lamps
Master Electrical Component List
Control Module References
Park Lamps - Short Body
EF25, 30 Fuses, Defog Relay, Ignition Switch
Ground Distribution G401
Ground Distribution G101, G103, G105
Ground Distribution G402