GM Service Manual Online
For 1990-2009 cars only
Makes
🢒
Opel
🢒
2007
🢒
Antara
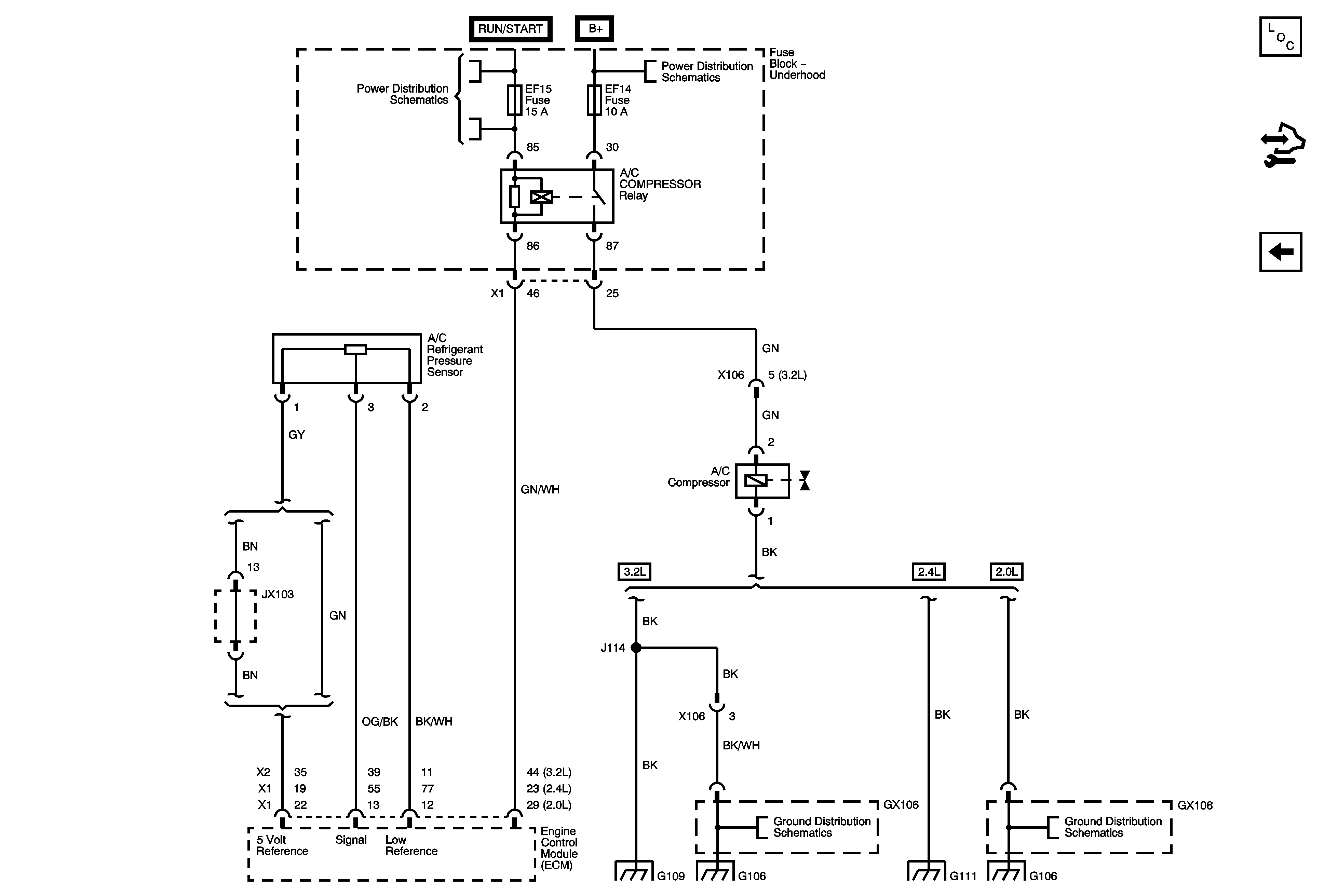
🢒 Compressor Controls
Compressor Controls
Compressor Controls
Master Electrical Component List
Control Module References
Temperature Sensors and Signals
EF10, 11, 12, 13, 15 Fuses, Main Relay (2.0L)
EF8, 9, 14 Fuses, A/C Compressor, Cooling Fan Relays
Ground Distribution G106, G107, G109, G110 (3.2L)
Ground Distribution G106, G107, G109, G110 (3.2L)
Ground Distribution G106, G107, G109, G110 (3.2L)
Ground Distribution G106, G107, G109, G110 (3.2L)
Ground Distribution G108, G111 (2.4L)
Ground Distribution G106, G107, G109, G110 (3.2L)