GM Service Manual Online
For 1990-2009 cars only
Makes
🢒
Opel
🢒
2007
🢒
Antara
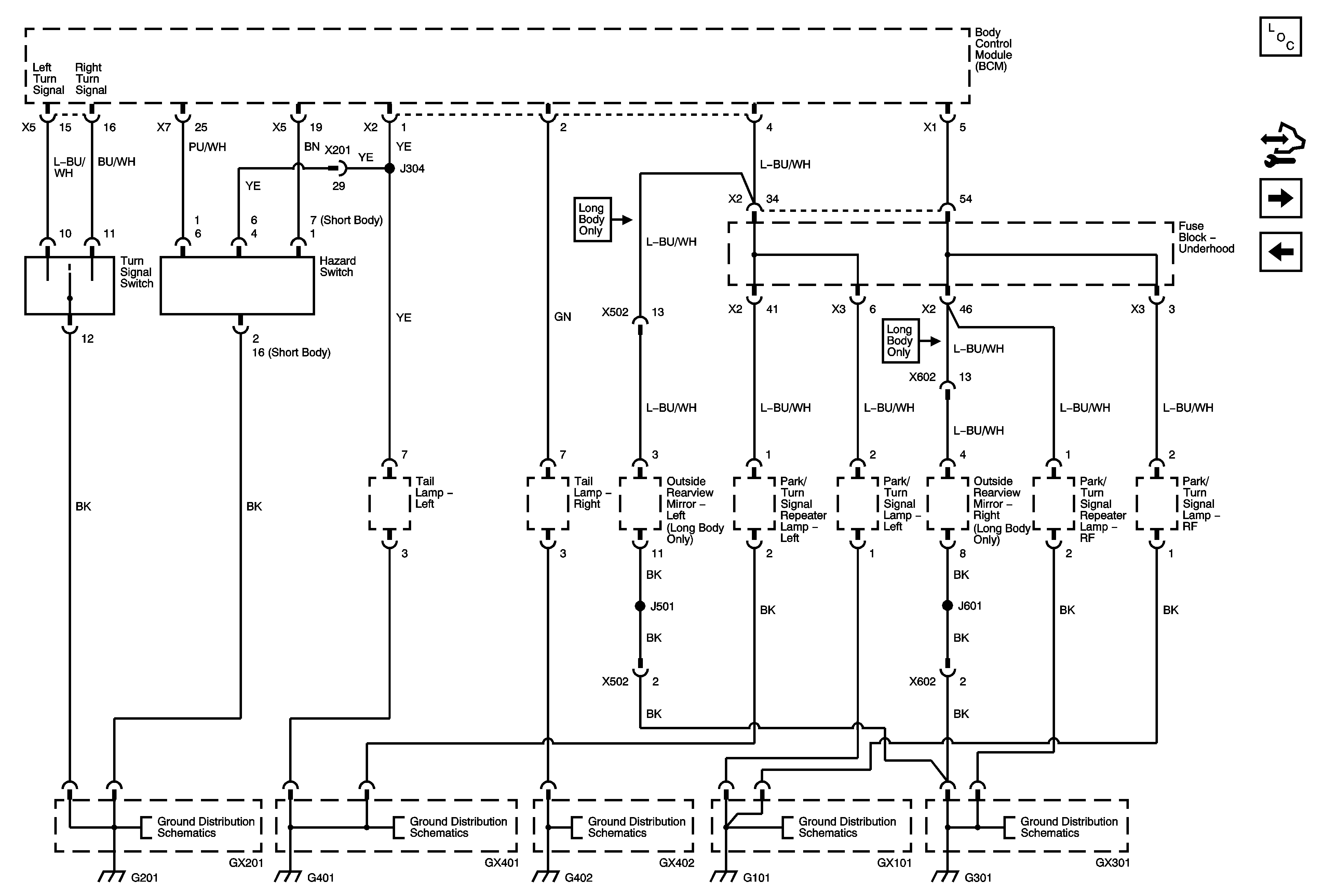
🢒 Turn Signal Lamps
Turn Signal Lamps
Turn Signal Lamps
Master Electrical Component List
Control Module References
Trailer Lighting
Stop and Back Up Lamps
Ground Distribution G201
Ground Distribution G401
Ground Distribution G402
Ground Distribution G101, G103, G105
Ground Distribution G301