GM Service Manual Online
For 1990-2009 cars only
Makes
🢒
Opel
🢒
2007
🢒
Antara
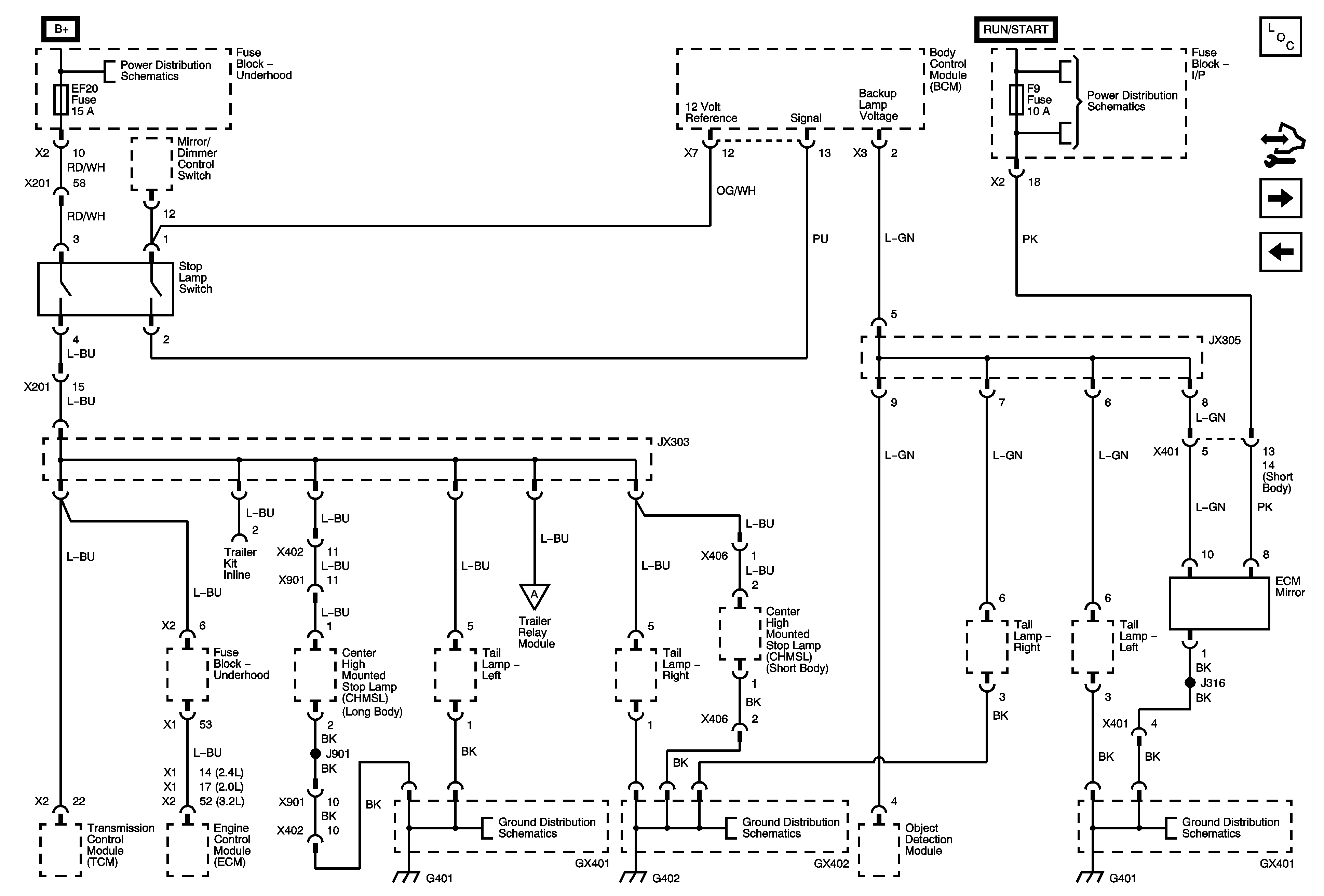
🢒 Stop and Back Up Lamps
Stop and Back Up Lamps
Stop and Back Up Lamps
Master Electrical Component List
Control Module References
Turn Signal Lamps
Park Lamps - Short Body
EF1, 4, 6, 17, 18, 19, 20, 23 Fuses
EF7, F6, 8, 9, 13, 17, 20, 25, 27, 29 Fuses, Run/Crank, Outside Rearview Mirror, Liftgate Glass Relays
Trailer Lighting
Ground Distribution G401
Ground Distribution G402
Ground Distribution G401