GM Service Manual Online
For 1990-2009 cars only
Makes
🢒
Opel
🢒
2007
🢒
Antara
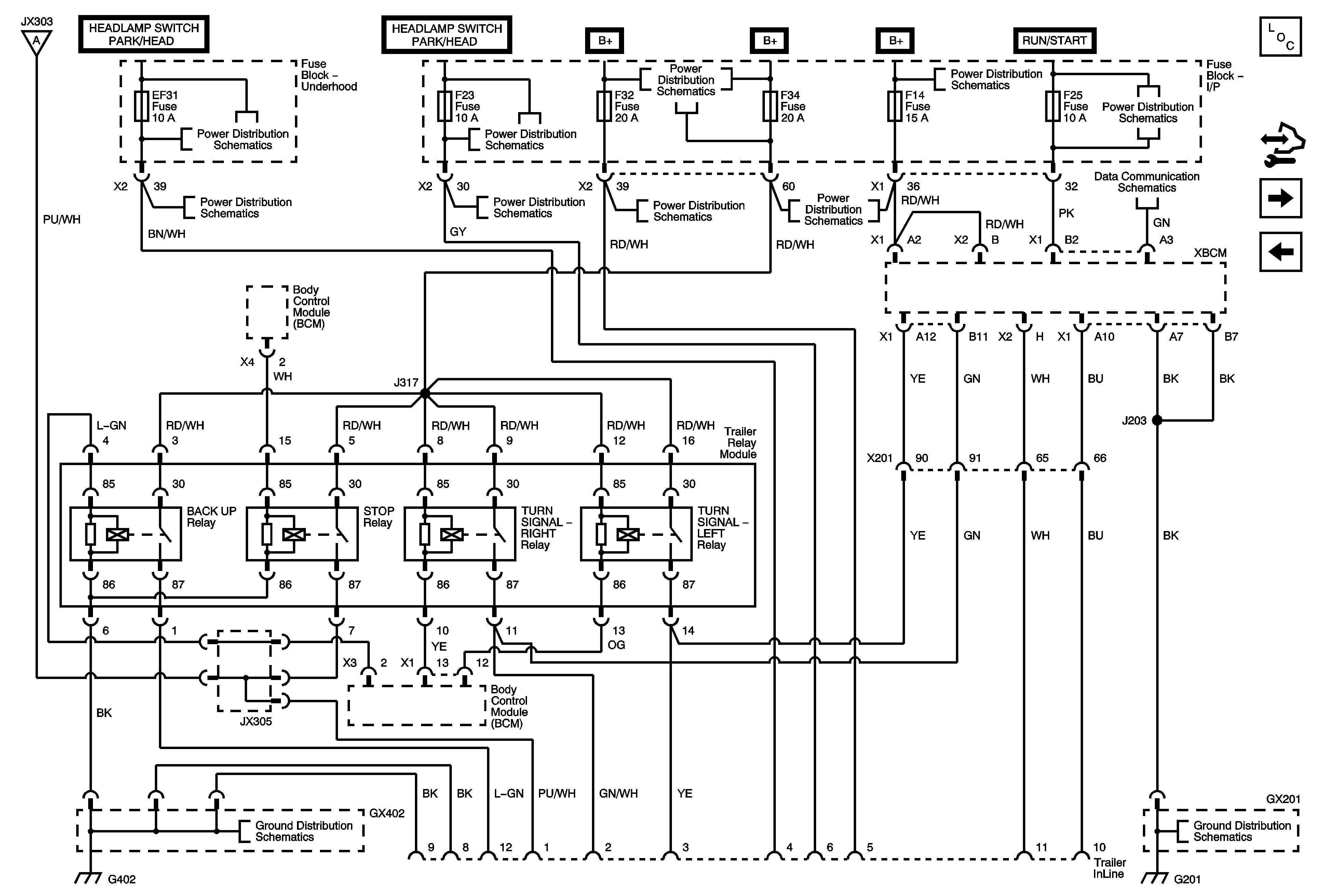
🢒 Trailer Lighting - Short Body
Trailer Lighting - Short Body
Trailer Lighting - Short Body
Master Electrical Component List
Control Module References
Trailer Lighting - V2S
Trailer Lighting
Stop and Back Up Lamps
EF2, F11, 12, 14, 16, 19, 24, 26, 31, 35 Fuses
EF30, EF31, F4, F21, F22, F23 Fuses (Short Body)
F3, 5, 28, 32, 34 Fuses, Front Washer Pump Relay
EF2, F11, 12, 14, 16, 19, 24, 26, 31, 35 Fuses
EF7, F6, 8, 9, 13, 17, 20, 25, 27, 29 Fuses, Run/Crank, Outside Rearview Mirror, Liftgate Glass Relays
EF2, F11, 12, 14, 16, 19, 24, 26, 31, 35 Fuses
EF30, EF31, F4, F21, F22, F23 Fuses (Short Body)
F3, 5, 28, 32, 34 Fuses, Front Washer Pump Relay
F3, 5, 28, 32, 34 Fuses, Front Washer Pump Relay
EF2, F11, 12, 14, 16, 19, 24, 26, 31, 35 Fuses
Data Link Connector (DLC)
Ground Distribution G402
Ground Distribution G201