GM Service Manual Online
For 1990-2009 cars only
Figure 1:

Module Power, Ground, Serial Data, MIL


Object Number: 1950214  Size: FS
Master Electrical Component List
Control Module References
Transaxle Solenoids and Speed Sensors
EF7, F6, 8, 9, 13, 17, 20, 25, 27, 29 Fuses, Run/Crank, Rear Fog Lamps, Outside Rearview Mirror, liftgate Glass Relays
EF5, 13, 16, 24, 31, 32 Fuses, Starter, Park Lamps, Fuel Pump Relays
EF1, 4, 16, 18, 19, 20, 23 Fuses
Stop and Backup Lamps
Data Link Connector (DLC)
G201 (1 of 2)
G201 (1 of 2)
Figure 2:

Transaxle Solenoids and Speed Sensors


Object Number: 1950674  Size: FS
Master Electrical Component List
Control Module References
Transaxle Solenoids, Speed Sensors, (RHD) C105/Short Body
Module Power, Ground, Serial Data, MIL
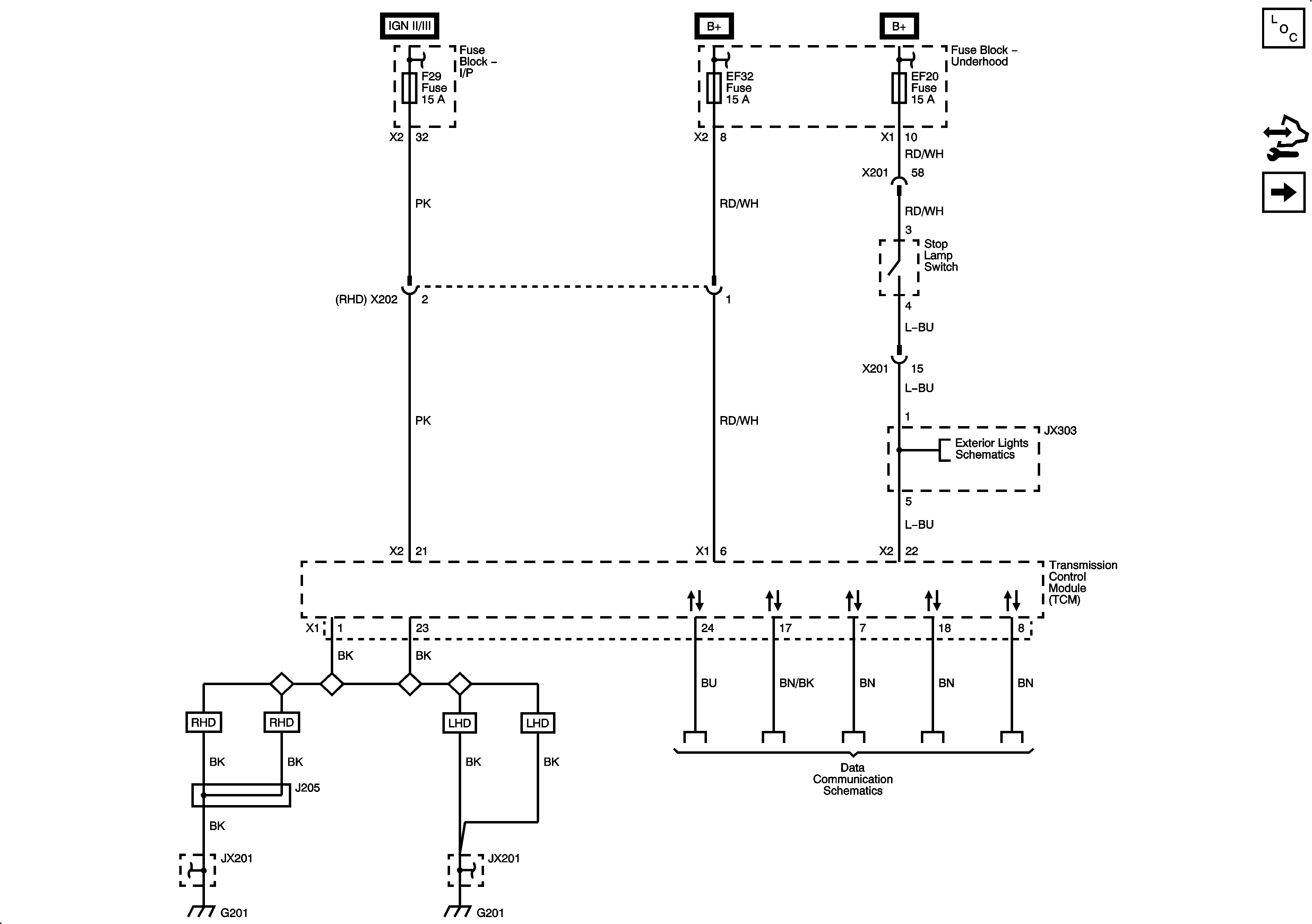
Figure 3:

Transaxle Solenoids, Speed Sensors (RHD) C105/Short Body


Object Number: 1950666  Size: FS
Master Electrical Component List
Control Module References
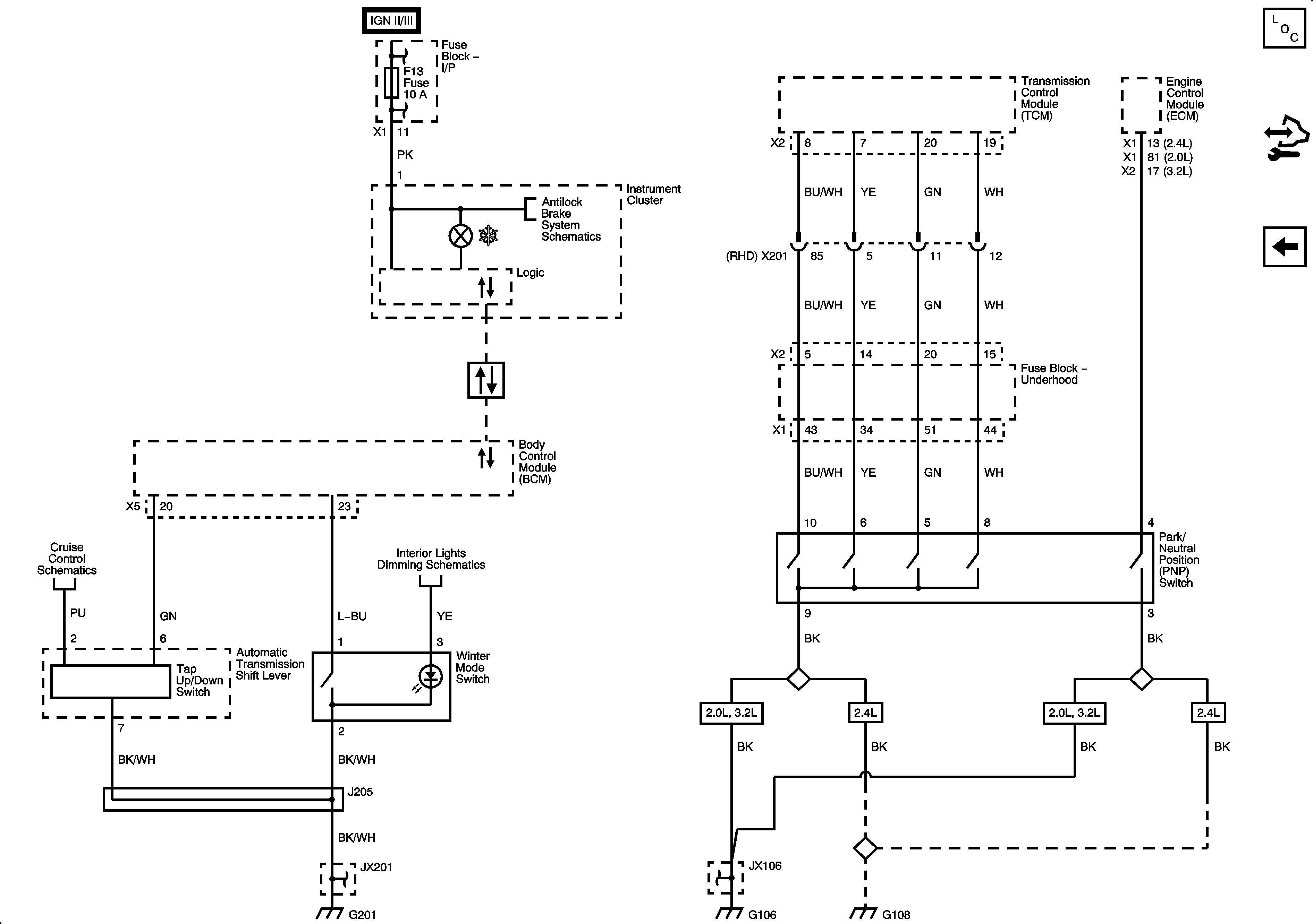
Park/Neutral Position (PNP) Switch, Winter Mode Switch
Transaxle Solenoids and Speed Sensors
Figure 4:

Park/Neutral Position (PNP) Switch, Winter Mode Switch


Object Number: 1950216  Size: FS
Master Electrical Component List
Control Module References
Transaxle Solenoids, Speed Sensors, (RHD) C105/Short Body
EF7, F6, 8, 9, 13, 17, 20, 25, 27, 29 Fuses, Run/Crank, Rear Fog Lamps, Outside Rearview Mirror, liftgate Glass Relays
EF7, F6, 8, 9, 13, 17, 20, 25, 27, 29 Fuses, Run/Crank, Rear Fog Lamps, Outside Rearview Mirror, liftgate Glass Relays
Power, Ground, ESC and Oil Feed Connector
Data Link Connector (DLC)
Cruise Control Schematics
Interior Lights - Dimming
G201 (1 of 2)
G106, G107, G109, G110 (3.2L)
G106 (2.0L Diesel)