GM Service Manual Online
For 1990-2009 cars only
Makes
🢒
Opel
🢒
2008
🢒
Antara
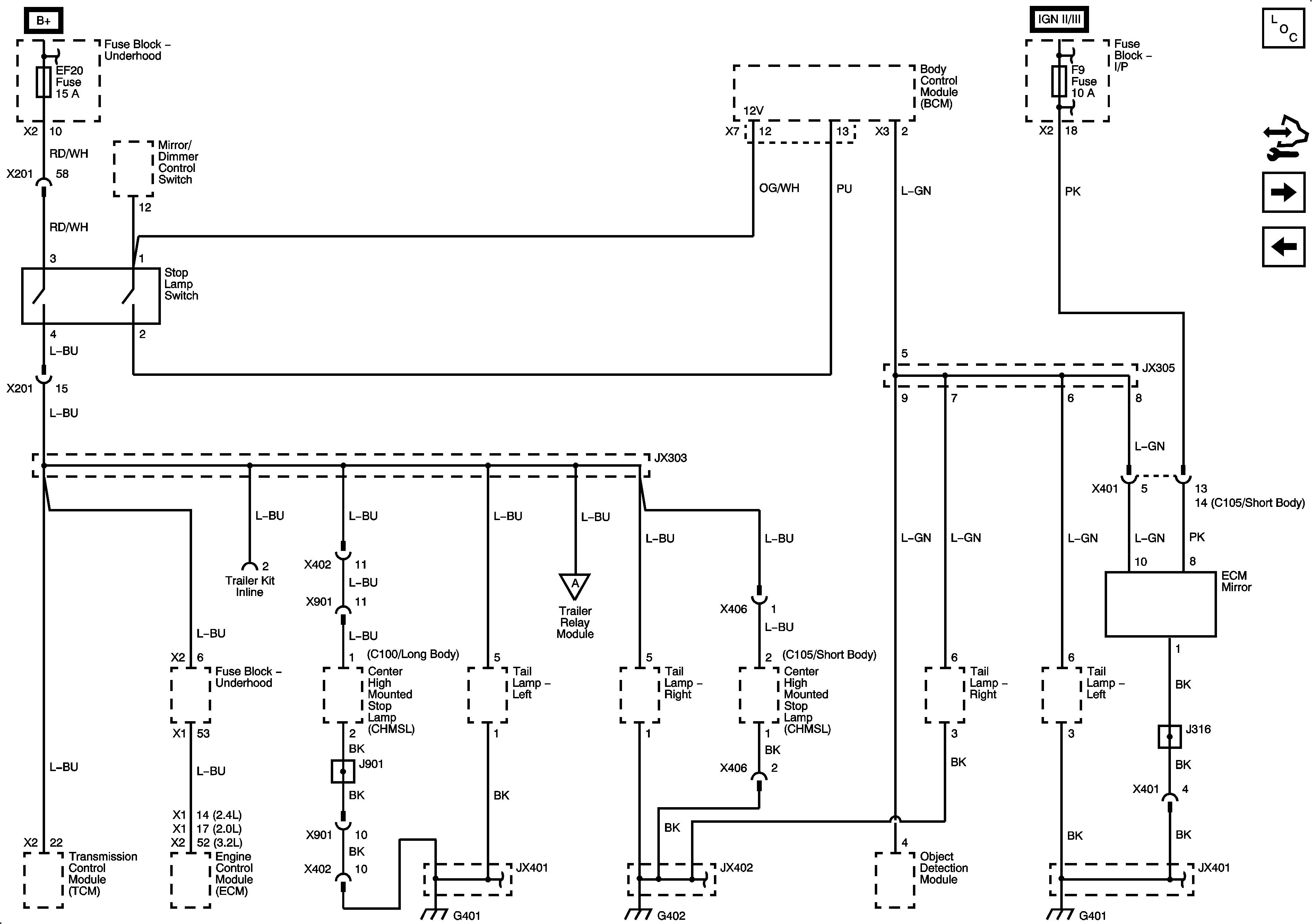
🢒 Stop and Backup Lamps
Stop and Backup Lamps
Stop and Back Up Lamps
Master Electrical Component List
Control Module References
Turn Signal Lamps
Park Lamps - C105/Short Body
EF1, 4, 16, 18, 19, 20, 23 Fuses
EF7, F6, 8, 9, 13, 17, 20, 25, 27, 29 Fuses, Run/Crank, Rear Fog Lamps, Outside Rearview Mirror, liftgate Glass Relays
Trailer Lighting - V92
G401 (2 of 2)
G402
G401 (2 of 2)