GM Service Manual Online
For 1990-2009 cars only
Makes
🢒
Opel
🢒
2008
🢒
Antara
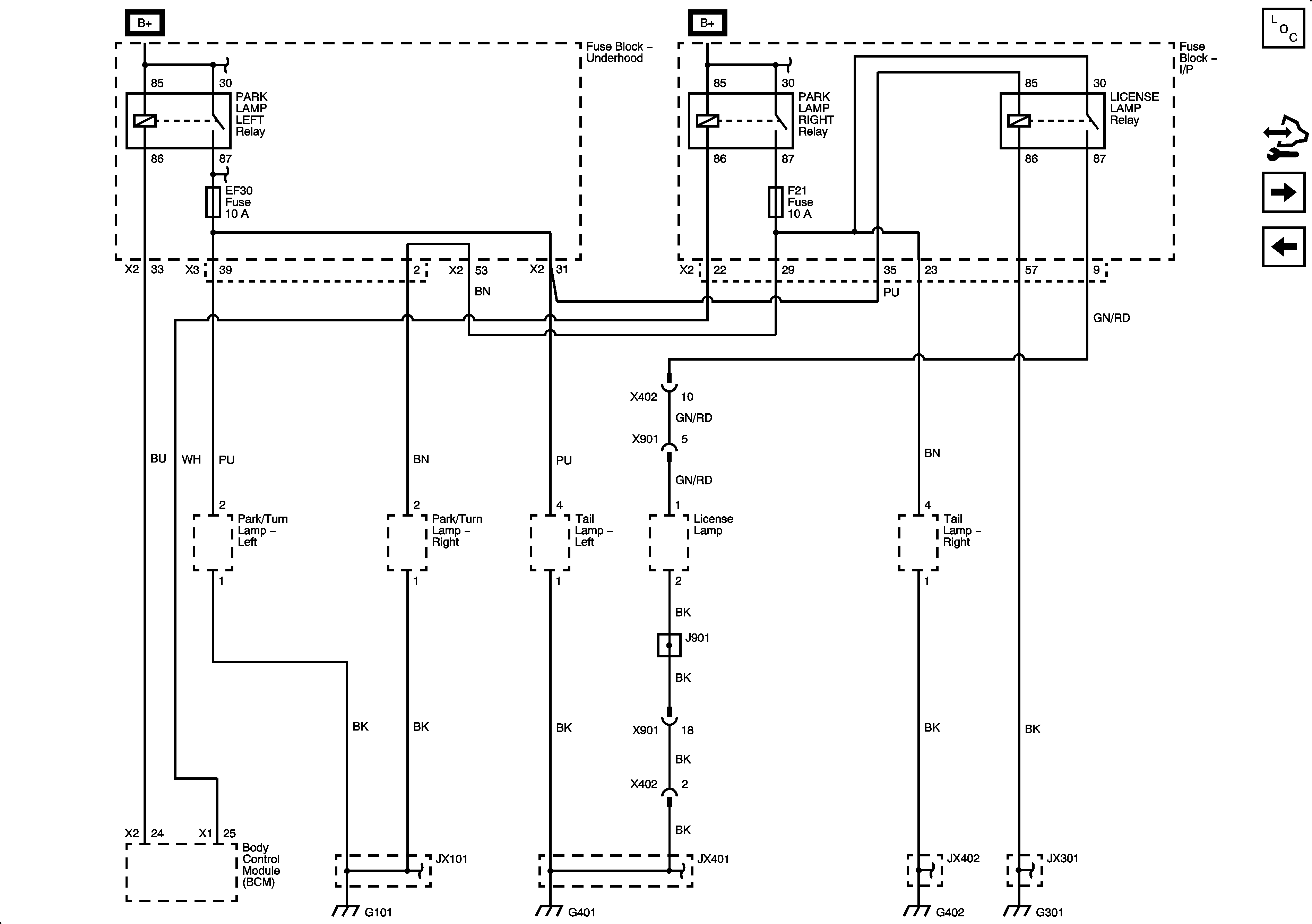
🢒 Park Lamps - C105/Short Body
Park Lamps - C105/Short Body
Park Lamps - C105/Short Body
Master Electrical Component List
Control Module References
Stop and Backup Lamps
Park Lamps
EF30, EF31, F4, F21, F22, F23 Fuses
EF30, EF31, F4, F21, F22, F23 Fuses
EF30, EF31, F4, F21, F22, F23 Fuses
G101, G103, G105
G401 (2 of 2)
G402
G301 (2 of 3)