GM Service Manual Online
For 1990-2009 cars only
Makes
🢒
Opel
🢒
2008
🢒
Antara
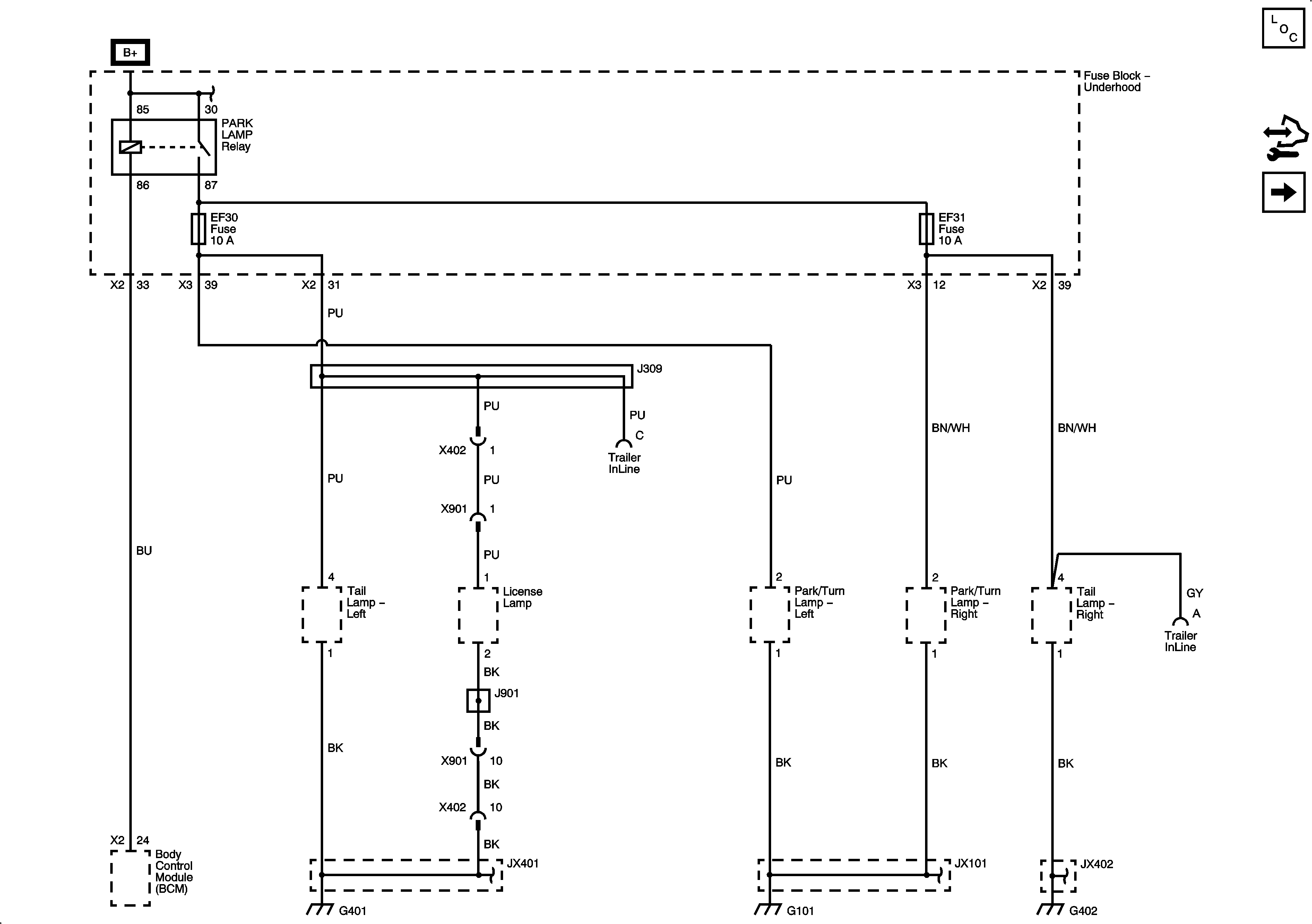
🢒 Park Lamps
Park Lamps
Park Lamps
Master Electrical Component List
Control Module References
Park Lamps - C105/Short Body
EF30, EF31, F4, F21, F22, F23 Fuses
G401 (2 of 2)
G101, G103, G105
G402