GM Service Manual Online
For 1990-2009 cars only
Makes
🢒
Opel
🢒
2008
🢒
Antara
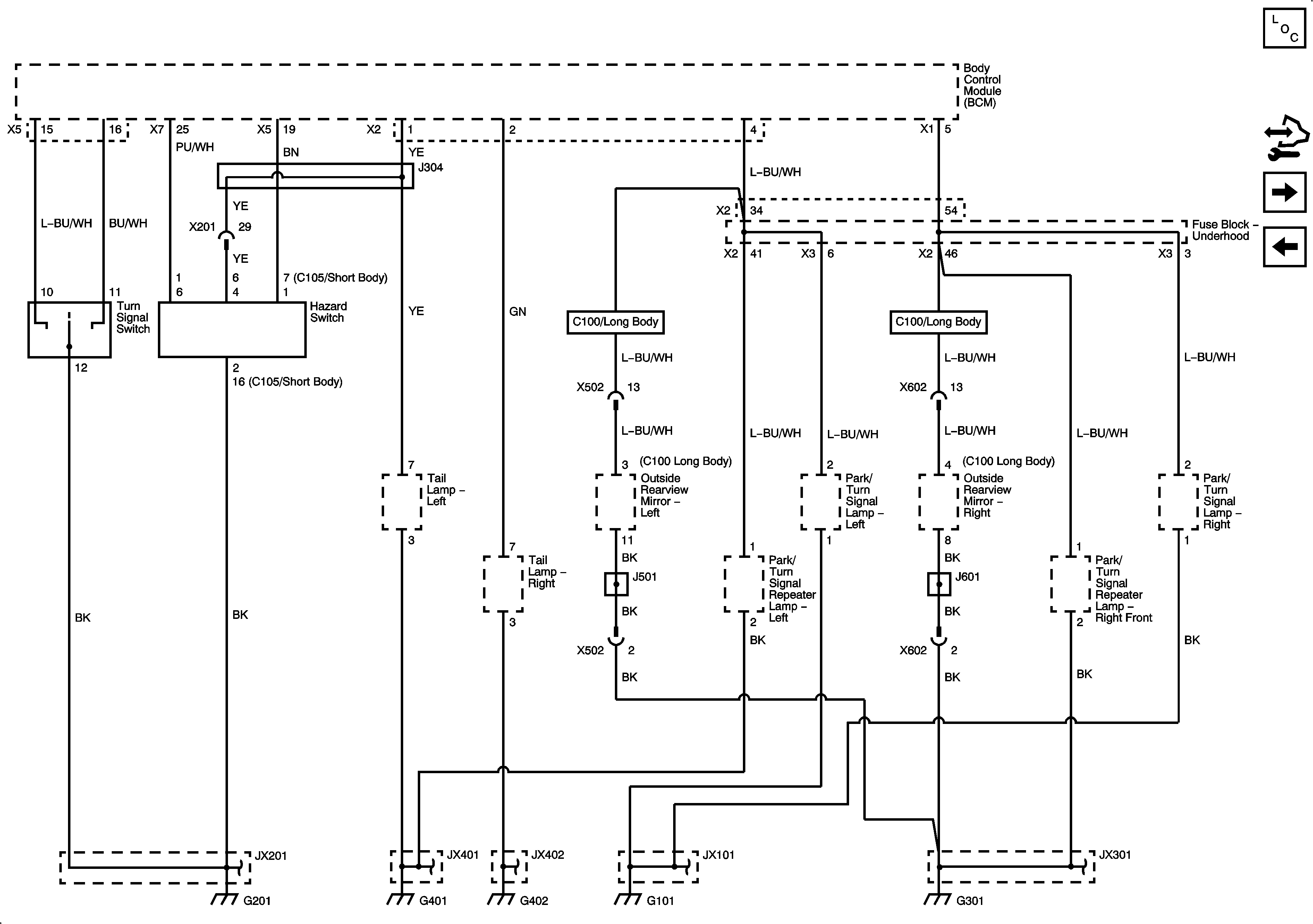
🢒 Turn Signal Lamps
Turn Signal Lamps
Turn Signal Lamps
Master Electrical Component List
Control Module References
Trailer Lighting - V92
Stop and Backup Lamps
G201 (1 of 2)
G401 (2 of 2)
G402
G101, G103, G105
G301 (1 of 3)