GM Service Manual Online
For 1990-2009 cars only
Makes
🢒
Opel
🢒
2007
🢒
GT
🢒
Diagnostic Navigation
🢒
Vehicle Diagnostic Information
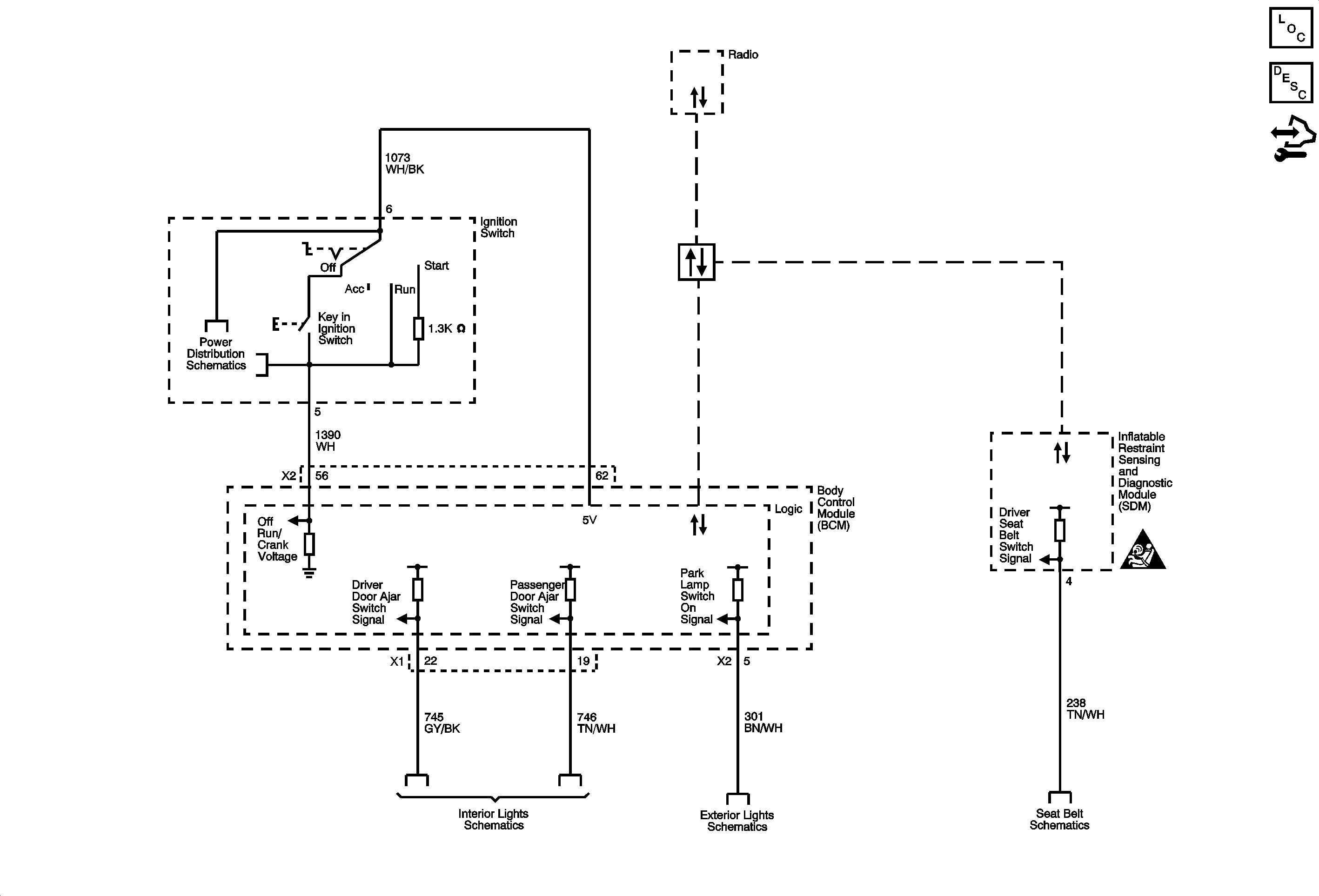
🢒 Audible Warnings Schematics
Master Electrical Component List
Audible Warnings Description and Operation
Control Module References
Data Communication Schematics
Ignition Switch Modes
SIR Schematic Icons
Interior Lights Schematics
Hazard and Park Lamps
Seat Belts Schematics