GM Service Manual Online
For 1990-2009 cars only
Makes
🢒
Opel
🢒
2007
🢒
GT
🢒 Seat Belts Schematics
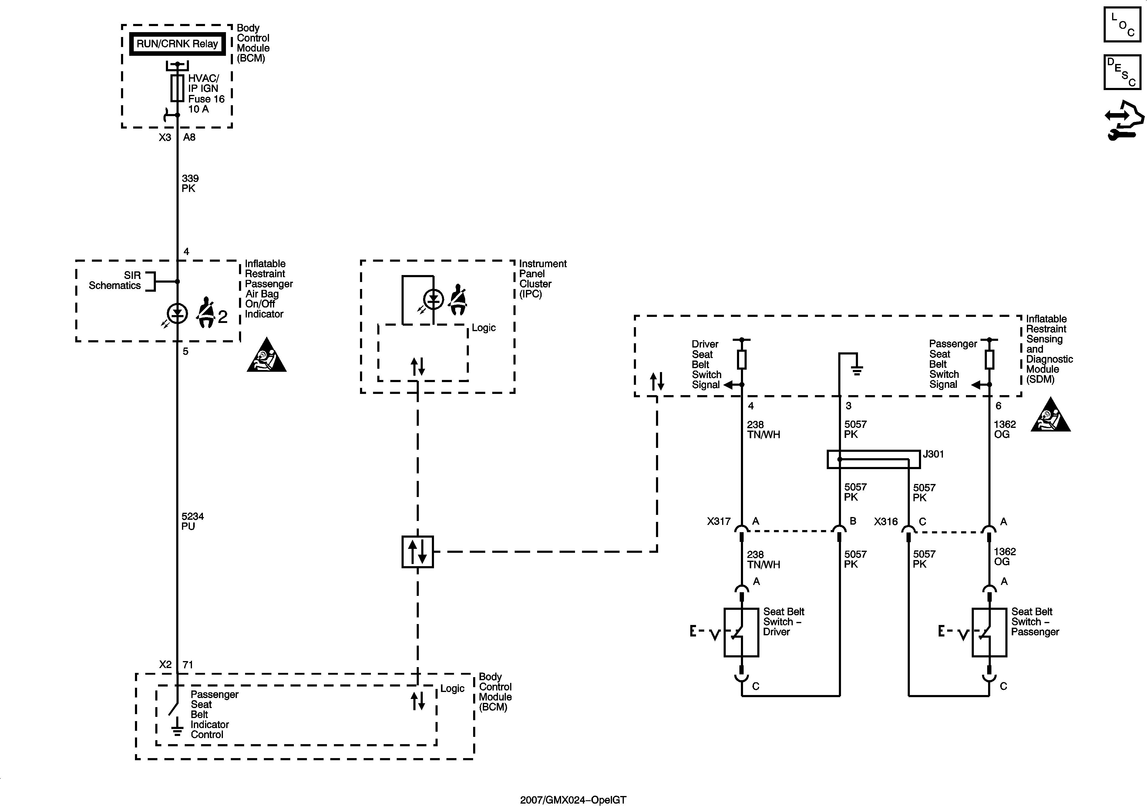
Seat Belts Schematics
Master Electrical Component List
Seat Belt System Description and Operation
Control Module References
TANK VENT, OUTLET, IP IGN, BACKUP, ABS, and ECM TRANS Fuses
Passenger Presence System (PPS)
Seat Belt Schematic Icons
Seat Belt Schematic Icons
Data Communication Schematics