GM Service Manual Online
For 1990-2009 cars only
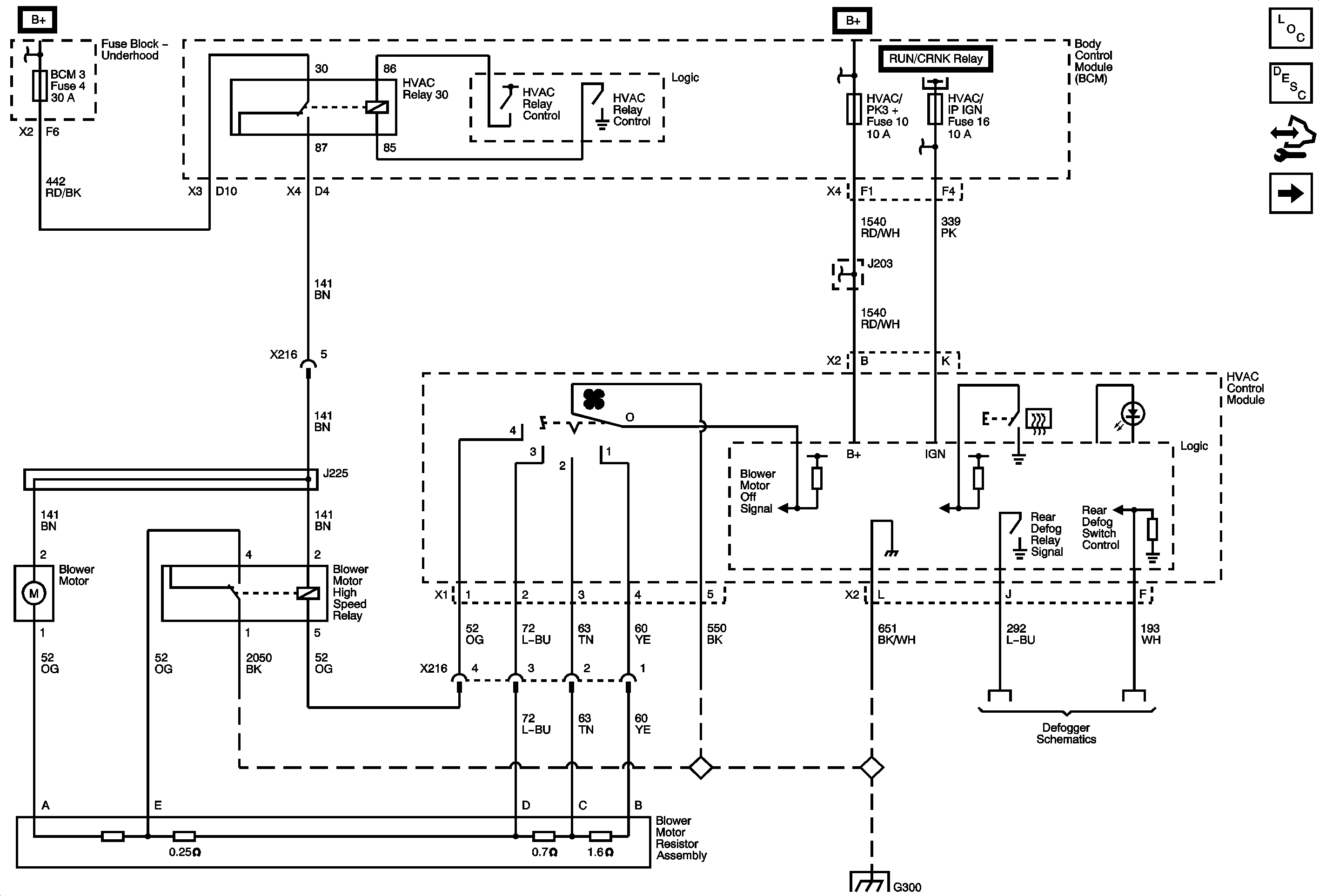
Figure 1:

Ground, Power, and Blower Controls


Object Number: 1855130  Size: FS
Master Electrical Component List
Air Delivery Description and Operation
Control Module References
Air Delivery and Temperature Controls
HVAC/PK3, AUDIO AMPLIFIER, WIPERS, HVAC/IP IGN, RESRAINTS, and EPS/SWC Fuses
TANK VENT, OUTLET, IP IGN, BACKUP, ABS, and ECM TRANS Fuses
HVAC/PK3, AUDIO AMPLIFIER, WIPERS, HVAC/IP IGN, RESRAINTS, and EPS/SWC Fuses
Defogger Schematics
G300 - 2 of 2
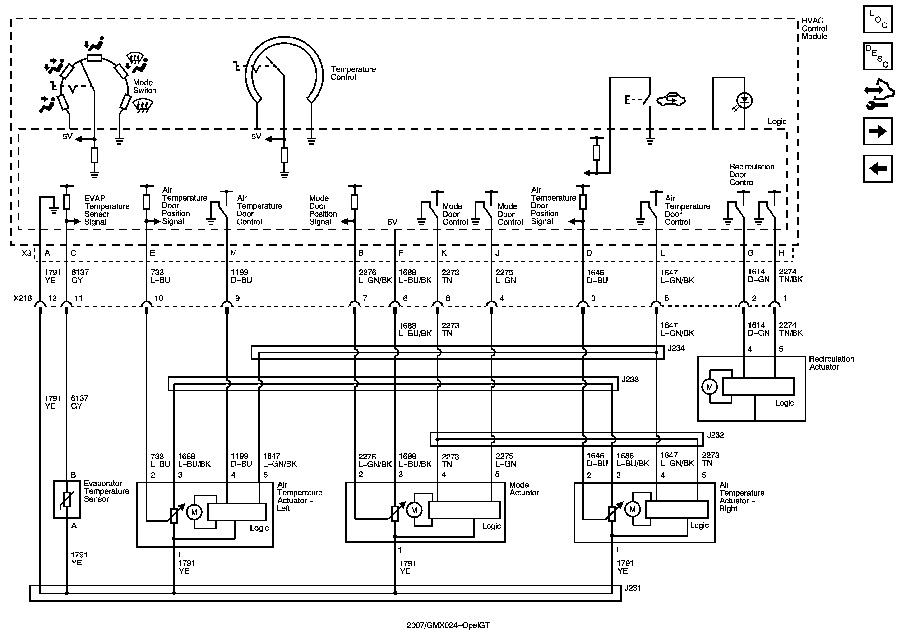
Figure 2:

Air Delivery and Temperature Controls


Object Number: 1855132  Size: FS
Master Electrical Component List
Air Temperature Description and Operation
Control Module References
Compressor Controls
Ground, Power, and Blower Controls
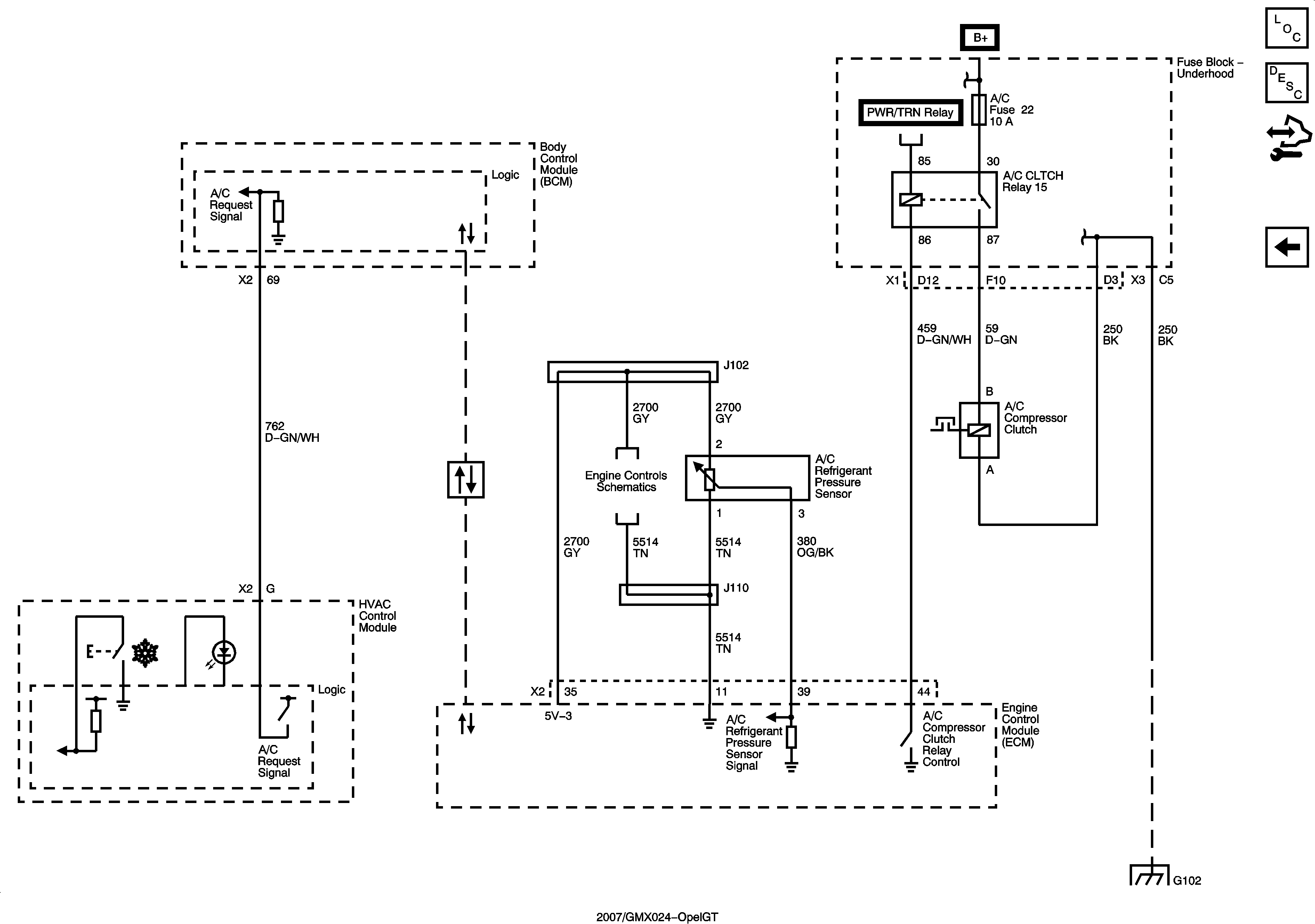
Figure 3:

Compressor Controls


Object Number: 1855134  Size: FS
Master Electrical Component List
Air Temperature Description and Operation
Control Module References
Air Delivery and Temperature Controls
B+ Bus Bar - 1 of 2
Data Communication Schematics
Data Link, Ground, MIL, and Power
G101 and G102