GM Service Manual Online
For 1990-2009 cars only
Makes
🢒
Opel
🢒
2008
🢒
GT
🢒
Engine
🢒
Cruise Control
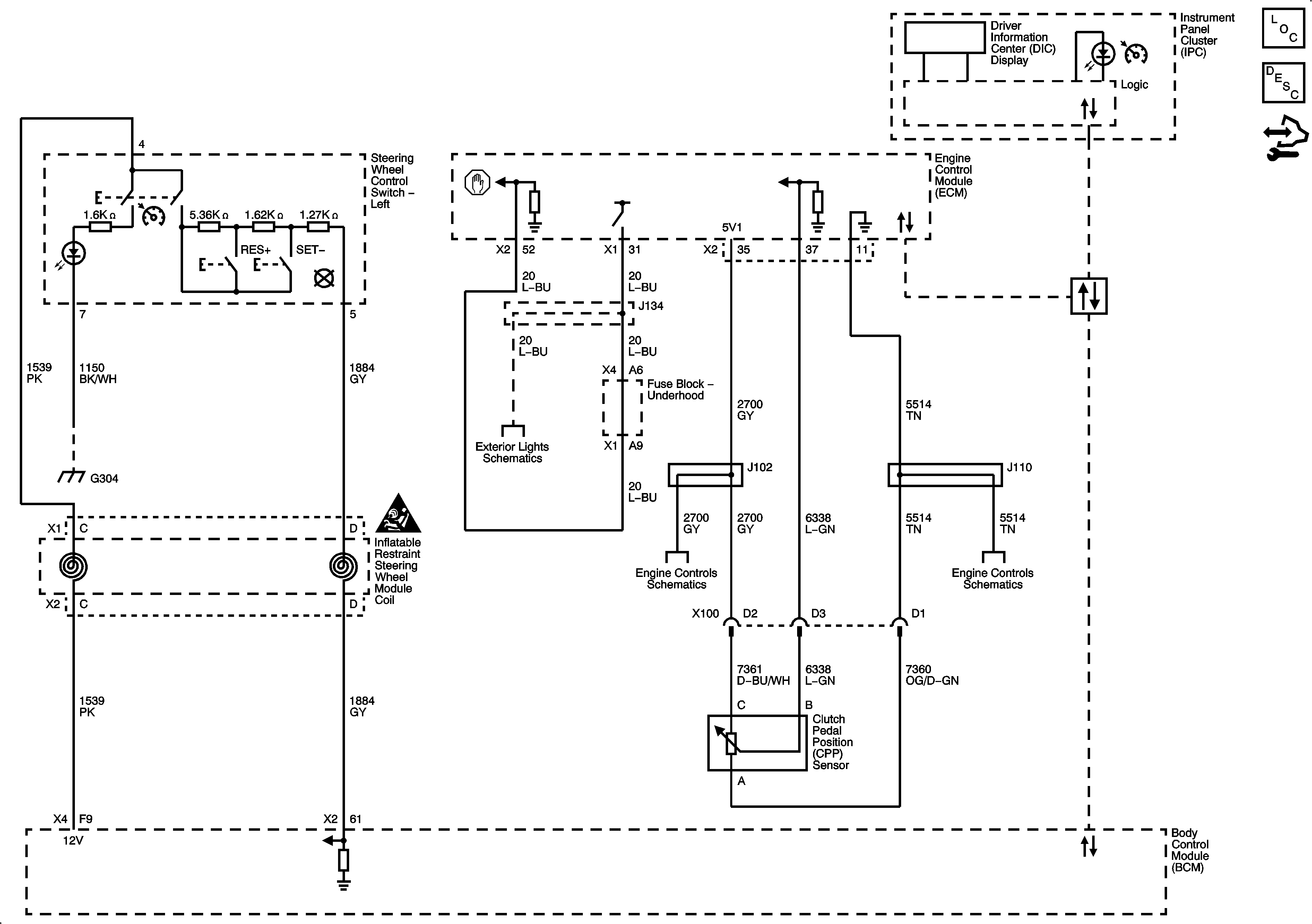
🢒 Cruise Control Schematics
Master Electrical Component List
Cruise Control Description and Operation
Control Module References
ECM/TRANS, I/P/ IGN, OUTLET/LTR, AIRBAG, EPS/STR WHL CNTRL, HVAC/IP IGN, WPR, CAN VENT, BCK/UP LAMP, and ABS Fuses
ECM/TRANS, I/P/ IGN, OUTLET/LTR, AIRBAG, EPS/STR WHL CNTRL, HVAC/IP IGN, WPR, CAN VENT, BCK/UP LAMP, and ABS Fuses
Data Communication Schematics
Ignition Controls - Sensors
Ignition Controls - Sensors
G103, G104, G105, G106, G304