GM Service Manual Online
For 1990-2009 cars only
Makes
🢒
Opel
🢒
2008
🢒
GT
🢒 Ignition Controls - Sensors
Ignition Controls - Sensors
Ignition Controls - Sensors
Master Electrical Component List
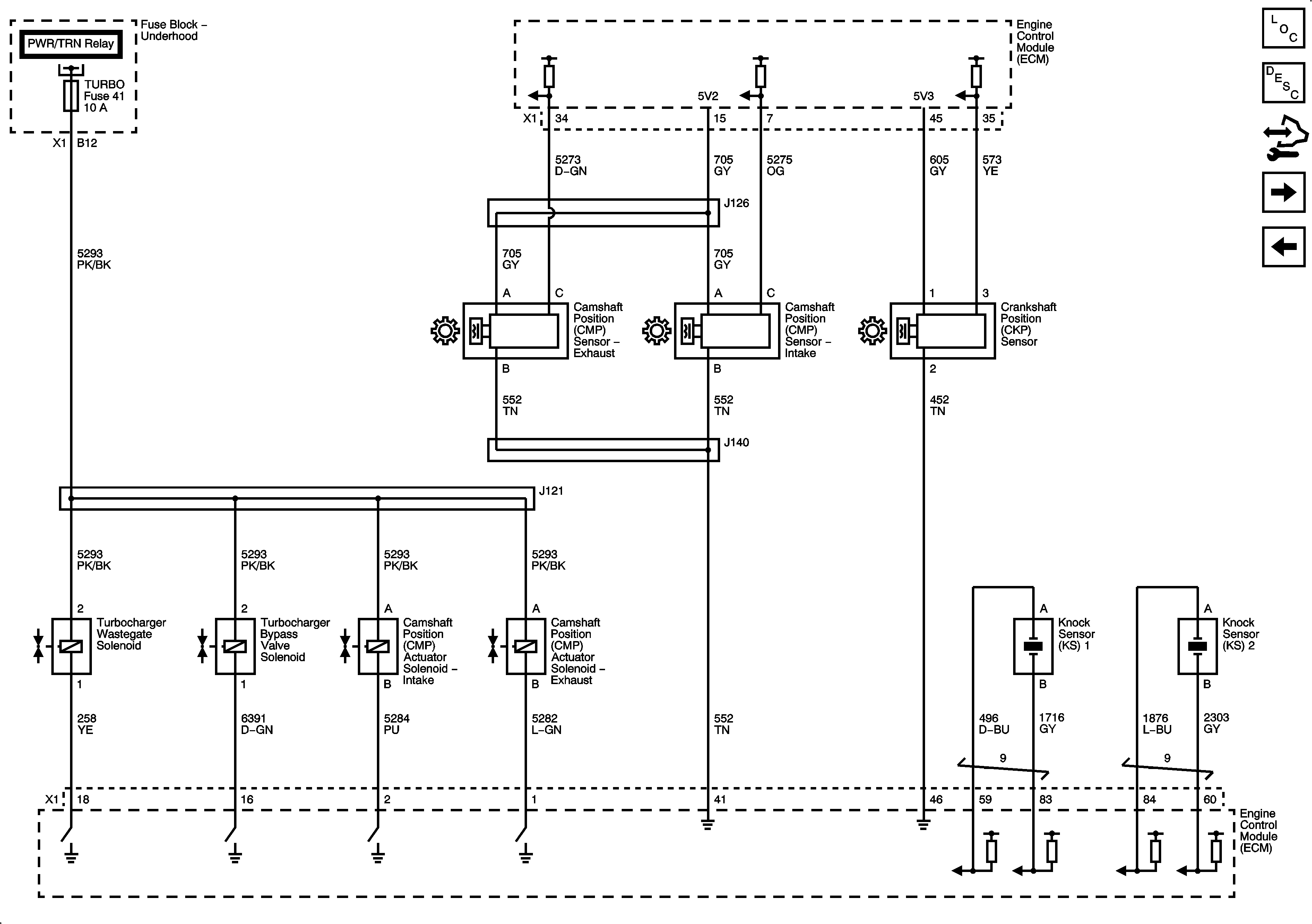
Camshaft Actuator System Description
Control Module References
Fuel Controls - Fuel Pump Controls and Fuel Injectors
Engine Data Sensors - Electronic Throttle Controls
Fuel Controls - Fuel Pump Controls and Fuel Injectors
Fuel Controls - Fuel Pump Controls and Fuel Injectors
DLC, ECM, EXH, INJ IGN MDL, and TURBO Fuses
DLC, ECM, EXH, INJ IGN MDL, and TURBO Fuses
Compressor Controls
Compressor Controls