GM Service Manual Online
For 1990-2009 cars only
Makes
🢒
Opel
🢒
2008
🢒
GT
🢒
Diagnostic Navigation
🢒
Vehicle Diagnostic Information
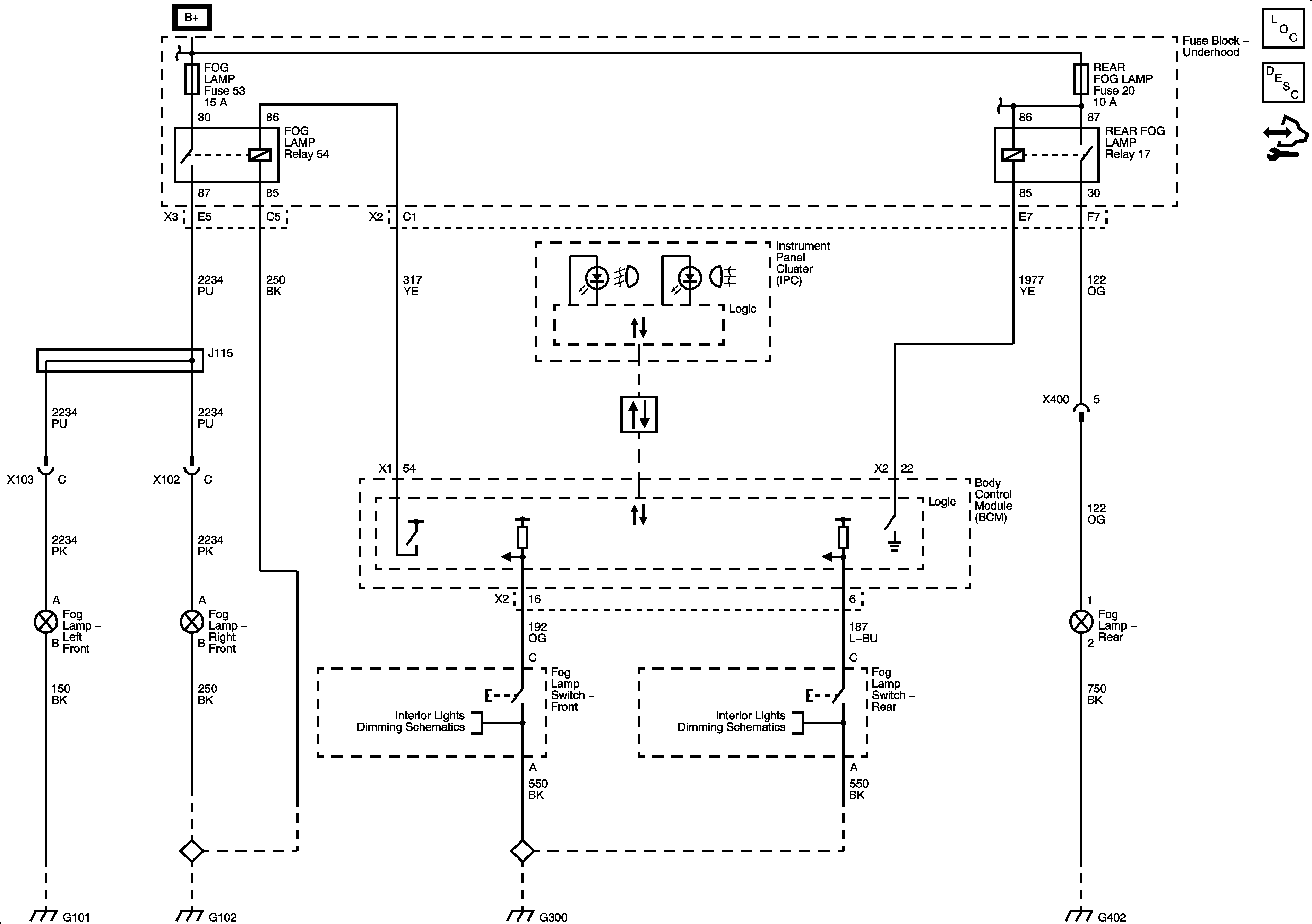
🢒 Fog Lights Schematics
Master Electrical Component List
Exterior Lighting Systems Description and Operation
Control Module References
B+ Bar - 2 of 2
B+ Bar - 2 of 2
Data Communication Schematics
Lights
Lights
G101 and G102
G101 and G102
G300 - 2 of 2
G301, G302, G303, G400, G402