GM Service Manual Online
For 1990-2009 cars only
Makes
🢒
Opel
🢒
2008
🢒
GT
🢒 Hydraulic Brakes Schematics
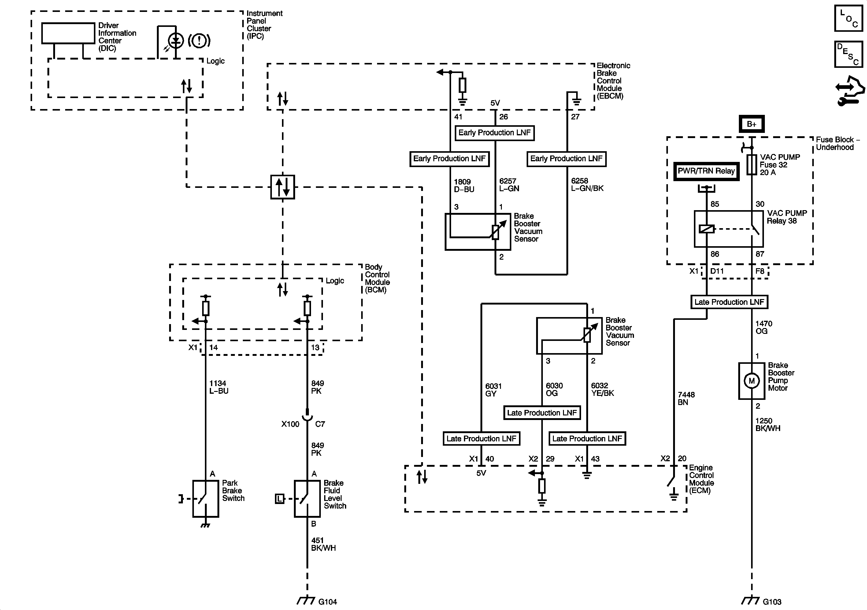
Hydraulic Brakes Schematics
Master Electrical Component List
Brake Warning System Description and Operation
Control Module References
Data Communication Schematics
DLC, ECM, EXH, INJ IGN MDL, and TURBO Fuses
B+ Bar - 2 of 2
G103, G104, G105, G106, G304
G103, G104, G105, G106, G304