GM Service Manual Online
For 1990-2009 cars only
Makes
🢒
Opel
🢒
2008
🢒
GT
🢒 Ignition Controls - Ignition System
Ignition Controls - Ignition System
Ignition Controls - Ignition System
Master Electrical Component List
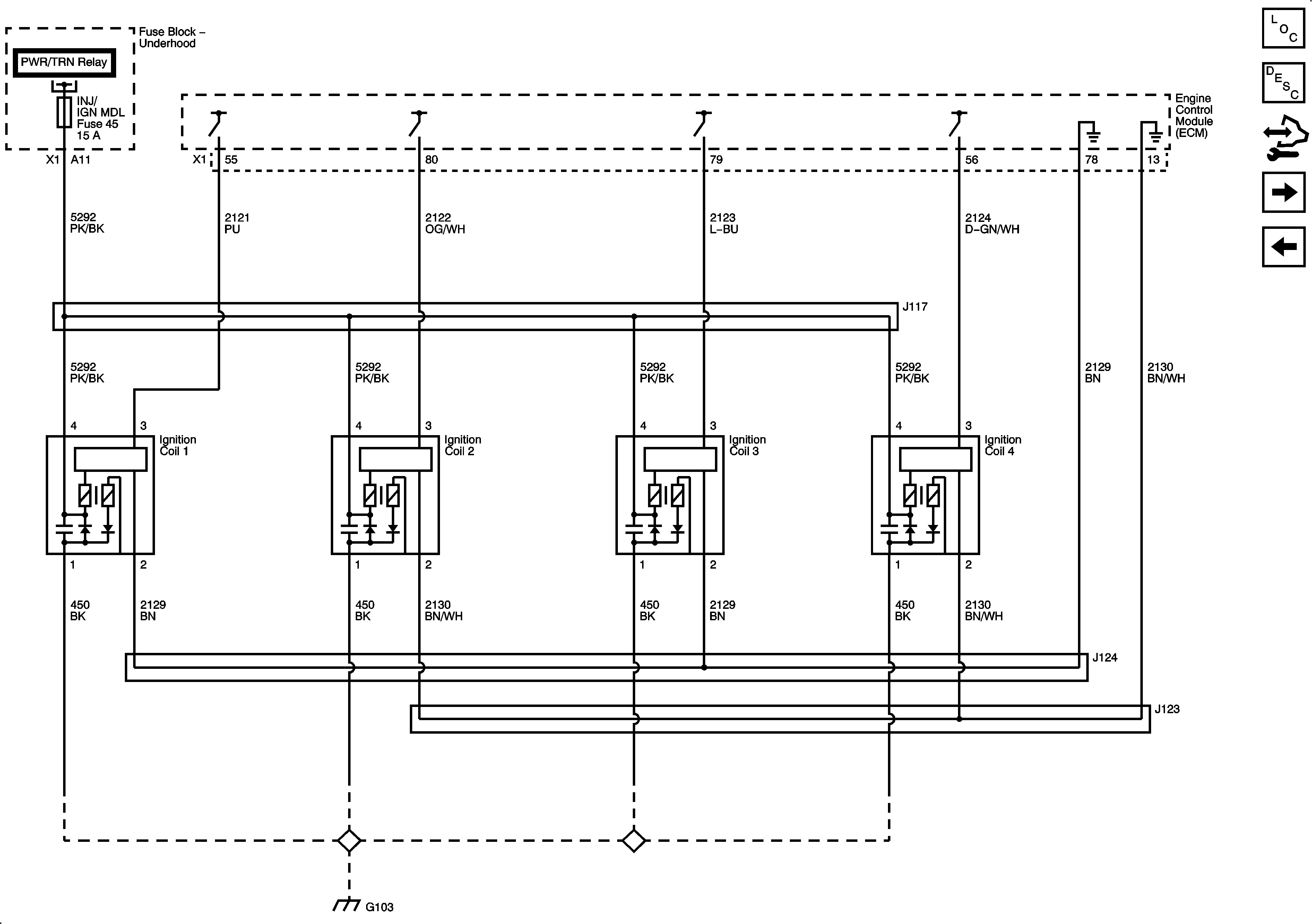
Electronic Ignition (EI) System Description
Control Module References
Fuel Controls - EVAP Controls
Fuel Controls - Fuel Pump Controls and Fuel Injectors
DLC, ECM, EXH, INJ IGN MDL, and TURBO Fuses
DLC, ECM, EXH, INJ IGN MDL, and TURBO Fuses
G103, G104, G105, G106, G304