GM Service Manual Online
For 1990-2009 cars only
Makes
🢒
Opel
🢒
2008
🢒
GT
🢒 DLC, ECM, EMISSIONS, IGN IGN MDL, and TURBO Fuses
DLC, ECM, EMISSIONS, IGN IGN MDL, and TURBO Fuses
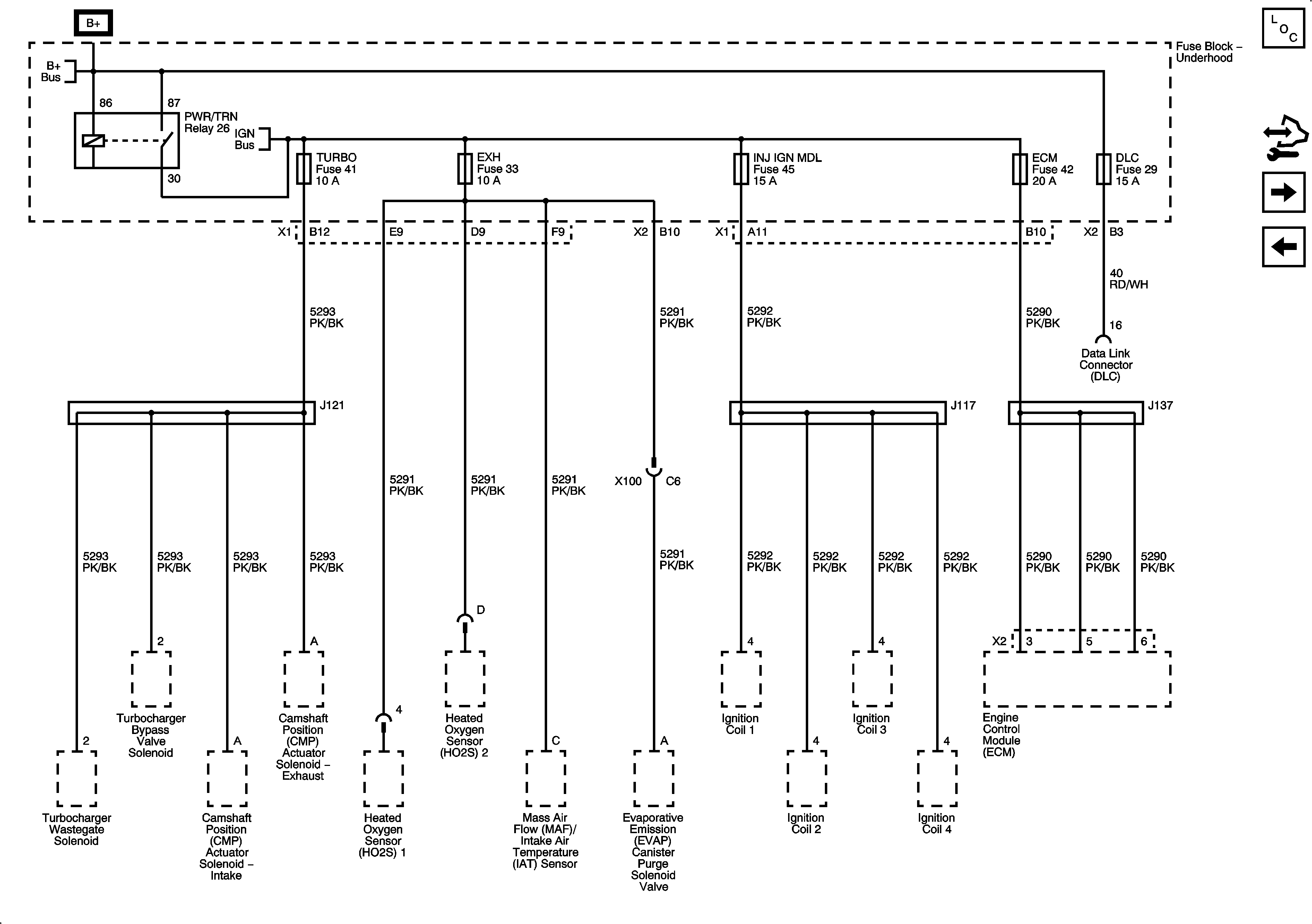
DLC, ECM, EXH, INJ IGN MDL, and TURBO Fuses
Master Electrical Component List
Control Module References
MIR, COOLING FAN, ABS, RKE Fuses and PWR SEATS Circuit Breaker
ECM/TRANS, I/P IGN, OUTLET, CAN VENT, AIRBAG, EPS/STR WHL CNTRL, HVAC/IP IGN, and WPR Fuses
B+ Bar (1 of 2)
B+ Bar (1 of 2)
B+ Bar (1 of 2)
B+ Bar (1 of 2)
Low Speed LAN