GM Service Manual Online
For 1990-2009 cars only
Makes
🢒
Opel
🢒
2009
🢒
GT
🢒
Brakes
🢒
Antilock Brake System
🢒 Antilock Brake System Schematics
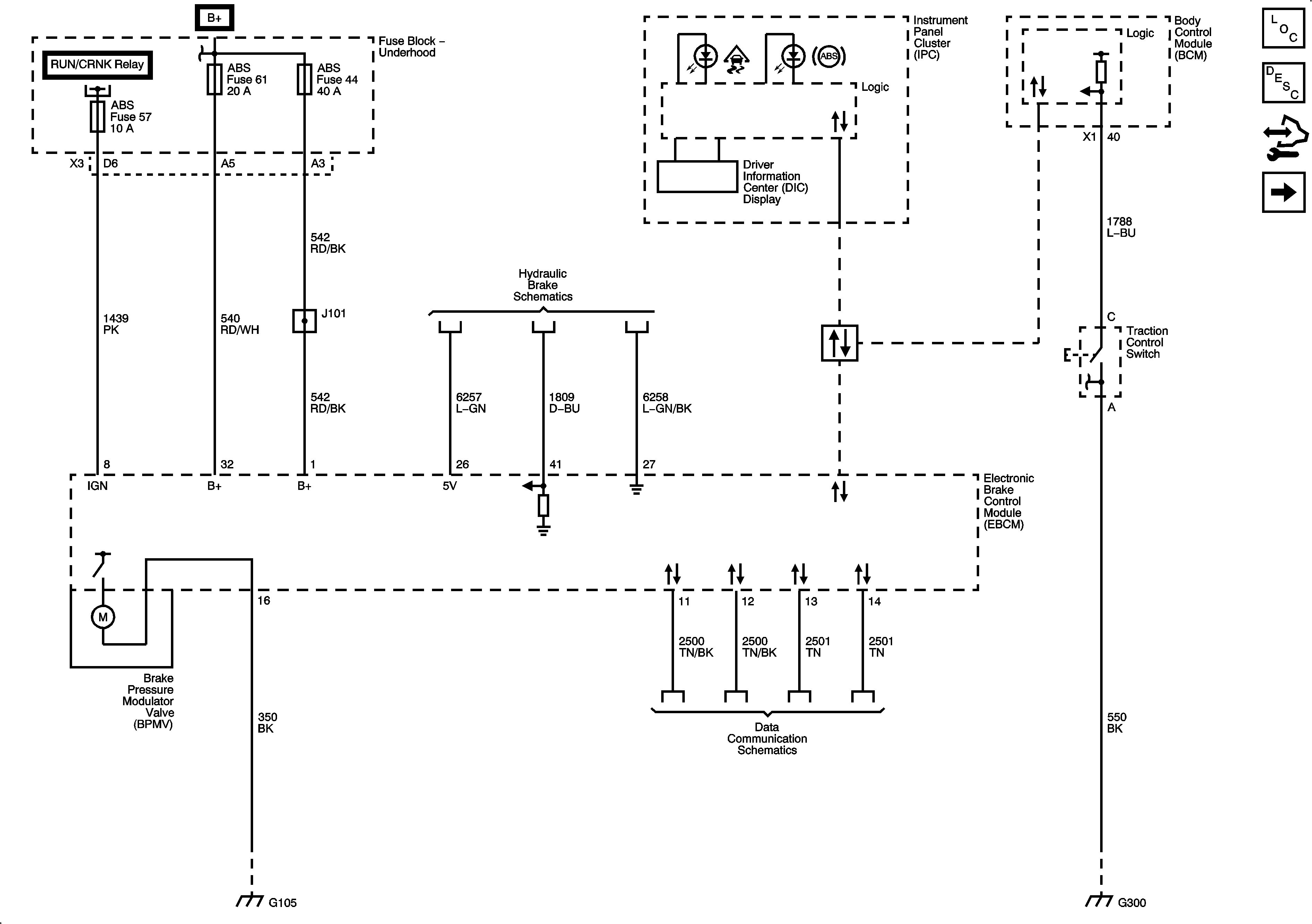
Figure
1:
Power, Ground and Indicator
Master Electrical Component List
ABS Description and Operation
Control Module References
Sensors
B+ Bar (1 of 2)
B+ Bar (2 of 2)
Hydraulic Brake Schematics
Compressor Controls
High Speed LAN
G103, G104, G105, G106, G304
G300 (2 of 2)
Figure
2:
Sensors
Master Electrical Component List
ABS Description and Operation
Control Module References
Power, Ground, and Indicator
Master Electrical Schematic Icons
Master Electrical Schematic Icons
Master Electrical Schematic Icons