GM Service Manual Online
For 1990-2009 cars only
Figure 1:

Radio System


Object Number: 629220  Size: FS
Master Electrical Component List
Radio/Audio System Description and Operation
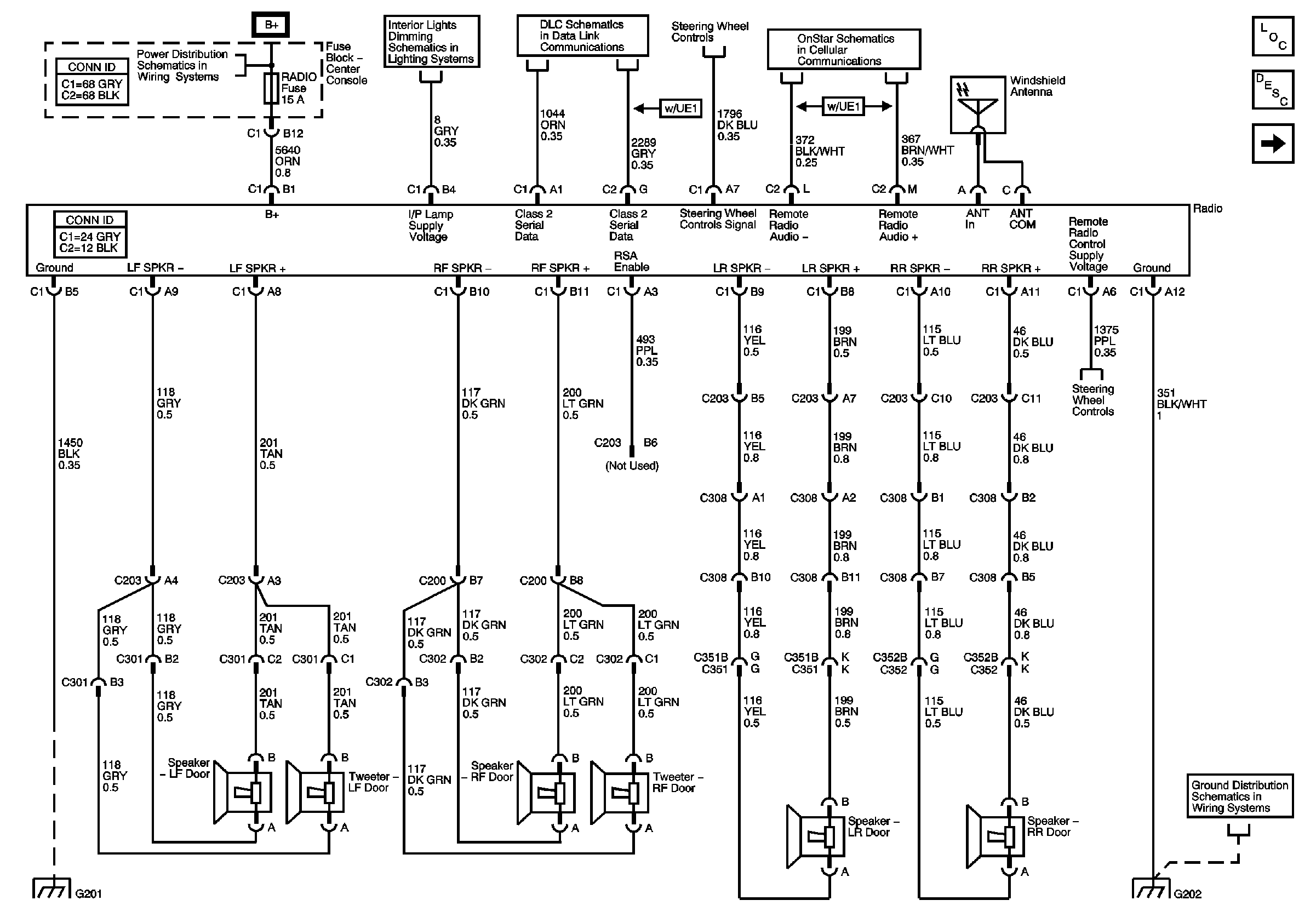
Radio with Rear Seat Audio Controls
Fuse Block-Underhood Fuse: 48 Fuse Block-Center Console Fuses: BCM LHZD FL HUD RADIO RD AMP and IP MDL
Instrument Cluster, Radio, Heater A/C Control
Data Link Communications Schematics - GMT250
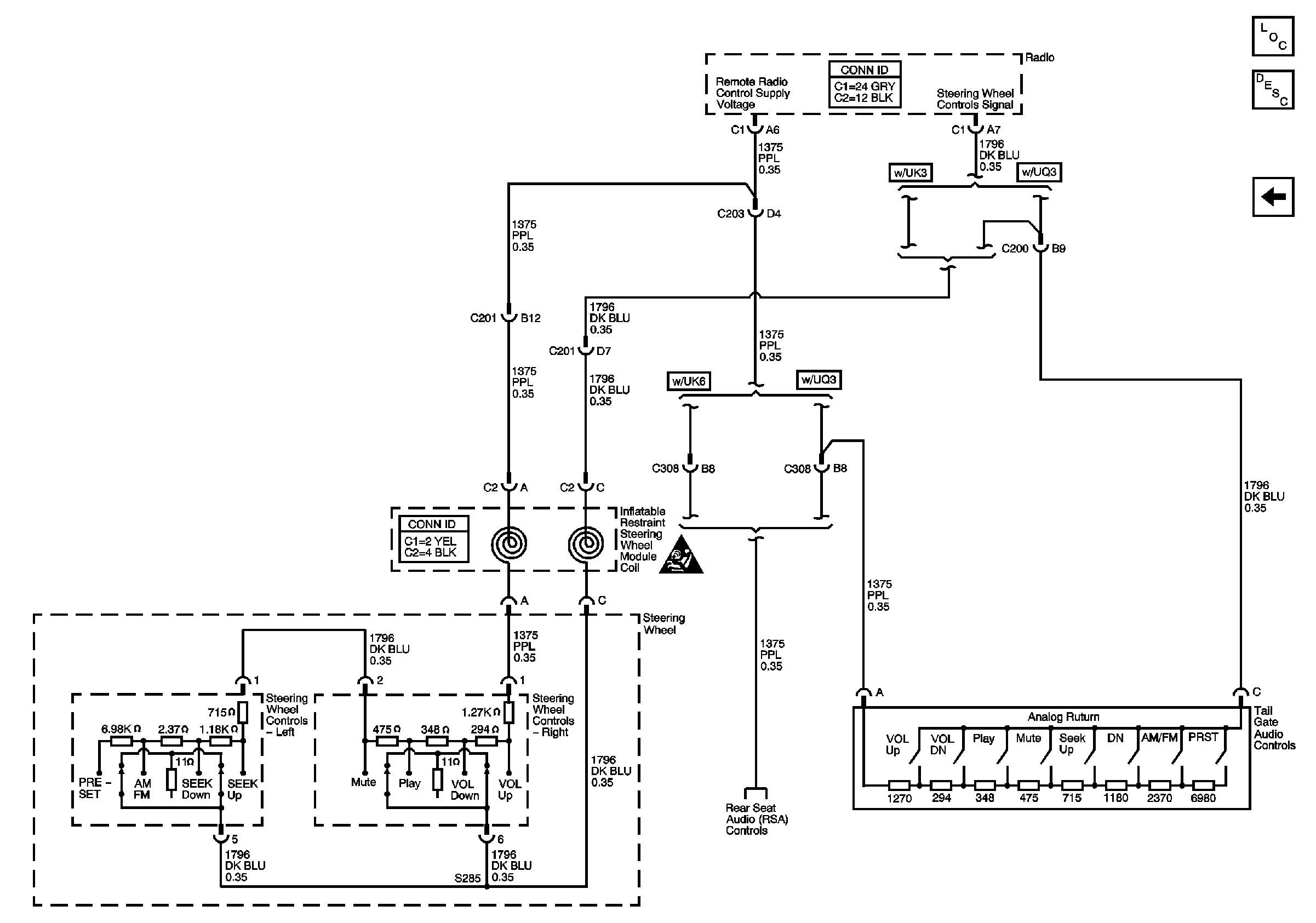
Steering Wheel and Tail Gate Controls
On-Star Schematics - GMT250
Steering Wheel and Tail Gate Controls
Ground G201
Ground G201
Figure 2:

Radio with Rear Seat Audio Controls


Object Number: 629222  Size: FS
Master Electrical Component List
Radio/Audio System Description and Operation
Uplevel Radio w/o Rear Seat Audio Controls
Radio System
Fuse Block-Underhood Fuse: 48 Fuse Block-Center Console Fuses: BCM LHZD FL HUD RADIO RD AMP and IP MDL
Instrument Cluster, Radio, Heater A/C Control
Data Link Communications Schematics - GMT250
Steering Wheel and Tail Gate Controls
On-Star Schematics - GMT250
Instrument Cluster, Radio, Heater A/C Control
Steering Wheel and Tail Gate Controls
On-Star Schematics - GMT250
Instrument Cluster, Radio, Heater A/C Control
Ground G201
Ground G303
Figure 3:

Uplevel Radio w/o Rear Seat Audio Controls


Object Number: 629223  Size: FS
Master Electrical Component List
Radio/Audio System Description and Operation
Uplevel Radio with Rear Seat Audio Controls
Radio with Rear Seat Audio Controls
Fuse Block-Underhood Fuse: 48 Fuse Block-Center Console Fuses: BCM LHZD FL HUD RADIO RD AMP and IP MDL
Instrument Cluster, Radio, Heater A/C Control
Data Link Communications Schematics - GMT250
On-Star Schematics - GMT250
Steering Wheel and Tail Gate Controls
Steering Wheel and Tail Gate Controls
Steering Wheel and Tail Gate Controls
Ground G200 (1 of 2)
Ground G201
Figure 4:

Uplevel Radio with Rear Seat Audio Controls


Object Number: 629225  Size: FS
Master Electrical Component List
Radio/Audio System Description and Operation
Radio Speakers (RPO UQ3)
Uplevel Radio w/o Rear Seat Audio Controls
Fuse Block-Underhood Fuse: 48 Fuse Block-Center Console Fuses: BCM LHZD FL HUD RADIO RD AMP and IP MDL
Instrument Cluster, Radio, Heater A/C Control
Data Link Communications Schematics - GMT250
On-Star Schematics - GMT250
Steering Wheel and Tail Gate Controls
Steering Wheel and Tail Gate Controls
Steering Wheel and Tail Gate Controls
Ground G200 (1 of 2)
Ground G201
Instrument Cluster, Radio, Heater A/C Control
Ground G303
Figure 5:

Radio Speakers (RPO UQ3)


Object Number: 629227  Size: FS
Master Electrical Component List
Radio/Audio System Description and Operation
Steering Wheel and Tail Gate Controls
Uplevel Radio with Rear Seat Audio Controls
Figure 6:

Steering Wheel and Tail Gate Controls


Object Number: 629229  Size: FS
Master Electrical Component List
Radio/Audio System Description and Operation
Radio Speakers (RPO UQ3)
Radio with Rear Seat Audio Controls