GM Service Manual Online
For 1990-2009 cars only
Makes
🢒
Pontiac
🢒
2001
🢒
Aztek - AWD
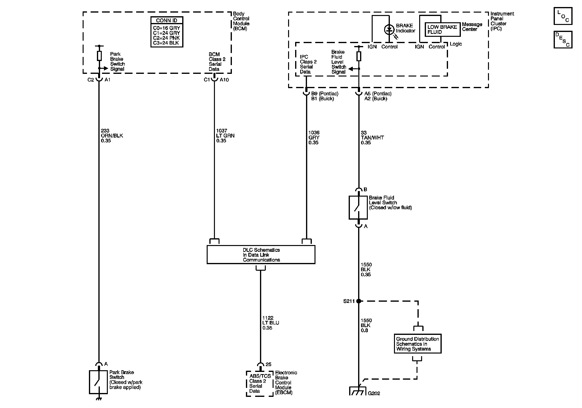
🢒 Brake Warning System
Brake Warning System
Master Electrical Component List
Brake Warning System Description and Operation
Data Link Communications Schematics - GMT250
Ground G201