GM Service Manual Online
For 1990-2009 cars only
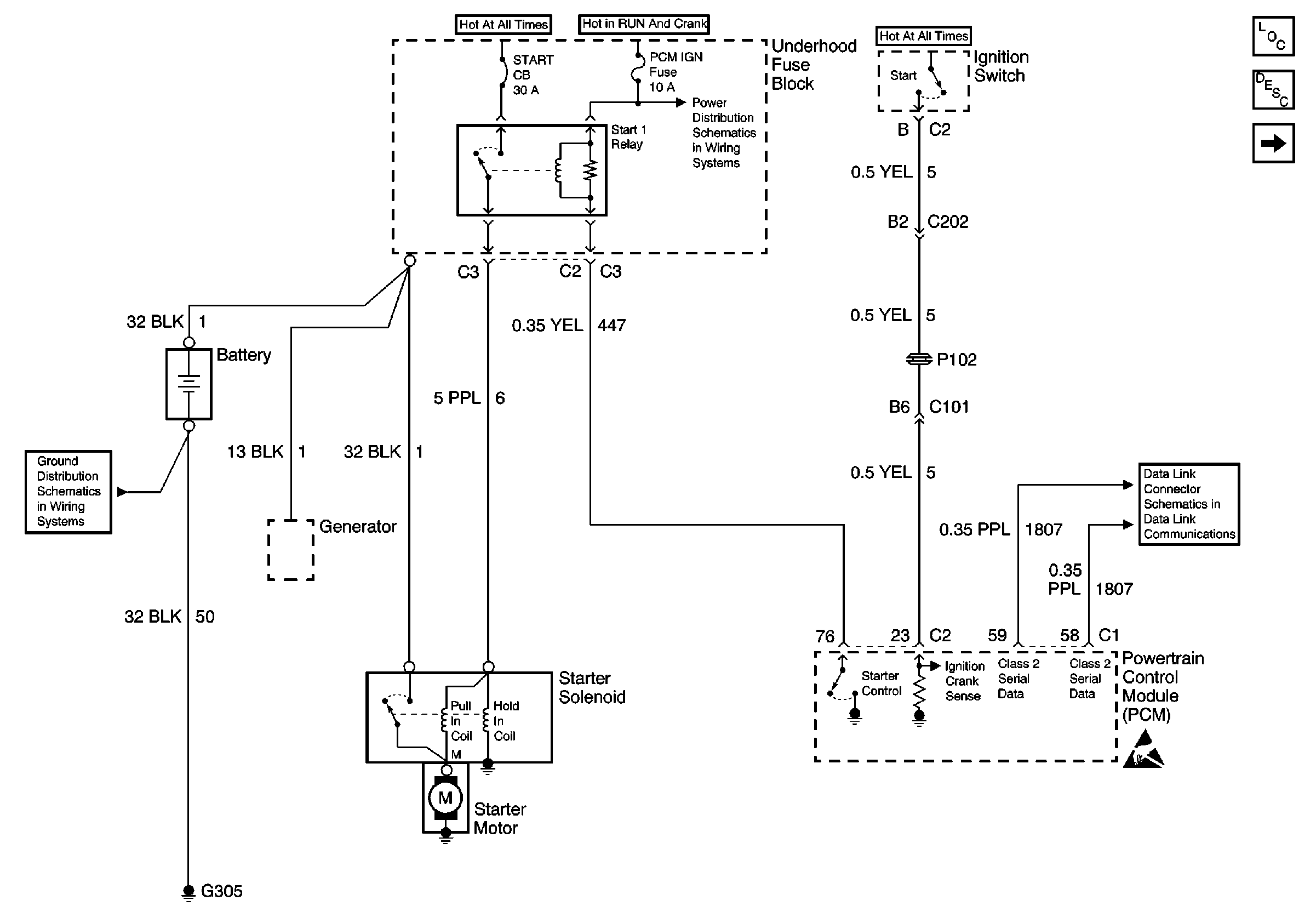
Figure 1:

Starting Controls


Object Number: 637370  Size: FS
Engine Electrical Components
Starting System Description
Generator Controls and Battery
Serial Data Class 2
G305
G305
Figure 2:

Generator Controls and Battery


Object Number: 413326  Size: FS
Engine Electrical Components
Charging System Circuit Description
Starter and Solenoid Controls
Serial Data Class 2
Handling Electrostatic Discharge Sensitive Parts Notice
Handling Electrostatic Discharge Sensitive Parts Notice
Handling Electrostatic Discharge Sensitive Parts Notice
Serial Data Class 2
Figure 3:

Instrument Panel Cluster


Object Number: 615690  Size: FS
Instrument Cluster and HUD Components
Instrument Cluster Circuit Description
Generator Controls and Battery