GM Service Manual Online
For 1990-2009 cars only
Makes
🢒
Pontiac
🢒
2000
🢒
Bonneville
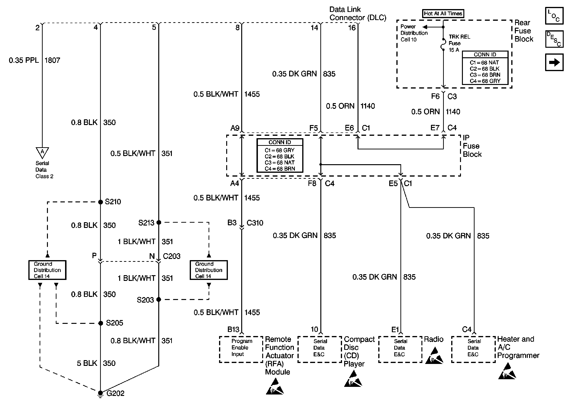
🢒 Cell 50: Power, Ground and E&C Serial Data Line
Cell 50: Power, Ground and E&C Serial Data Line
Cell 50: Power, Ground and E&C Serial Data Line
Data Link Communications Components
Data Link Communications Description
Cell 50: Class 2 Serial Data Line
Cell 10: BATT 1, RDM, C/LTR, DDM, HTDST L, TRK REL, PDM, SBM, and CSTR/SBM Fuses
Cell 50: Class 2 Serial Data Line
Cell 14: G202 (CKT 351 1 of 2)
Cell 14: G202 (CKT 351 1 of 2)
Handling ESD Sensitive Parts Notice
Handling ESD Sensitive Parts Notice
Handling ESD Sensitive Parts Notice
Handling ESD Sensitive Parts Notice