GM Service Manual Online
For 1990-2009 cars only
Makes
🢒
Pontiac
🢒
2000
🢒
Bonneville
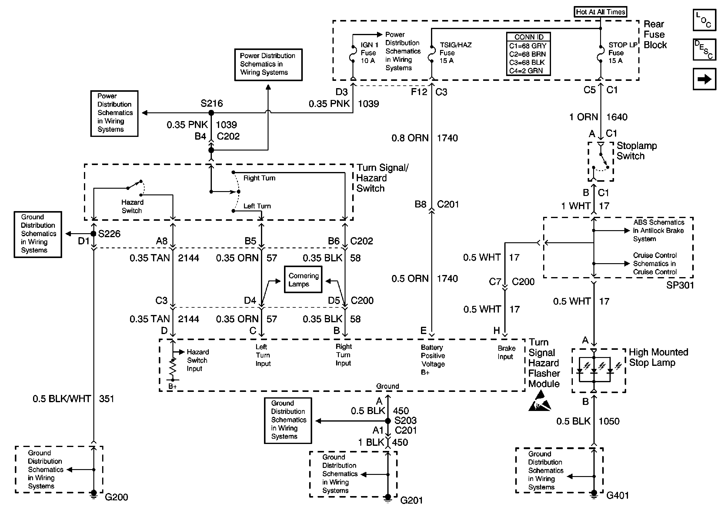
🢒 Turn Signal Switch and Hazard Flasher Module Inputs
Turn Signal Switch and Hazard Flasher Module Inputs
Turn Signal Switch and Hazard Flasher Module Inputs
Lighting Systems Components
Exterior Lights Circuit Description
Park Lamp Relay
IGN-1, VENT SOL and SIR Fuse (Rear Fuse Block)
IGN-1, VENT SOL and SIR Fuse (Rear Fuse Block)
IGN-1, VENT SOL and SIR Fuse (Rear Fuse Block)
PWR, GND, Stoplamp Switch, Solenoid Valves, and Pump Motor
CCM, PCM Controls and Vehicle Speed Input
Handling ESD Sensitive Parts Notice
G201
G200 (1 of 2)
G200 (1 of 2)
G201
G401 (1 of 2)
License, Under Hood, and Cornering Lamps