GM Service Manual Online
For 1990-2009 cars only
Makes
🢒
Pontiac
🢒
2000
🢒
Bonneville
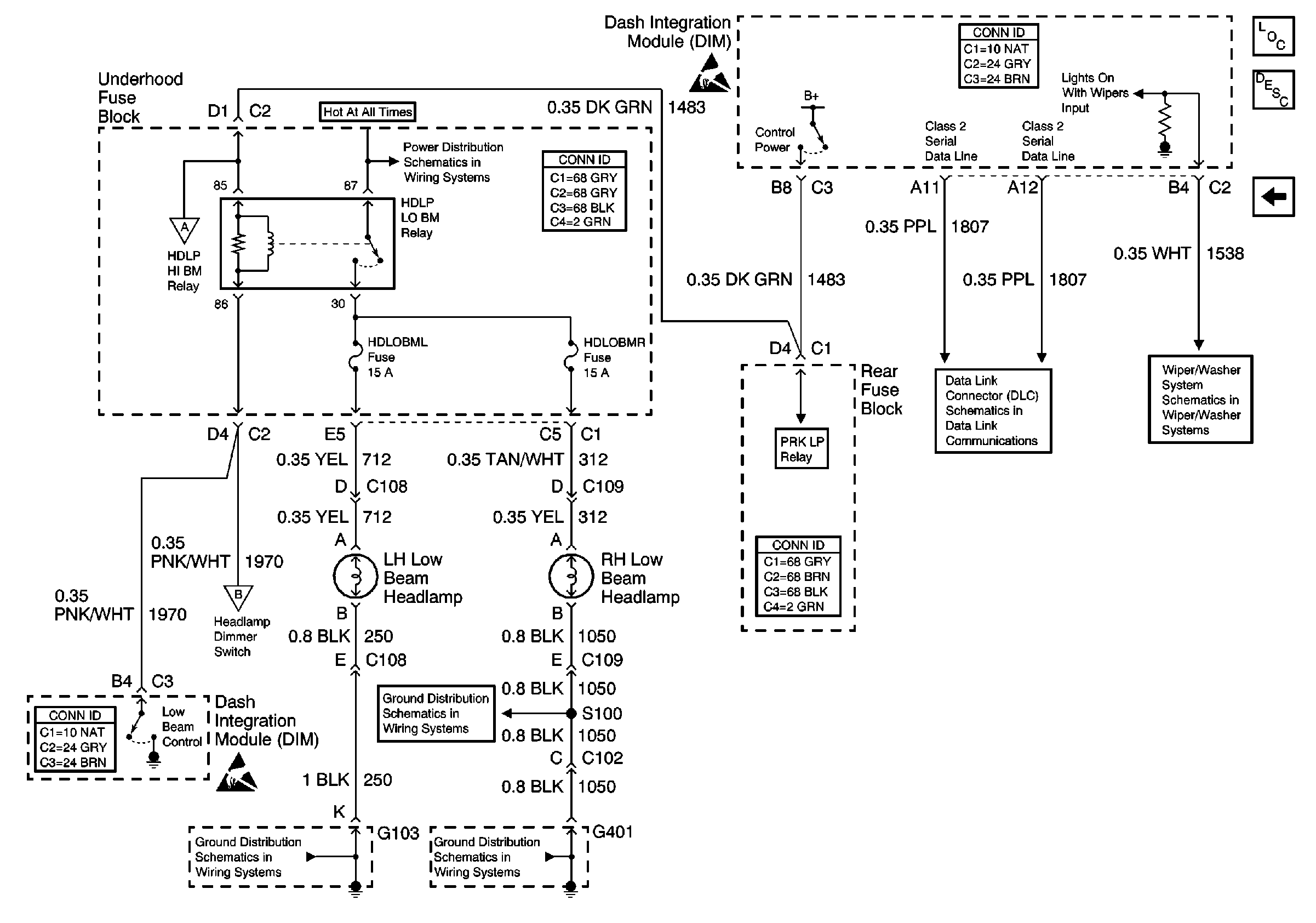
🢒 Low Beam Headlamps
Low Beam Headlamps
Low Beam Headlamps
Lighting Systems Components
Headlights Circuit Description
DRL, High Beam Headlamps, Dimmer Switch
Handling ESD Sensitive Parts Notice
Handling ESD Sensitive Parts Notice
DRL, High Beam Headlamps, Dimmer Switch
DRL, High Beam Headlamps, Dimmer Switch
FOG/DRL Fuse, Headlamp, Fog Lamp and DRL Relays (Underhood Fuse Block)
License Plate Lamps, Park Lamp Relay
Serial Data Class 2
Wiper/Washer Switch and Fuse
G103
G401 (2 of 2)
G401 (2 of 2)