GM Service Manual Online
For 1990-2009 cars only
Makes
🢒
Pontiac
🢒
2000
🢒
Bonneville
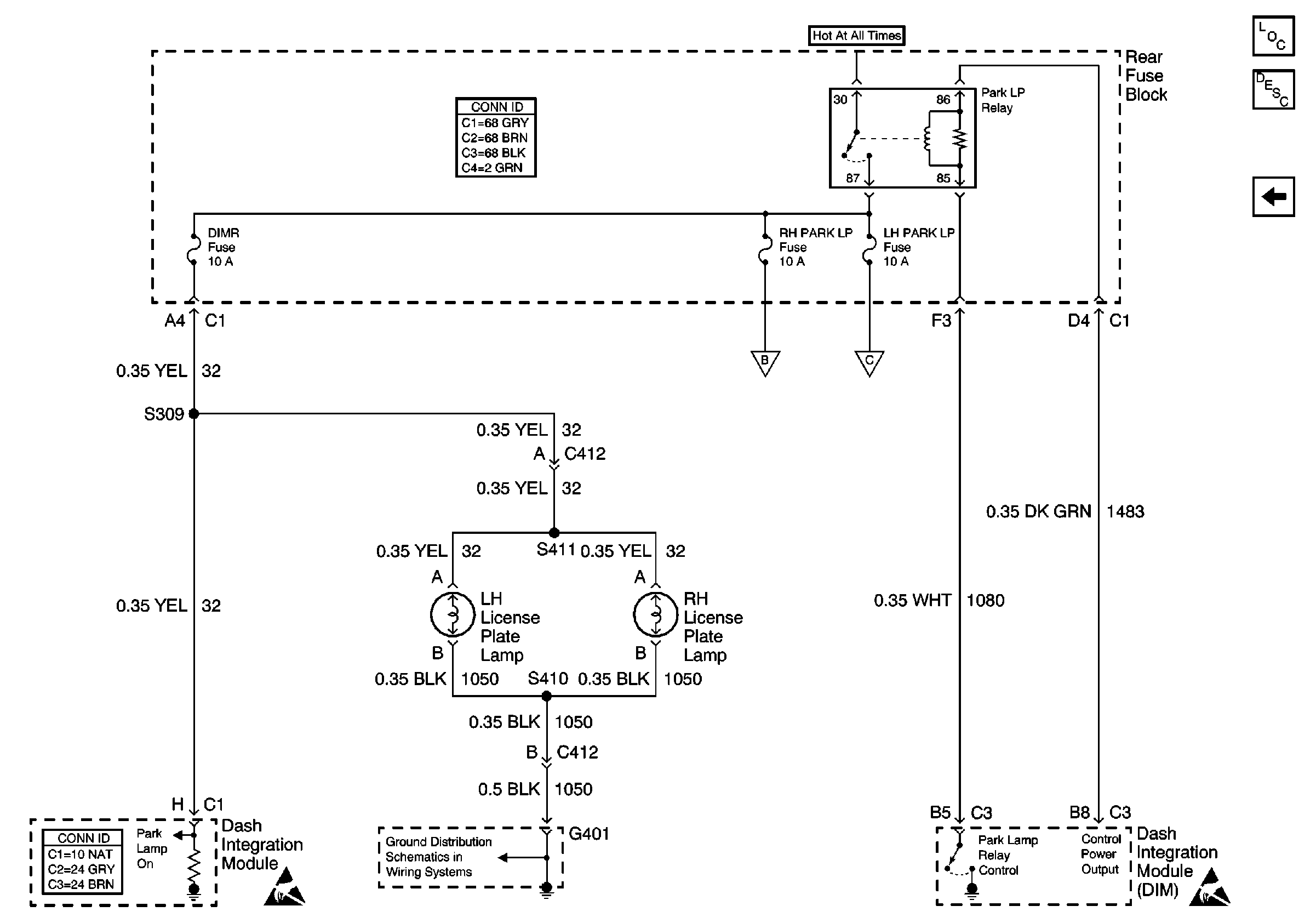
🢒 License Plate Lamps, Park Lamp Relay
License Plate Lamps, Park Lamp Relay
License Plate Lamps, Park Lamp Relay
Lighting Systems Components
Exterior Lights Circuit Description
RH Park Lamps
RH Park Lamps
LH Park Lamps
Handling ESD Sensitive Parts Notice
Handling ESD Sensitive Parts Notice
G401 (2 of 2)
G401 (2 of 2)