GM Service Manual Online
For 1990-2009 cars only
Makes
🢒
Pontiac
🢒
2000
🢒
Bonneville
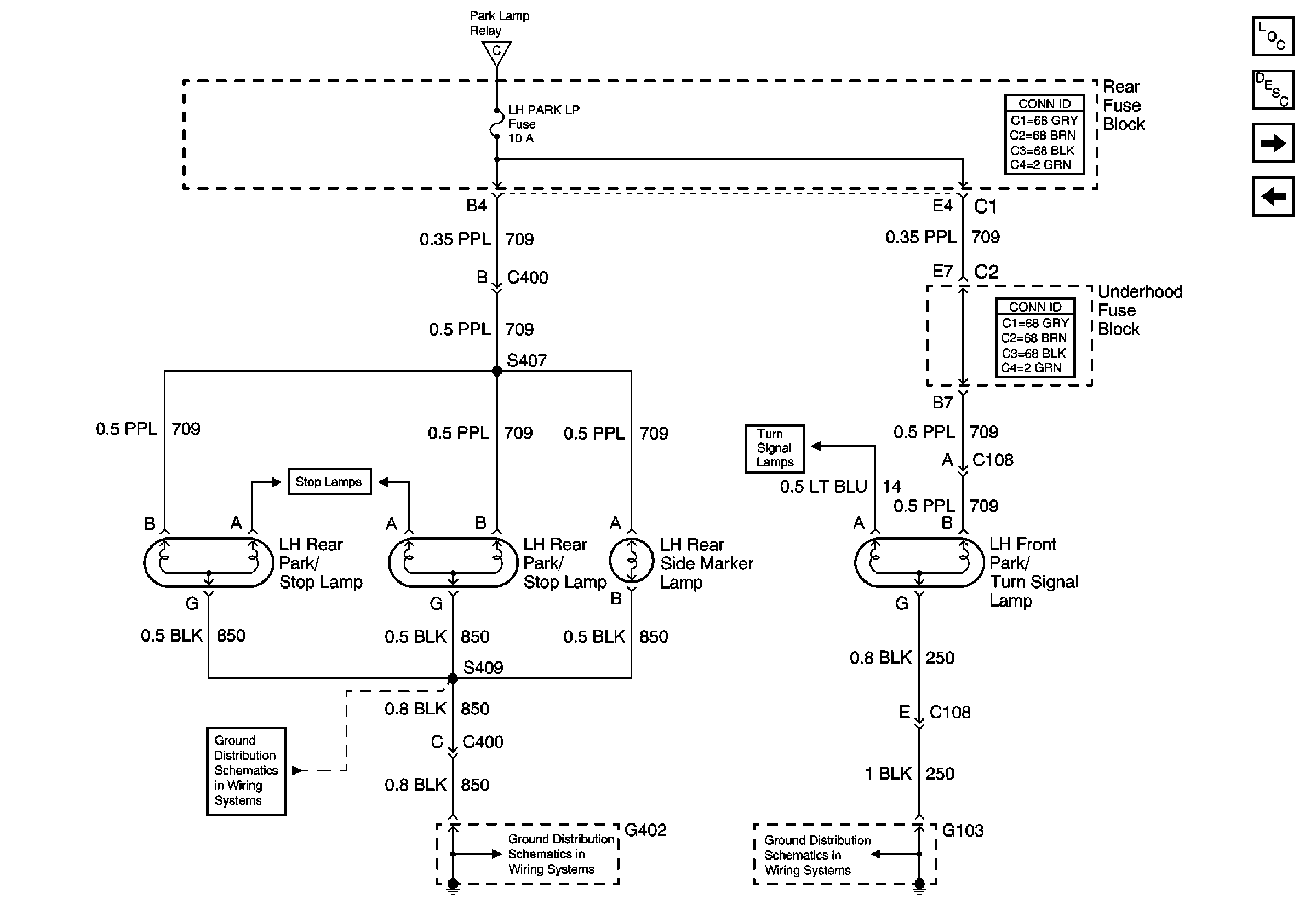
🢒 LH Park Lamps
LH Park Lamps
LH Park Lamps
Lighting Systems Components
Exterior Lights Circuit Description
RH Park Lamps
Stop Lamps
License Plate Lamps, Park Lamp Relay
Stop Lamps
Turn Signal Lamps
G402
G402
G103