GM Service Manual Online
For 1990-2009 cars only
Makes
🢒
Pontiac
🢒
2000
🢒
Bonneville
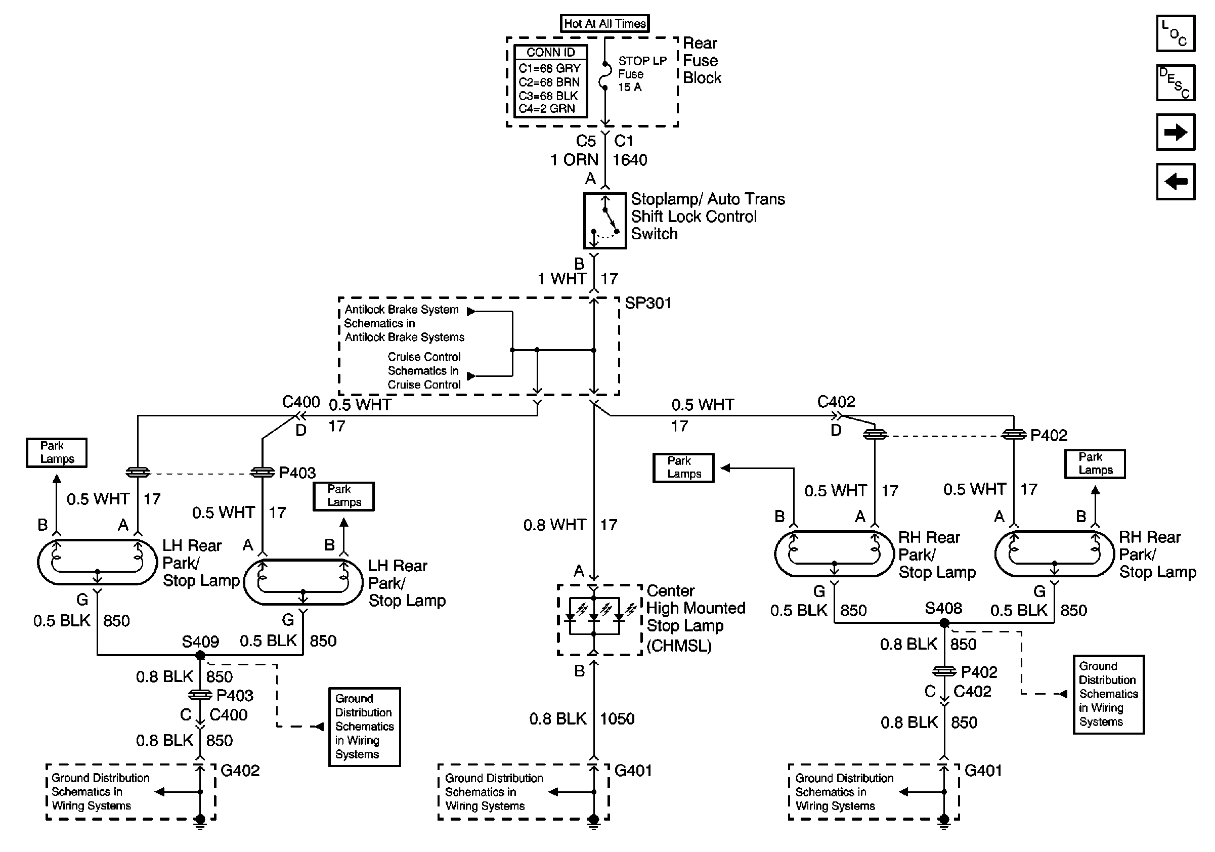
🢒 Stop Lamps
Stop Lamps
Stop Lamps
Lighting Systems Components
Exterior Lights Circuit Description
LH Park Lamps
Turn Signal Lamps
Cruise Control Switch, CCM Power and Grounds
LH Park Lamps
LH Park Lamps
RH Park Lamps
RH Park Lamps
G402
G401 (1 of 2)
G401 (2 of 2)
G401 (2 of 2)
PWR, GND, Stoplamp Switch, Solenoid Valves, and Pump Motor