GM Service Manual Online
For 1990-2009 cars only
Makes
🢒
Pontiac
🢒
2000
🢒
Bonneville
🢒 Rear Compartment Lid Release
Rear Compartment Lid Release
Rear Compartment Lid Release
Body Rear End Components
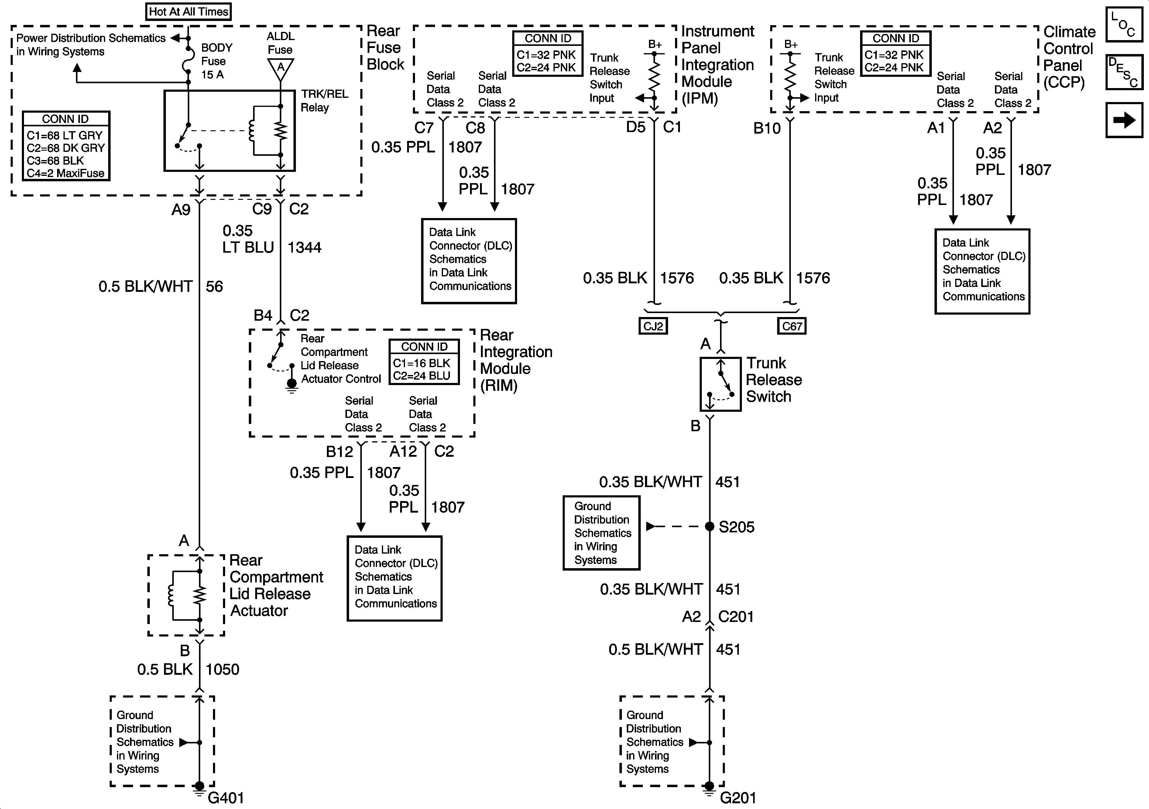
Rear Compartment Lid Release Description
Instrument Panel Cluster
G201 (2 of 3)
G201 (1 of 3)
G401 (1 of 2)