GM Service Manual Online
For 1990-2009 cars only
Makes
🢒
Pontiac
🢒
2000
🢒
Bonneville
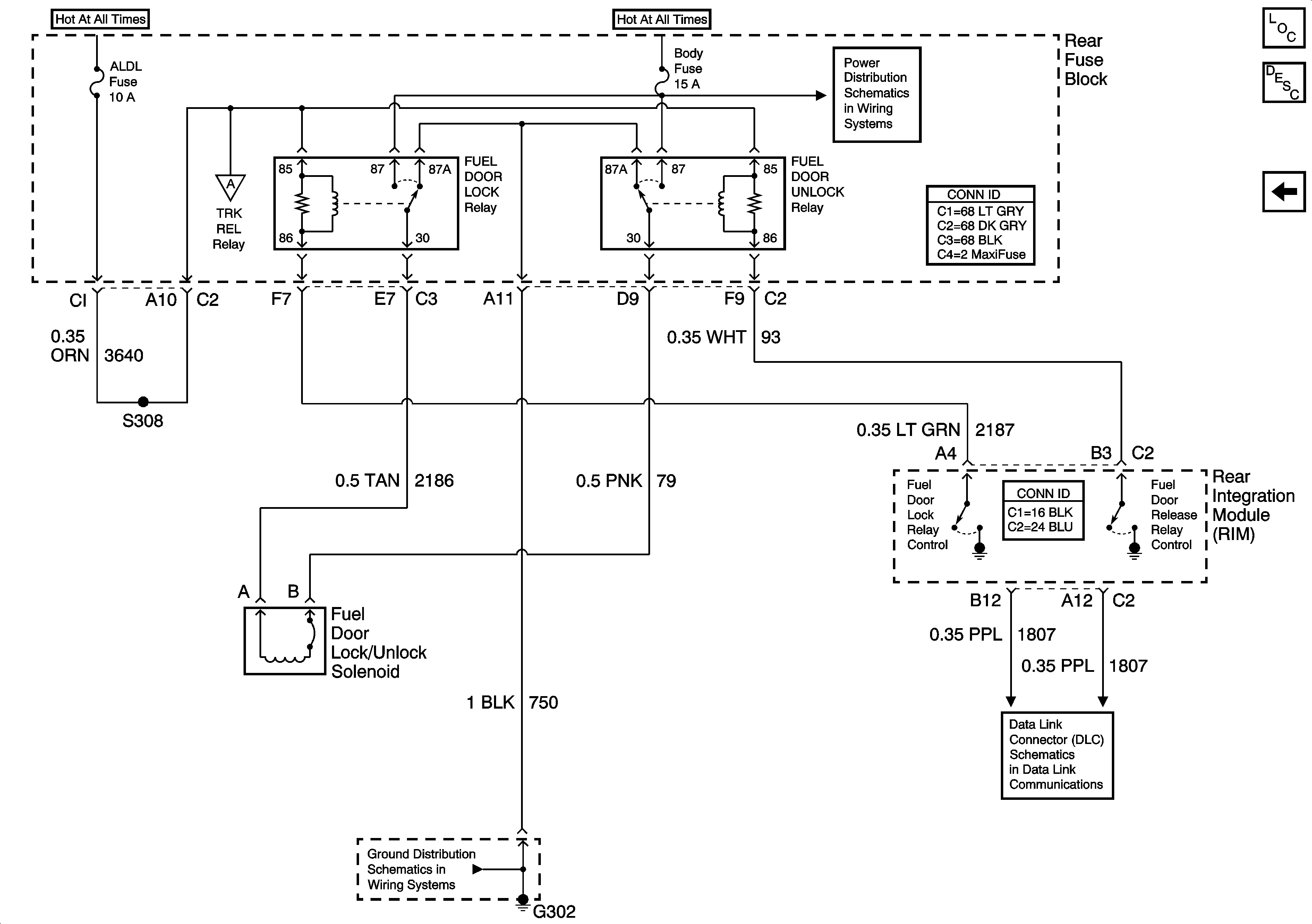
🢒 Fuel Door Lock W/UA6
Fuel Door Lock W/UA6
Fuel Door Lock W/UA6
Body Rear End Components
Rear Compartment Lid Release Description
Rear Compartment Lid Release
G302
ELC, RR DEFOG, and ALDL Fuses (Rear Fuse Block)
ELC, RR DEFOG, and ALDL Fuses (Rear Fuse Block)