GM Service Manual Online
For 1990-2009 cars only
Makes
🢒
Pontiac
🢒
2000
🢒
Bonneville
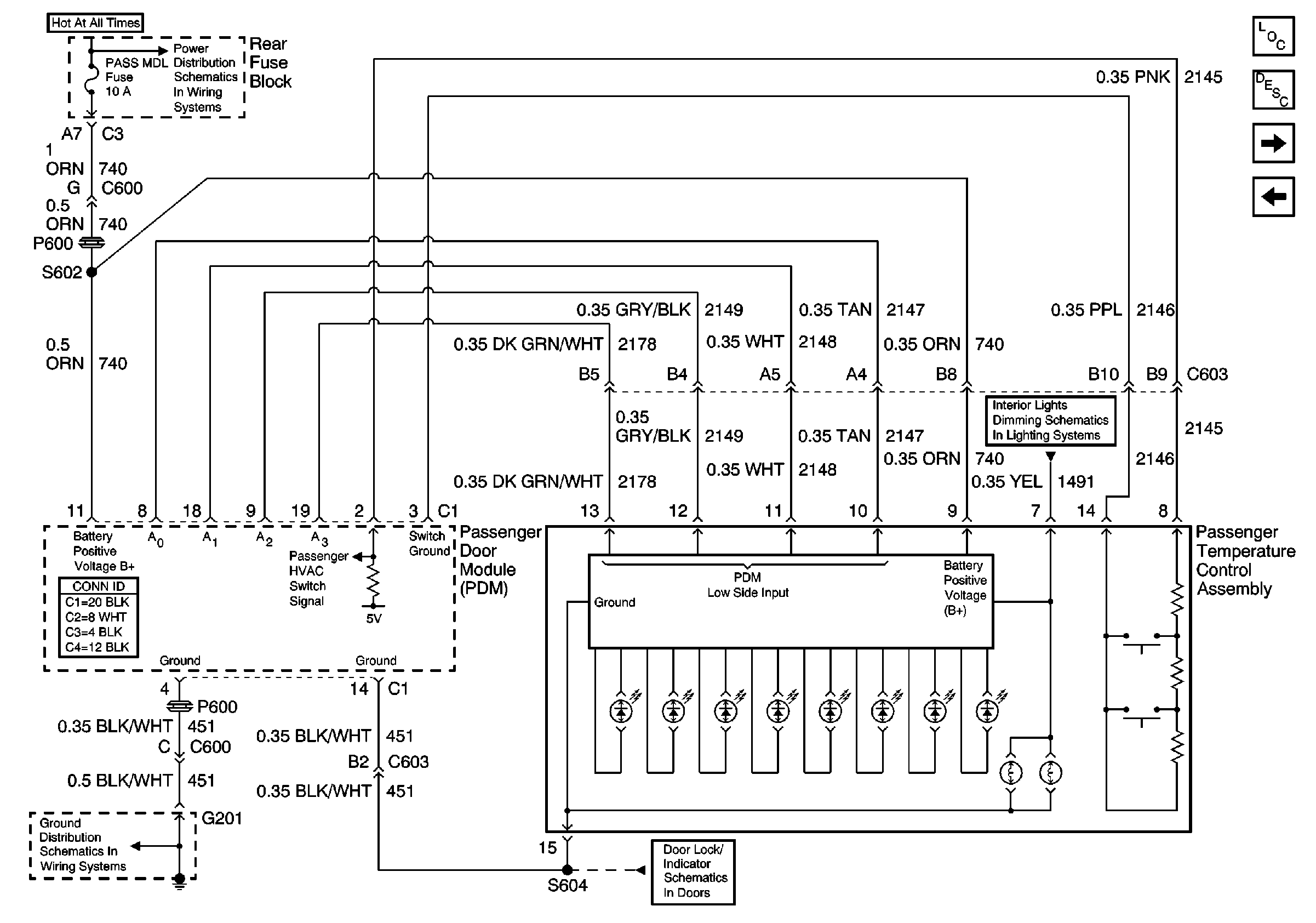
🢒 Passenger Side Climate Control W/CJ2
Passenger Side Climate Control W/CJ2
Passenger Side Climate Control W/CJ2
HVAC Components
HVAC Air Delivery/Temperature Control Circuit Description
Steering Wheel Controls
Temperature Sensors W/CJ2
Front Door Dimming
HVAC BATT, DRV MDL, PASS MDL and RRDRMDL Fuses (Rear Fuse Block)
G201
RH Front Door