GM Service Manual Online
For 1990-2009 cars only
Makes
🢒
Pontiac
🢒
2000
🢒
Bonneville
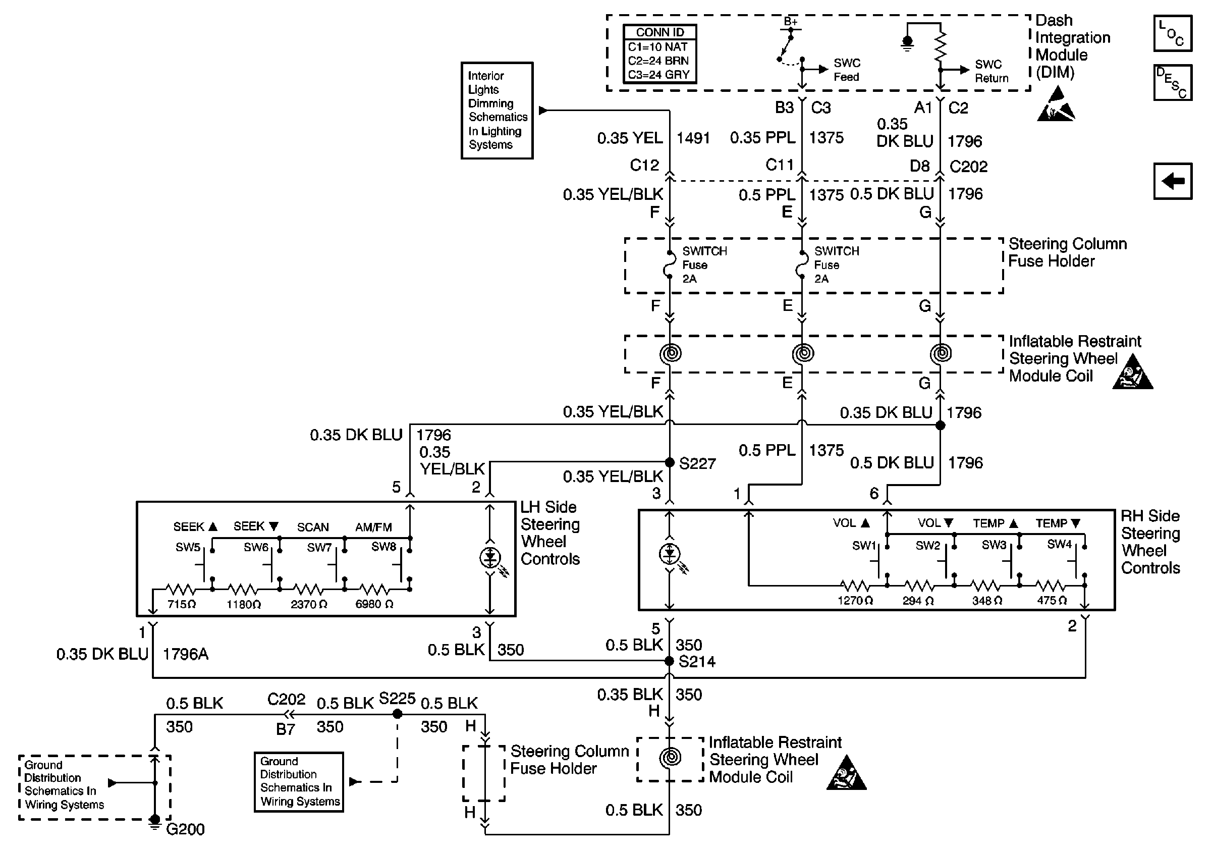
🢒 Steering Wheel Controls
Steering Wheel Controls
Steering Wheel Controls
HVAC Components
HVAC Air Delivery/Temperature Control Circuit Description
Passenger Side Climate Control W/CJ2
SIR Handling Caution
SIR Handling Caution
Handling ESD Sensitive Parts Notice
Steering Column Dimming
G200 (1 of 2)
G200 (1 of 2)