GM Service Manual Online
For 1990-2009 cars only
Makes
🢒
Pontiac
🢒
2000
🢒
Bonneville
🢒 Ignition Control
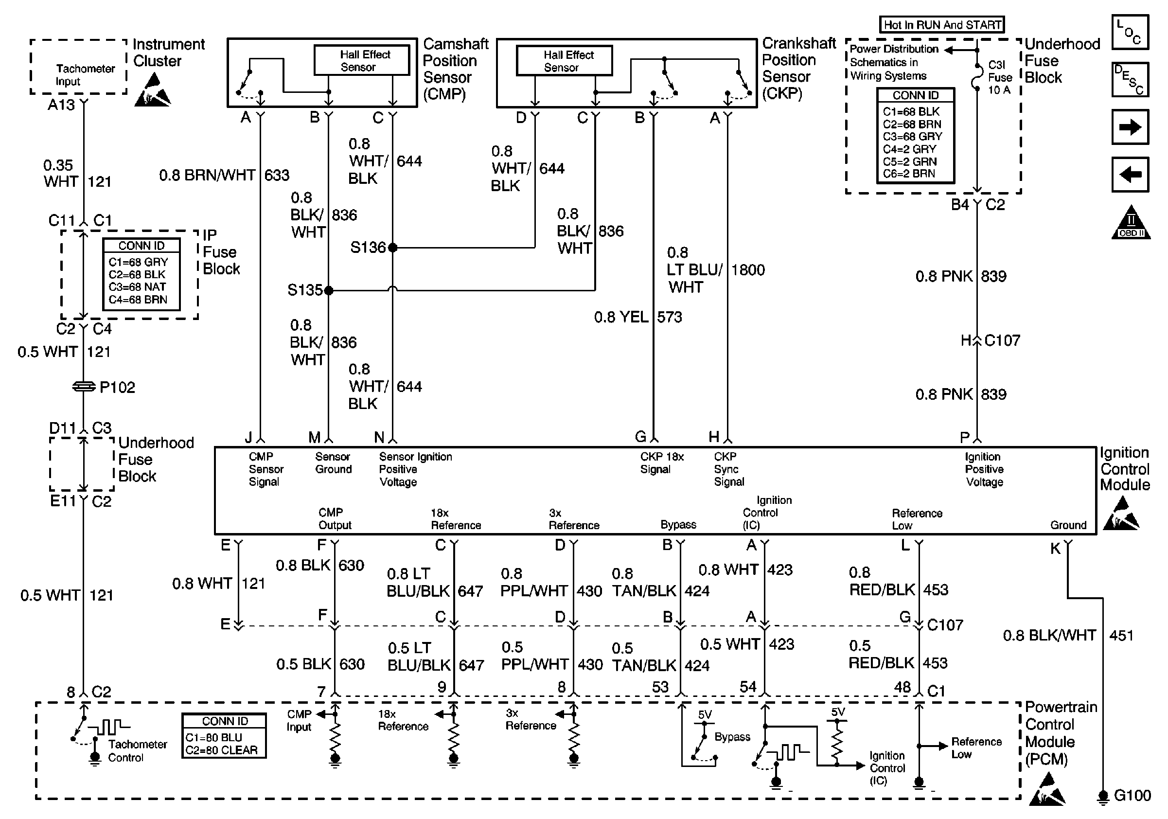
Ignition Control
Ignition Control
Engine Controls Components
Powertrain Control Module Description
OBD II Symbol Description Notice
Fuel Control, L36
MIL and Data Link Connector (DLC)
Underhood Fuse Block, AIR SOLENOID, C3I and TRANS/EGR Fuses
Handling ESD Sensitive Parts Notice
Handling ESD Sensitive Parts Notice
Handling ESD Sensitive Parts Notice