GM Service Manual Online
For 1990-2009 cars only
Makes
🢒
Pontiac
🢒
2000
🢒
Bonneville
🢒 Fuel Control, L36
Fuel Control, L36
Fuel Contol, L36
Engine Controls Components
Powertrain Control Module Description
OBD II Symbol Description Notice
Fuel Control, L67
Ignition Control
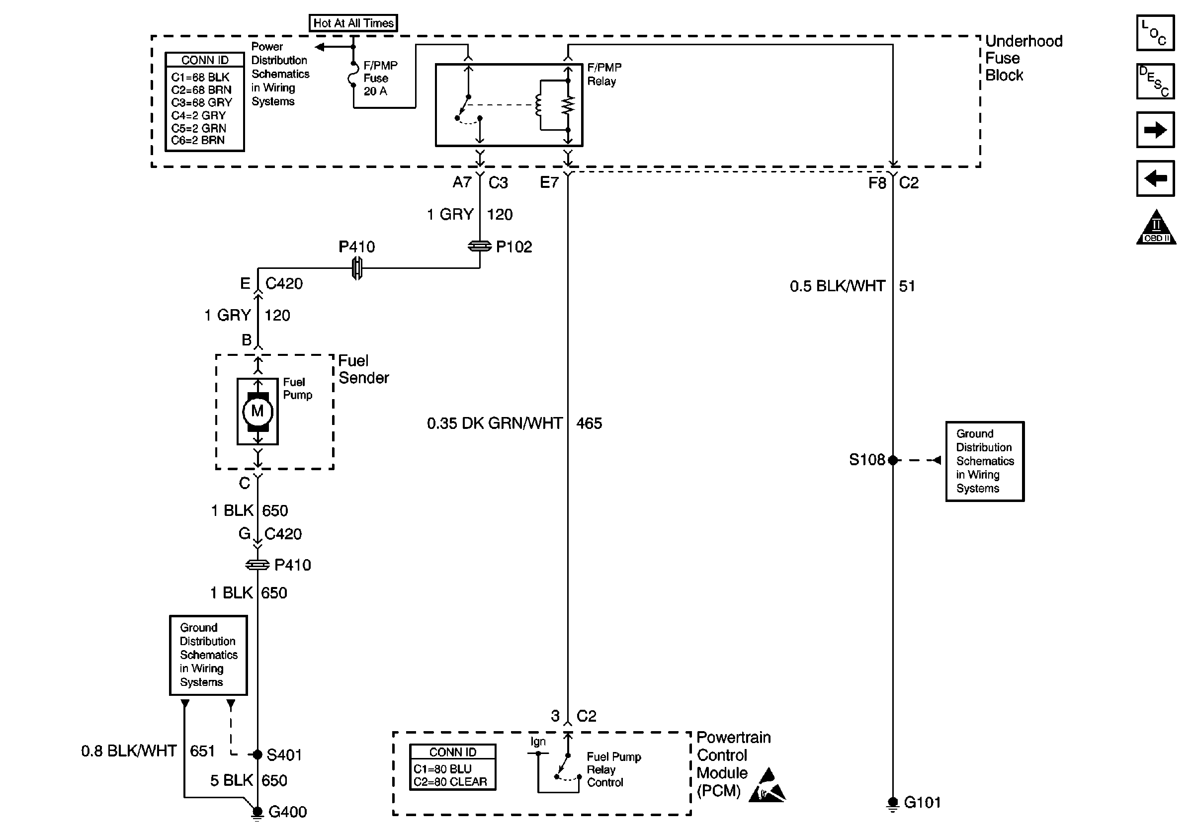
Underhood Fuse Block, PCM, ABS, HAZARD, FUEL PUMP, PARKLMP Fuses And Fuel Pump Relay
G100, G101, G102, G103
G400, 1 of 2
Handling ESD Sensitive Parts Notice