GM Service Manual Online
For 1990-2009 cars only
Makes
🢒
Pontiac
🢒
2000
🢒
Bonneville
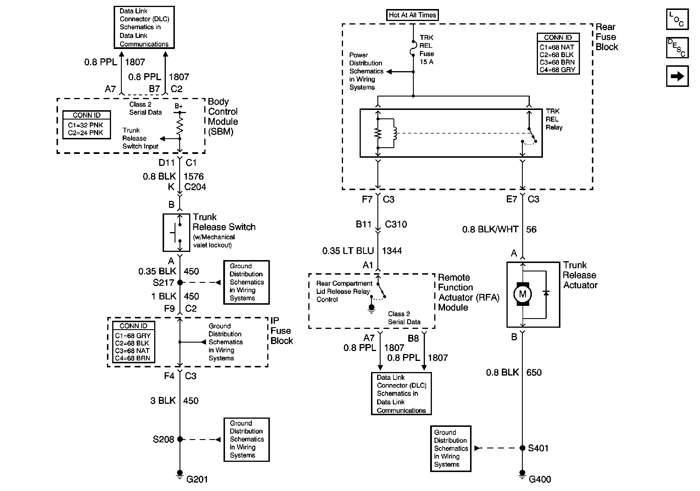
🢒 Rear Compartment Lid Release
Rear Compartment Lid Release
Rear Compartment Lid Release
Class 2 Serial Data Line
Class 2 Serial Data Line
G201, 2 of 2
G201, 2 of 2
G201, 1 of 2
Body Rear End Components
Rear Compartment Lid Release Circuit Description
Fuel Door Release
Underhood Fuse Block, BAT 1 Fuse/Rear Fuse Block, RDM, C/LTR, DDM, HTDST L and TRK REL Fuses/ IP Fuse Block, PDM, SBM and CSTR/SBM Fuses
G400, 1 of 2