GM Service Manual Online
For 1990-2009 cars only
Makes
🢒
Pontiac
🢒
2000
🢒
Bonneville
🢒 Power, Ground and Serial Data Lines
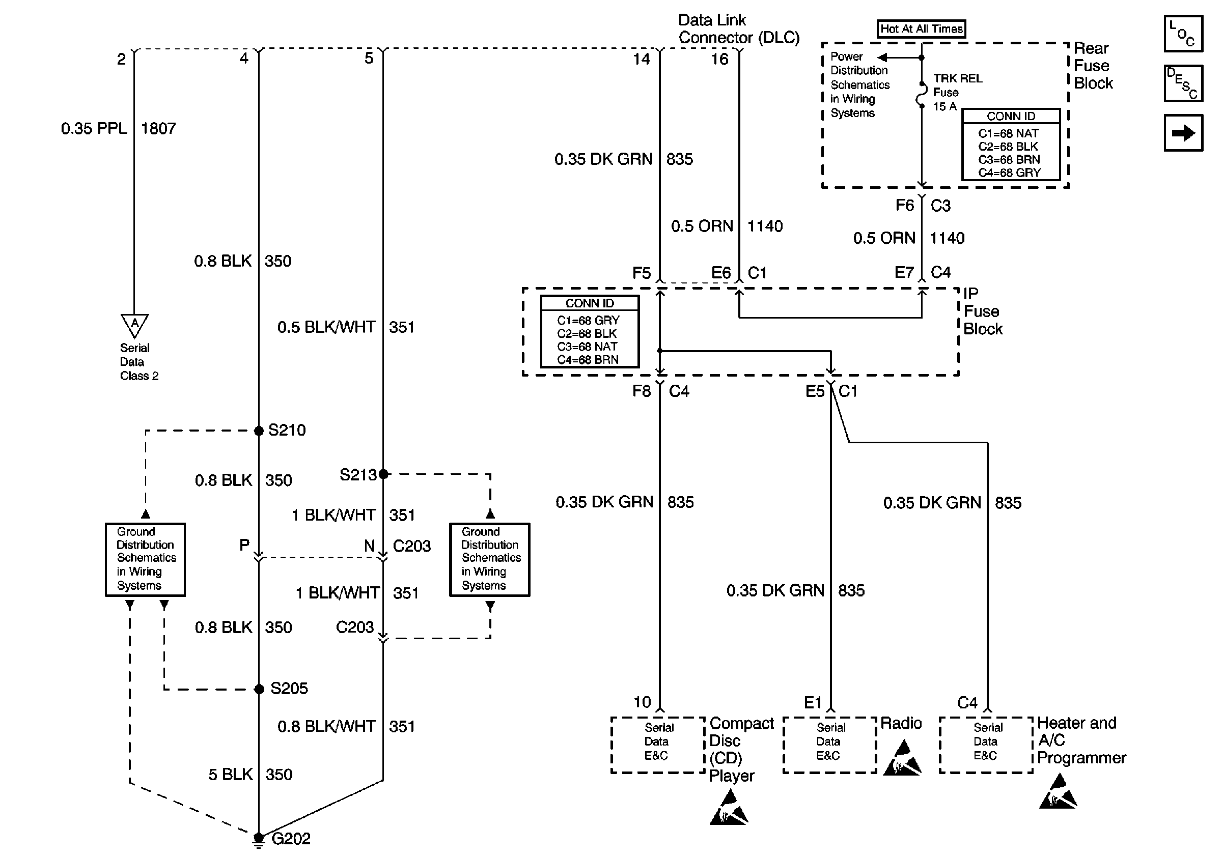
Power, Ground and Serial Data Lines
Power, Ground and Serial Data Lines
Data Link Communications Components
Data Link Communications Description
Underhood Fuse Block, BAT 1 Fuse/Rear Fuse Block, RDM, C/LTR, DDM, HTDST L and TRK REL Fuses/ IP Fuse Block, PDM, SBM and CSTR/SBM Fuses
Underhood Fuse Block, BAT 1 Fuse/Rear Fuse Block, RDM, C/LTR, DDM, HTDST L and TRK REL Fuses/ IP Fuse Block, PDM, SBM and CSTR/SBM Fuses
Class 2 Serial Data Line
G202, 4 of 4
G202, 2 of 4
Handling ESD Sensitive Parts Notice
Handling ESD Sensitive Parts Notice
Handling ESD Sensitive Parts Notice
Handling ESD Sensitive Parts Notice