GM Service Manual Online
For 1990-2009 cars only

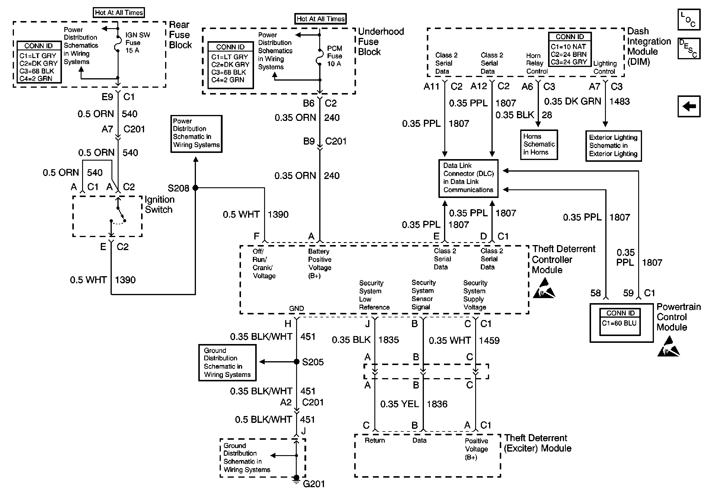
Schematic

Refer to

Vehicle Theft Deterrent Module (VTD)


Object Number: 404751  Size: FS
Battery Voltage to the Rear Fuse Block
INJ1 and INJ2 Fuses, CR CONT, PCM IGN Fuses (Underhood Fuse Block)
Ignition Switch
G201 (2 of 3)
G201 (2 of 3)
Vehicle Theft Deterrent (VTD) Description
Theft Deterrent System Components
schematic

Circuit Description

The vehicle theft deterrent (VTD) module checks the exciter/receiver key data signal circuit for a constant voltage condition.

Conditions for Running the DTC

The VTD must see the ignition switch input. The VTD must have DTC B3055, Key Not Present, set as a current DTC. The VTD can not have a B1327 DTC set as a current DTC.

Conditions for Setting the DTC

The VTD requires 1 second to monitor the ignition key. After the first second, the VTD turns off the power to the exciter/receiver. If the VTD module senses the key data signal circuit to the exciter/receiver is 12 V for 1 second, the VTD sets this DTC.

Action Taken When the DTC Sets

When the vehicle is running, the VTD will allow the vehicle to continue running. If the 12 V is detected on the key data signal circuit with the engine off, the VTD will prevent a start. The VTD will illuminate the security indicator.

Conditions for Clearing the DTC

The VTD clears the current status of the DTC when it does not sense a 12 V condition on the exciter/receiver key data signal circuit. The DTC will still be retrieved as current until the ignition switch is cycled. The DTC will become a history DTC at that time.

Test Description

The numbers below refer to the step numbers on the diagnostic table.

  1. Be sure that the original ignition key issued with the vehicle is used when performing the Vehicle Theft Deterrent Diagnostic System Check.

  2. Make sure the ground used is separate from the grounds used by the vehicle theft deterrent module. Voltage measurement must not interfere with possible isolated module ground.

Step

Action

Value(s)

Yes

No

1

Did you perform A Vehicle Diagnostic System Check - Theft Deterrent ?

--

Go to Step 2

Go to Diagnostic System Check - Theft Deterrent

2

  1. Turn OFF the ignition.
  2. Disconnect the vehicle theft deterrent (VTD) exciter/receiver.
  3. Turn ON the ignition leaving the engine OFF.
  4. Measure the voltage from the VTD exciter/receiver circuit to a good ground.

Does the voltage measure near the specified value?

0 V

Go to Step 5

Go to Step 3

3

Test the VTD exciter/receiver signal circuit for a short to voltage. Refer to Circuit Testing in Wiring Systems .

Did you find and correct the condition?

--

Go to Step 8

Go to Step 4

4

Inspect for poor connections/terminal tension at the VTD exciter/receiver harness connector. Refer to Testing for Intermittent Conditions and Poor Connections in Wiring Systems .

Did you find and correct the condition?

--

Go to Step 8

Go to Step 6

5

Inspect for poor connections/terminal tension at the VTD module harness connector. Refer to Testing for Intermittent Conditions and Poor Connections and Connector Repairs in Wiring Systems.

Did you find and correct the condition?

--

Go to Step 8

Go to Step 7

6

Replace the VTD exciter/receiver. Refer to Reader/Exciter Replacement .

Did you complete the replacement?

--

Go to Step 8

--

7

Important: Perform the vehicle theft deterrent (VTD) set up procedure.

Replace the VTD module. Refer too Theft Deterrent Module Replacement .

Did you complete the replacement?

--

Go to Step 8

--

8

  1. Clear the DTCs using the scan tool.
  2. Operate the vehicle within the Conditions for Running the DTC as specified in the supporting text.

Does the DTC reset?

--

Go to Step 2

System OK