GM Service Manual Online
For 1990-2009 cars only
Makes
🢒
Pontiac
🢒
2002
🢒
Bonneville
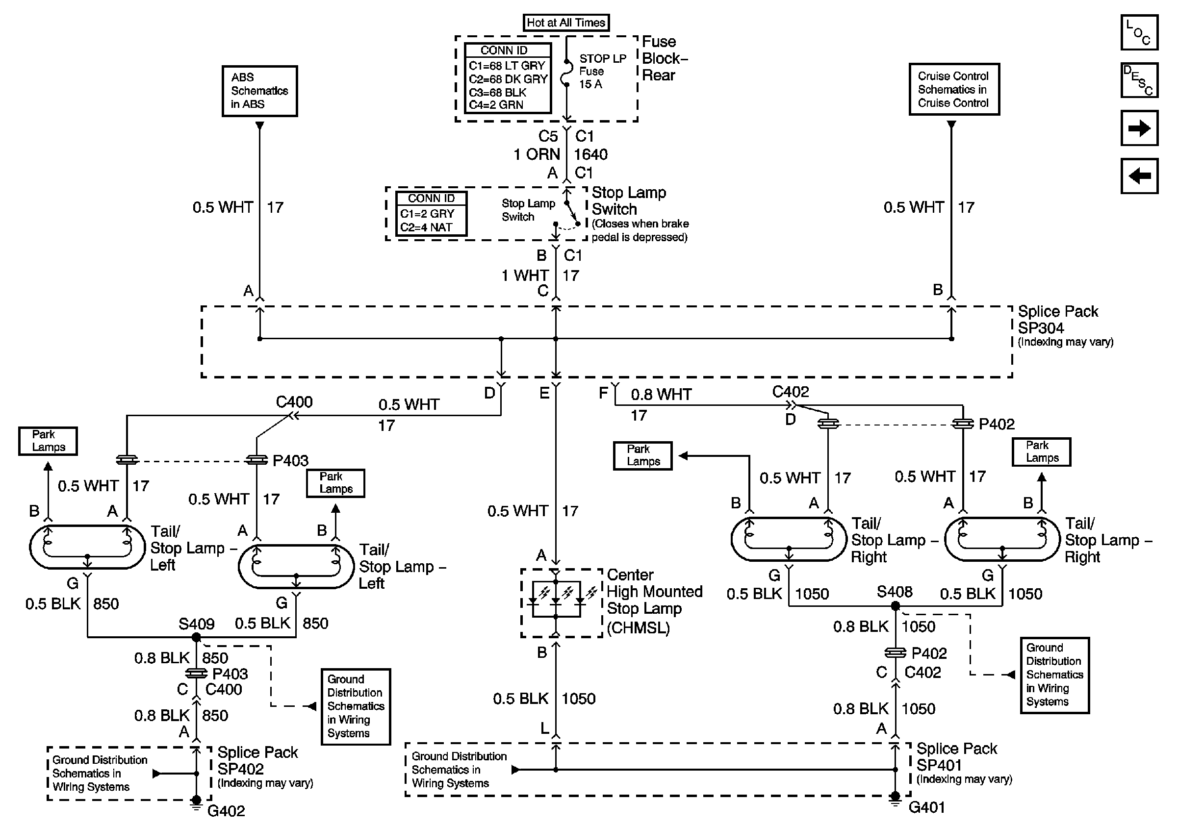
🢒 Stop Lamps
Stop Lamps
Stop Lamps
Master Electrical Component List
Left Park and Side Marker Lamps
G402
Power, Ground, and the BPMV Valve
Cruise Control Module and VSS
Left Park and Side Marker Lamps
G402
G401 (1 of 2)
Right Park and Side Marker Lamps
Right Park and Side Marker Lamps
G401 (1 of 2)
Left Park and Side Marker Lamps
Turn Signal Lamps and Indicators